解析:增加AC-DC電源掉電保持時間的簡單方法
發布時間:2014-09-24 責任編輯:echolady
【導讀】在一些特殊的應用場合,常規AC-DC開關電dian源yuan的de掉diao電dian保bao持chi時shi間jian無wu法fa滿man足zu要yao求qiu,而er超chao長chang掉diao電dian保bao持chi時shi間jian的de開kai關guan電dian源yuan在zai市shi場chang上shang十shi分fen少shao見jian。為wei滿man足zu這zhe些xie特te殊shu應ying用yong場chang合he的de需xu求qiu,本ben文wen從cong理li論lun上shang分fen析xi了le決jue定ding掉diao電dian保bao持chi時shi間jian的de因yin素su,並bing提ti出chu了le一yi種zhong簡jian單dan的de通tong過guo外wai圍wei電dian路lu來lai增zeng加jia掉diao電dian保bao持chi時shi間jian的de方fang法fa。ACDC開關電源有一項重要的技術參數——掉電保持時間,指從AC掉電到輸出電壓下降到精度範圍(通常是-2%)之外的時間差⊿t。通俗地講,就是開關電源在沒有輸入後,輸出還能撐多久。
很多情況下,係統在檢測到AC掉電後,需要對數據進行保存、傳輸,對執行器的狀態進行設置等等。因此,在AC掉電後,開關電源還需要能持續給係統提供電源一段時間,以保證係統可靠關閉。另外,在有UPS的係統中,從市電切換到UPS供電的過程中,也需要開關電源能維持正常輸出。

圖1:掉電保持時間示意圖
1、掉電保持時間的決定因素
常規ACDC開關電源原理框圖如圖2所示,AC輸入經過整流濾波後,變成一個直流電壓(有一定的紋波電壓),再通過DCDC變換器轉換成我們所需要的電壓輸出。控製電路可根據輸入電壓和輸出負載來調整占空比(PWM模式)以實現穩定的電壓輸出。在AC輸shu入ru掉diao電dian後hou,由you輸shu入ru濾lv波bo電dian容rong存cun儲chu的de能neng量liang給gei輸shu出chu供gong電dian,在zai這zhe個ge過guo程cheng中zhong,濾lv波bo電dian容rong電dian壓ya逐zhu漸jian下xia降jiang,控kong製zhi電dian路lu通tong過guo調tiao整zheng占zhan空kong比bi依yi然ran可ke以yi實shi現xian額e定ding的de輸shu出chu電dian壓ya,直zhi到dao電dian容rong電dian壓ya下xia降jiang到dao控kong製zhi電dian路lu能neng調tiao整zheng的de範fan圍wei之zhi外wai時shi,輸shu出chu電dian壓ya開kai始shi下xia降jiang。

圖2:AC/DC開關電源原理框圖
我們通過舉例來說明決定掉電保持時間的因素。假設一款Vo=5V、Po=20W、效率為η=0.78的產品,DC-DC部分可正常工作的最低電壓Vin_min=100V,電源內部輸入濾波電容Cin=47uF。假設標稱220Vac輸入整流濾波後的電壓為直流電壓(實際有一定紋波),其值Vin_nor=308V,根據能量守恒有下式:
0.5*Cin*(Vin_mor2-Vin_min2)=⊿t*Po/η……(1)
代入數值可得:⊿t=77.9ms。從上式可以看到,⊿t與輸入電容、AC輸入電壓、產品效率成正比,而與輸出功率、DC-DC部分最低工作電壓成反比。
在實際的工程環境中,輸入電壓是固定的。對某一款具體的AC-DC電源產品來說,內部輸入濾波電容Cin、DC-DC部分最低工作電壓Vin_min、效率η都已無法改變,所以,電源本身的掉電保持時間無法改變。通過外圍調整,也無法改變產品的Vin_min和η,唯一能調整的是在電源前端再接一級整流濾波,外接的濾波電容與電源內部的輸入濾波電容是並聯關係,等效增加了Cin,增加了掉電保持時間。
如果電源前端加的濾波電容取100uF/400V,則掉電保持時間在之前的基礎上增加165.7ms。如果電源工作在半載條件,則掉電保持時間可以再增加一倍,如表1所示。

表1:掉電保持時間與輸入電容、負載關係圖
2、輸出電容對掉電保持時間的影響
在上述條件下,我們再計算一下通過增加輸出電容Co來延長掉電保持時間的效果。假設:輸出電壓精度是±2%,則輸出電壓下限Vo1=4.9V、Co=40000uF,則有:
0.5*Co*(Vo2-Vo12)=⊿t1*Po……(2)
代入數值可得:⊿t1=1ms。
我們發現,輸出40000uF的電容延長掉電保持時間僅有1ms!由此可見增加輸出電容對掉電保持時間的影響微乎其微。
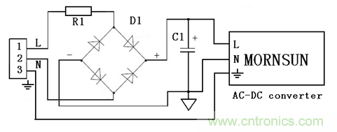
3、推薦外圍電路
如圖3所示,外圍電路的輸入端接市電,輸出可等效為直流電源,接在ACDC開關電源的L、N上。C1要根據實際負載、輸入電壓以及所需要的保持時間來確定,沒有明確的推薦值。由於增加了C1,開機衝擊電流會增大,R1可以用來減小該衝擊電流,可以選擇3W的繞線電阻,阻值大致在2~7.5歐姆之間。對於D1,可以選1000V、電流在1.5A及以上的整流橋,另外整流橋能承受的衝擊電流(規格書中有說明)應大於實際電路中的衝擊電流。

圖3:外圍推薦電路
4、試驗結果與分析
為驗證理論分析和計算的正確性,選取MORNSUN的LH25-10B05來進行測試。在輸入電壓220Vac,負載4A的條件下,LH25-10B05的掉電保持時間為76.8ms,波形如圖5所示;按推薦電路外接100uF/400V輸入濾波電容後,電源的掉電保持時間增加到249ms,波形如圖6所示。試驗結果與理論計算結果吻合。

- 噪聲中提取真值!瑞盟科技推出MSA2240電流檢測芯片賦能多元高端測量場景
- 10MHz高頻運行!氮矽科技發布集成驅動GaN芯片,助力電源能效再攀新高
- 失真度僅0.002%!力芯微推出超低內阻、超低失真4PST模擬開關
- 一“芯”雙電!聖邦微電子發布雙輸出電源芯片,簡化AFE與音頻設計
- 一機適配萬端:金升陽推出1200W可編程電源,賦能高端裝備製造
- 從土豆電池到精準農業:科學經典的現代回響
- 讓AI更懂生活:貿澤電子EIT係列探索AI在日常產品中的實用化設計
- 從“可演示”到“可部署”:人形機器人全鏈路測試驗證體係構建
- e絡盟與Same Sky簽署全球分銷協議,拓展高性能元器件版圖
- 告別“偏色”煩惱:光譜傳感器如何重塑手機攝影的真實色彩
- 車規與基於V2X的車輛協同主動避撞技術展望
- 數字隔離助力新能源汽車安全隔離的新挑戰
- 汽車模塊拋負載的解決方案
- 車用連接器的安全創新應用
- Melexis Actuators Business Unit
- Position / Current Sensors - Triaxis Hall




