200W太陽能光伏並網逆變器控製設計全過程
發布時間:2013-08-26 來源:電子元件技術網論壇 責任編輯:Cynthiali
【導讀】一款功率為200W太陽能光伏並網逆變器設計全過程,可將太陽能電池板產生的直流電直接轉換為220V/50Hz的工頻正弦交流電輸出至電網。從光伏並網逆變器電路原理、係統控製方案、主要元器件選擇……到係統保護,包括全套資料哦!
一種小功率光伏並網逆變器的控製係統:DC/DC控製器的拓撲結構采用推挽式電路,是用芯片SG3525來控製的,該電路有效地防止了偏磁,DC/AC逆變器為全橋逆變電路,是用DSP來控製的,由於DSP的de運yun算suan速su度du比bi較jiao高gao,因yin此ci逆ni變bian器qi的de輸shu出chu電dian流liu能neng夠gou很hen好hao地di跟gen蹤zong電dian網wang電dian壓ya波bo形xing。該gai光guang伏fu並bing網wang逆ni變bian器qi控kong製zhi方fang案an的de有you效xiao性xing在zai實shi驗yan室shi得de到dao驗yan證zheng。該gai控kong製zhi係xi統tong能neng確que保bao逆ni變bian電dian源yuan的de輸shu出chu功gong率lv因yin數shu接jie近jin1,輸出電流為正弦波形。

1 光伏並網逆變器電路原理
太陽能光伏並網逆變器的主電路原理圖如圖1所示。在本係統中,太陽能電池板輸出的額定電壓為62V的直流電,通過DC/DC變換器被轉換為400V直流電,接著經過DC/AC逆變後就得到220V/50Hz的交流電。係統保證並網逆變器輸出的220V/50Hz正弦電流與電網的相電壓同步。

圖1 電路原理框圖
2 係統控製方案
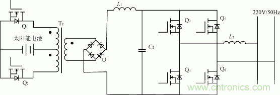
圖2為光伏並網逆變器的主電路拓撲圖,此係統由前級的DC/DC變換器和後級的DC/AC逆變器組成。DC/DC變換器的逆變電路可選擇的型式有半橋式、全橋式、推挽式。考慮到輸入電壓較低,如采用半橋式則開關管電流變大,而采用全橋式則控製複雜、開關管功耗增大,因此這裏采用推挽式電路。DC/DC變換器由推挽逆變電路、高頻變壓器、整流電路和濾波電感構成,它將太陽能電池板輸出的62V的直流電壓轉換成400V的直流電壓。

圖2 主電路拓撲圖
DC/AC逆變器的主電路采用全橋式結構,由4個MOS管(該管內部寄生了反並聯的二極管)構成,它將400V的直流電轉換成為220V/50Hz的工頻交流電。
下頁內容:DC/DC變換器控製方案
[page]
2.2.1 DC/DC變換器控製方案

圖3 DC/DC變換器的控製框圖
DC/DC變換器的控製框圖如圖3所示。控製電路是以集成電路SG3525為核心,由SG3525輸出的兩路50kHz的驅動信號,經門極驅動電路加在推挽電路開關管Q1和Q2的門極上。為保持DC/DC變換器輸出電壓的穩定,將檢測到的輸出電壓與指令電壓進行比較,該誤差電壓經PI調節器後控製 SG3525輸出驅動信號的占空比。該控製電路還具有限製輸出過流過壓的保護功能。當檢測到DC/DC變換器輸出電流過大時,SG3525將減小門極脈衝的寬度,降低輸出電壓,進而降低了輸出電流。當輸出電壓過高時,會停止DC/DCbianhuanqidegongzuo。youyutuiwanshidianlurongyiyinzhiliupiancidaozhibianyaqibaohe,yinci,tuiwanshidianludeshejinandianzaiyuruhefangzhibianyaqidecibaohe。zaibendianluzhong,chulezhuyidianludeduichengxingzhiwai,haishejilecibaohejiancedianlu,dangliujingtuiwandianludelianggezhiludianliushihengshi,jiuhuiqidongSG3525的軟啟動功能,使DC/DC變換器重新啟動,變壓器得以複位。

圖4 偏磁檢測電路
偏磁檢測電路如圖4所(suo)示(shi)。圖(tu)中(zhong)隻(zhi)畫(hua)出(chu)了(le)磁(ci)環(huan)的(de)副(fu)邊(bian)。原(yuan)邊(bian)兩(liang)個(ge)線(xian)圈(quan)接(jie)在(zai)主(zhu)電(dian)路(lu)的(de)變(bian)壓(ya)器(qi)原(yuan)邊(bian)的(de)兩(liang)個(ge)繞(rao)組(zu)上(shang),流(liu)過(guo)兩(liang)個(ge)線(xian)圈(quan)中(zhong)的(de)電(dian)流(liu)方(fang)向(xiang)要(yao)相(xiang)反(fan)。當(dang)變(bian)壓(ya)器(qi)發(fa)生(sheng)偏(pian)磁(ci)時(shi),某(mou)一(yi)方(fang)向(xiang)的(de)電(dian)流(liu)異(yi)常(chang)大(da),通(tong)過(guo)電(dian)流(liu)互(hu)感(gan)器(qi)檢(jian)測(ce),可(ke)在(zai)互(hu)感(gan)器(qi)的(de)輸(shu)出(chu)電(dian)阻(zu)R1上產生一個電壓,如果該電壓足夠大,可以使穩壓二極管D5導通,在電位器上產生壓降,將電位器的值調到合適的阻值,使電位器上的壓降大於三極管的門限電壓,使三極管導通,接在芯片SG3525的腳8與地之間的電容放電,然後SG3525中的恒流源對它充電,SG3525重新啟動,從而使變壓器磁心複位。
2.2.2 DC/AC逆變器控製方案
DC/AC逆變器是光伏並網的重點和難點,因此以下將著重闡述該部分。DC/AC逆變器控製框圖如圖5所示。核心控製芯片采用了TI公司的 TMS320F240。盡管單片機也能實現並網逆變器的脈寬調製,但是DSP實時處理能力更強大,因此可以保證係統有更高的開關工作頻率。從圖5可以清楚看出係統輸入和輸出信號的情況。

圖5 DC/AC逆變器的控製框圖
下頁內容: 輸出功率優化控製方案[page]
3 輸出功率優化控製方案
在靜態情況下,當並網逆變器與太陽能電池相連時,並網逆變器可等效為太陽能電池的負載電阻。當光強λ和溫度T變bian化hua時shi,太tai陽yang能neng電dian池chi輸shu出chu的de端duan電dian壓ya將jiang會hui隨sui之zhi發fa生sheng變bian化hua。為wei了le有you效xiao地di利li用yong太tai陽yang能neng,應ying使shi太tai陽yang能neng電dian池chi的de輸shu出chu始shi終zhong處chu於yu適shi當dang的de工gong作zuo點dian。因yin此ci,控kong製zhi方fang案an要yao求qiu當dang太tai陽yang能neng電dian池chi的de電dian壓ya升sheng高gao時shi,可ke以yi增zeng大da它ta的de輸shu出chu功gong率lv;反之就降低它的輸出功率。

圖6 DSP的控製方案
DSP的控製方案如圖6所示,參考電壓和太陽能電池的實際電壓相比較後,其誤差經過PI調節,將得到的電流指令(直流量)IREF與ROM裏的正弦表值相乘,就得到交變的輸出電流指令iref,再將它與實際的輸出電流值比較後,其誤差經過比例(P)環節,將所得到的指令取反,與采集到的交流側電壓Us相加後,所得到的波形再與三角波比較,就產生4路PWM調製信號(三角波的頻率為20kHz)。
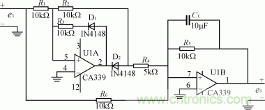
4 交流側電壓Us的檢測
將同步變壓器副邊的同步信號,濾波、整流,就可以得到比較穩定的直流電,將其送到DSP的A/D轉換口。由於最後得到的直流電壓與電網電壓有一個比較穩定的關係,因此,就比較容易換算Us的值了。

圖7 Us的整流電路
由於涉及到共地的問題,因此,采用了運算放大器的全波精密整流電路,如圖7所示。
5 電流指令的同步
並網時要求逆變器輸出的正弦波電流與電網電壓同頻、同相。首先,將電網電壓信號經過濾波整形為同步方波信號,再將其輸入到TMS320F240的外部中斷口XINT1,目的是為了捕捉電網電壓的過零信號。如圖8所示,電網電壓正弦波,經過整形後就得到了方波。

圖8 同步信號波形
當DSP檢測到過零信號的上跳沿時,便觸發同步中斷,以此時間點作為基準給定正弦波信號時間起點,也就是正弦表指針複位到零;每當T1下溢中斷(PWM實時控製)時,正弦表指針便加1,並從正弦表中取值。一個周期的單位正弦波數據被分成了400個ge點dian采cai用yong表biao的de形xing式shi存cun放fang在zai存cun儲chu器qi中zhong。由you於yu同tong步bu信xin號hao比bi較jiao容rong易yi受shou到dao諧xie波bo和he尖jian峰feng電dian壓ya的de幹gan擾rao,因yin此ci在zai進jin入ru同tong步bu中zhong斷duan後hou可ke以yi先xian做zuo一yi個ge延yan時shi,判pan斷duan外wai部bu中zhong斷duan腳jiaoXINT1是否仍然是高電平,如果是高電平,就執行中斷程序,否則就從中斷程序跳出。
從圖6的控製方案可看出,IREF與正弦表中數據相乘後,便形成了幅值可調的正弦波的電流給定信號,然後,再實時比較電流給定值,經過P環節後,所得信號反相後,與采集到的交流側電網電壓信號Us相加,所得波形與三角波比較,就產生了PWM波,控製橋臂的通斷。總之,輸出電流和電網電壓的同頻、同相的要求是通過電流跟蹤控製實現的。
下頁內容:PWM脈寬調製波的產生
[page]
6 PWM脈寬調製波的產生
PWM波的產生是通過TMS320F240的全比較單元輸出的,頻率為20kHz。從圖6可知,調製脈衝的產生是通過將電流指令值與實際電流值比較後,經過P環節,所得到的波形與三角波(頻率為20kHz)比較後獲得的。因此MOS管Q3、Q4、Q5、Q6(見圖2)脈衝的產生時刻可以從圖8得出,參照正弦波與三角波調製,兩者相交決定了PWM的脈衝時刻。實際由采樣的波形(實際上是階梯波)yusanjiaoboxiangjiao,youjiaodiandechumaichongkuandu。benxitongshizaisanjiaobodedidianweizhiduiboxingjinxingcaiyangerxingchengdejietibo。cijietiboyusanjiaobodejiaodiansuoquedingdemaikuanzaiyigecaiyangzhouqineideweizhishiduichengde,rutu9所示。

圖9 正弦脈寬調製波形
圖9(a)正弦波B與三角波的交點決定了Q3的導通時刻;正弦波A與三角波的交點決定了Q5的導通時刻。
圖9(b)為Q3的脈衝示意圖,同一橋臂上Q3與Q4的脈衝是互補的。
圖9(c)為Q5的脈衝示意圖,同一橋臂上Q5與Q6的脈衝是互補的。
7 TMS320F240軟件控製流程

圖10 軟件流程圖
這部分的軟件主要分成4塊,即主程序,T1下溢中斷,T2下溢中斷和同步中斷。流程圖如圖10所示。T1下溢中斷每50μs發生一次,程序主要用來生成 PWM波;T2下溢中斷每10ms發生一次,程序主要用來產生電流指令;同步中斷大約每20ms(網壓周期)發生一次。
8 係統保護
本係統設計有直流側過壓、欠壓,交流側過流,過熱等多種保護。當出現太陽能電池板的輸出電壓過壓、欠壓故障的時候,由TMS320F240向SG3525發出一個信號,封鎖DC/DC的脈衝,使其停止工作,當檢測到直流電壓恢複正常時,DC/DC又自動複位開始工作;當出現交流過流、過熱故障時,程序進入中斷服務子程序,封鎖所有驅動信號。當故障排除後,手動複位,係統重新啟動。
9 主要元器件選擇
推挽式電路MOS管選用的是IRFP350(耐壓400V,漏源額定電流為16A)。橋式逆變電路MOS管選用的是IRFPC40(耐壓600V,漏源額定電流為6.8A)。DC/DC濾波電感L1選用1.2mH,DC/AC濾波電感L2選用33.4mH。
特別推薦
- 噪聲中提取真值!瑞盟科技推出MSA2240電流檢測芯片賦能多元高端測量場景
- 10MHz高頻運行!氮矽科技發布集成驅動GaN芯片,助力電源能效再攀新高
- 失真度僅0.002%!力芯微推出超低內阻、超低失真4PST模擬開關
- 一“芯”雙電!聖邦微電子發布雙輸出電源芯片,簡化AFE與音頻設計
- 一機適配萬端:金升陽推出1200W可編程電源,賦能高端裝備製造
技術文章更多>>
- e絡盟與Same Sky簽署全球分銷協議,拓展高性能元器件版圖
- 告別“偏色”煩惱:光譜傳感器如何重塑手機攝影的真實色彩
- 從“掃描”到“洞察”:Hyperlux ID iToF技術如何攻克30米測距極限
- 解鎖算力芯片的“速度密碼”:SmartDV全棧IP方案深度解析
- 發燒友福音!XMOS推出32段EQ調節與一鍵升頻功能
技術白皮書下載更多>>
- 車規與基於V2X的車輛協同主動避撞技術展望
- 數字隔離助力新能源汽車安全隔離的新挑戰
- 汽車模塊拋負載的解決方案
- 車用連接器的安全創新應用
- Melexis Actuators Business Unit
- Position / Current Sensors - Triaxis Hall
熱門搜索





