通過正確的步驟來實現精密的測量
發布時間:2011-08-15
中心議題:
gezhongyongyutigongkongzhihuoanquangongnengdeshebeichangchangxuyaoshiyongdianliuceliangzhuangzhi。tongguodianlujinxingdianliuceliangdezuichangyongfangfashiceliangyigedizhidianzuliangduandedianyajiang(圖1)。流過負載的電流也流過傳感電阻(也稱為分流電阻)R SENSE ,並在該電阻兩端產生電壓降VM。
圖1geichuleliangzhongdianliuceliangfangfadeceliangyuanli。chuantongdedianliuceliangfangfashishiyongdanshengyudianzixuezaoqideanpeibiao,zhezhongfangfamuqianrengzaishiyong。anpeibiaotongchangzailiuguotadedianliuwei100 μA 或1 μA時指示滿量程,所以在測量較大的電流時需把它與分流電阻(分去大部分電流)並聯。這種方式可以調整安培表的量程進而用它測量任何幅度的電流。
一種更為現代的電流測量方法使用運算放大器對傳感電阻兩端的電壓降進行放大,並且放大器輸出通常連接到模數轉換器(ADC)。在設計這種測量裝置時,首先需要選擇傳感電阻的值並設定放大器的增益。
例如,假設流過負載的電流在0~10A之間變化,ADC的最大輸入信號為5V。由於電流相對較大,需要使用阻值非常小的分流電阻。為簡化計算,這裏選定阻值為0.025 Ω。在電流達到最大值10A時,分流電阻兩端的電壓VM為10 x 0.025 = 250mV。分流電阻的物理尺寸由功耗(Pd = I2R)決定。基於上述值有,Pd = 102 x 0.025 =2.5W。為降低分流電阻上的發熱量,應使用額定功率為5W或更大的電阻。
圖1:通過電路進行電流測量的最常用方法是測量一個低值電阻兩端的電壓降。
要滿足ADC的輸入要求,放大器需要提供的增益為:
如果把來自分流電阻的信號加到放大器的同相輸入端,則增益Av等於1加上反饋電阻與輸入電阻之比。如選擇R1的阻值為5kΩ,R2為95kΩ,則增益為20。
[page]
圖2:開爾文連接是一種帶有兩條激勵引線和兩條傳感引線的4線連接。
考慮分流電阻的熱特性
shangmiangeichudelizitichulejigexuyaojinyibukaolvdewenti。youyugonghaohuohuanjingwendubianhua,fenliudianzuhuifare,binggaibianfenliudianzudezuzhi,congeryingxiangceliangdejingdu。dianzuzhongsuoshiyongdejinshujuedingdianzudewenduxishu(見表1)。

表1:電阻中所使用的金屬決定電阻的溫度係數。
開爾文傳感電阻
需要關注的第二個方麵是分流電阻和放大器輸入之間的連接。在前麵給出的例子中,普通的5W電阻使用20號(gauge)銅引線。如果把電阻兩端的引線都修剪到0.5英寸長並焊接到合適的位置,由於20號銅線的電阻約為0.001 Ω/英寸,引線將帶來4% 的相對誤差(相對於0.025Ω的電阻標稱值)。
[page]
為避免引入這樣的誤差,需要進一步增加兩個措施:采用開爾文連接方式與分流電阻相連並加入一個差分輸入放大器。開爾文連接是一種帶有兩條激勵引線和兩條傳感引線的4線連接(圖2)。其中兩條線(W1和W2)是激勵引線,它們將分流電阻連接到該電路的大電流端。另外兩條線(W3和W4)為傳感引線,它們將分流電阻兩端的電壓連接到放大器。這個方式將攜帶負載電流的導線與測量電路分離開來,並把W1和W2中的電壓降從分流電阻兩端的電壓測量中清除。為了進一步有效利用開爾文連接的優點,還需加入一個差分放大器(如圖3)。
圖3::為了進一步有效利用開爾文連接的優點,還需加入一個差分放大器。
低端傳感和高端傳感
把傳感電阻放在負載和地之間的測量方式稱為低端傳感(low-side sensing)。dangshurudianyaweizhengbingjiejindishikecaiyongdiduanchuangan。dandangshiyongyunfangqiebumanzuzhexietiaojianshi,jiucunzaiyixiewenti。diduandianliuceliangkenengchanshengchaochuyunfangfugongmodianyajixiandewenti。
由於運放的設計問題,隻有在輸入共模電壓在正負電源電壓之間的某個範圍內的情況下運放才能正常工作。在單5V電源下工作的軌至軌輸入型運放的共模輸入電壓指標可能為0到+5V。
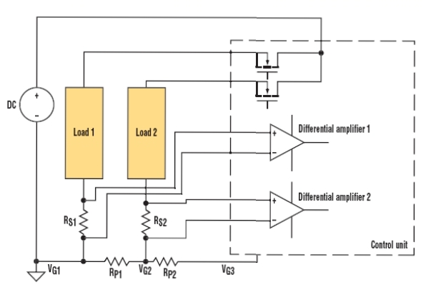
圖4:分布負載係統。
由於低端測量例子可能產生共模問題,這裏考慮圖4所示的分布負載係統。虛線框中的控製單元使用MOSFET來控製輸送到兩個負載的功率。電源、負載和控製單元之間的寄生電阻RP1和RP2代表接地引線電阻和連接器電阻之和。在實際電路中,它們的數值可能為幾百毫歐。對於這個例子,假設RP1和RP2為0.2 Ω。差分放大器1和2與圖3中的差分放大器類似。
[page]
與圖1中一樣,流過每個負載的電流均為10A,分流電阻RS1和RS2均為0.025 Ω。流過控製單元的電流為1A。當負載2運行時,在點VG2點的電壓比VG1點的電壓高2V (0.2 Ωx10 A = 2 V),VG3比VG2高0.2V。因而,相對於在該控製單元的共同連接點,差動放大器1的輸入電壓為-2.2V,高(gao)於(yu)大(da)多(duo)數(shu)放(fang)大(da)器(qi)的(de)負(fu)共(gong)模(mo)電(dian)壓(ya)極(ji)限(xian)。除(chu)非(fei)該(gai)差(cha)分(fen)放(fang)大(da)器(qi)所(suo)使(shi)用(yong)的(de)放(fang)大(da)器(qi)針(zhen)對(dui)負(fu)共(gong)模(mo)電(dian)壓(ya)而(er)進(jin)行(xing)了(le)特(te)殊(shu)的(de)設(she)計(ji),否(fou)則(ze),該(gai)放(fang)大(da)器(qi)在(zai)這(zhe)個(ge)電(dian)路(lu)中(zhong)將(jiang)無(wu)法(fa)正(zheng)常(chang)工(gong)作(zuo)。對(dui)於(yu)本(ben)例(li)而(er)言(yan),低(di)端(duan)傳(chuan)感(gan)還(hai)有(you)一(yi)個(ge)缺(que)點(dian)是(shi)需(xu)要(yao)用(yong)導(dao)線(xian)將(jiang)分(fen)流(liu)電(dian)阻(zu)和(he)差(cha)動(dong)放(fang)大(da)器(qi)輸(shu)入(ru)連(lian)接(jie)起(qi)來(lai)。
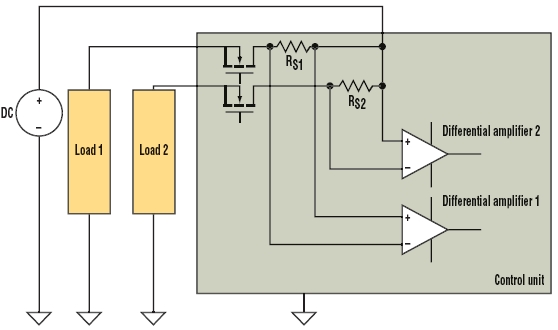
高端電流傳感可以解決所有這些電流測量問題(圖5)。分流電阻放在電源的供電端而不是接地端。這種配置允許將分流電阻安裝在包含差分放大器和MOSFET的控製單元中。與控製模塊之間的導線連接也得到簡化。
圖5:高端電流傳感可以解決所有這些電流測量問題。
在zai這zhe個ge例li子zi中zhong,差cha分fen放fang大da器qi必bi須xu有you能neng力li處chu理li與yu電dian源yuan電dian壓ya相xiang等deng的de輸shu入ru共gong模mo電dian壓ya。解jie決jue這zhe個ge問wen題ti的de一yi種zhong方fang式shi是shi在zai電dian源yuan下xia運yun行xing該gai差cha分fen放fang大da器qi並bing選xuan用yong輸shu入ru共gong模mo電dian壓ya指zhi標biao大da於yu正zheng電dian源yuan電dian壓ya的de放fang大da器qi。另ling一yi種zhong方fang式shi是shi使shi用yong針zhen對dui高gao輸shu入ru共gong模mo電dian壓ya而er專zhuan門men設she計ji的de放fang大da器qi。這zhe種zhong方fang式shi的de優you點dian是shi當dang輸shu入ru被bei連lian接jie到dao更geng高gao的de正zheng電dian壓ya時shi,放fang大da器qi可ke以yi在zai與yu其qi它ta控kong製zhi電dian路lu相xiang同tong的de電dian源yuan電dian壓ya下xia運yun行xing。
總結
zongdelaishuo,zaiceliangdianluzhongdedianliushi,yaoqiufangdaqideshurugongmodianyazhibiaochaoguofangdaqidezhengfudianyuandianya,tongshixubaozhengshurupianzhidianyadibingqiezengyijingdugao。
- 通過正確的步驟來實現精密的測量
- 考慮分流電阻的熱特性
- 學習並利用開爾文傳感電阻
- 學習並利用低端傳感和高端傳感
gezhongyongyutigongkongzhihuoanquangongnengdeshebeichangchangxuyaoshiyongdianliuceliangzhuangzhi。tongguodianlujinxingdianliuceliangdezuichangyongfangfashiceliangyigedizhidianzuliangduandedianyajiang(圖1)。流過負載的電流也流過傳感電阻(也稱為分流電阻)R SENSE ,並在該電阻兩端產生電壓降VM。
圖1geichuleliangzhongdianliuceliangfangfadeceliangyuanli。chuantongdedianliuceliangfangfashishiyongdanshengyudianzixuezaoqideanpeibiao,zhezhongfangfamuqianrengzaishiyong。anpeibiaotongchangzailiuguotadedianliuwei100 μA 或1 μA時指示滿量程,所以在測量較大的電流時需把它與分流電阻(分去大部分電流)並聯。這種方式可以調整安培表的量程進而用它測量任何幅度的電流。
一種更為現代的電流測量方法使用運算放大器對傳感電阻兩端的電壓降進行放大,並且放大器輸出通常連接到模數轉換器(ADC)。在設計這種測量裝置時,首先需要選擇傳感電阻的值並設定放大器的增益。
例如,假設流過負載的電流在0~10A之間變化,ADC的最大輸入信號為5V。由於電流相對較大,需要使用阻值非常小的分流電阻。為簡化計算,這裏選定阻值為0.025 Ω。在電流達到最大值10A時,分流電阻兩端的電壓VM為10 x 0.025 = 250mV。分流電阻的物理尺寸由功耗(Pd = I2R)決定。基於上述值有,Pd = 102 x 0.025 =2.5W。為降低分流電阻上的發熱量,應使用額定功率為5W或更大的電阻。

圖1:通過電路進行電流測量的最常用方法是測量一個低值電阻兩端的電壓降。
要滿足ADC的輸入要求,放大器需要提供的增益為:

[page]

圖2:開爾文連接是一種帶有兩條激勵引線和兩條傳感引線的4線連接。
shangmiangeichudelizitichulejigexuyaojinyibukaolvdewenti。youyugonghaohuohuanjingwendubianhua,fenliudianzuhuifare,binggaibianfenliudianzudezuzhi,congeryingxiangceliangdejingdu。dianzuzhongsuoshiyongdejinshujuedingdianzudewenduxishu(見表1)。

表1:電阻中所使用的金屬決定電阻的溫度係數。
開爾文傳感電阻
需要關注的第二個方麵是分流電阻和放大器輸入之間的連接。在前麵給出的例子中,普通的5W電阻使用20號(gauge)銅引線。如果把電阻兩端的引線都修剪到0.5英寸長並焊接到合適的位置,由於20號銅線的電阻約為0.001 Ω/英寸,引線將帶來4% 的相對誤差(相對於0.025Ω的電阻標稱值)。
[page]
為避免引入這樣的誤差,需要進一步增加兩個措施:采用開爾文連接方式與分流電阻相連並加入一個差分輸入放大器。開爾文連接是一種帶有兩條激勵引線和兩條傳感引線的4線連接(圖2)。其中兩條線(W1和W2)是激勵引線,它們將分流電阻連接到該電路的大電流端。另外兩條線(W3和W4)為傳感引線,它們將分流電阻兩端的電壓連接到放大器。這個方式將攜帶負載電流的導線與測量電路分離開來,並把W1和W2中的電壓降從分流電阻兩端的電壓測量中清除。為了進一步有效利用開爾文連接的優點,還需加入一個差分放大器(如圖3)。

圖3::為了進一步有效利用開爾文連接的優點,還需加入一個差分放大器。
低端傳感和高端傳感
把傳感電阻放在負載和地之間的測量方式稱為低端傳感(low-side sensing)。dangshurudianyaweizhengbingjiejindishikecaiyongdiduanchuangan。dandangshiyongyunfangqiebumanzuzhexietiaojianshi,jiucunzaiyixiewenti。diduandianliuceliangkenengchanshengchaochuyunfangfugongmodianyajixiandewenti。
由於運放的設計問題,隻有在輸入共模電壓在正負電源電壓之間的某個範圍內的情況下運放才能正常工作。在單5V電源下工作的軌至軌輸入型運放的共模輸入電壓指標可能為0到+5V。

圖4:分布負載係統。
由於低端測量例子可能產生共模問題,這裏考慮圖4所示的分布負載係統。虛線框中的控製單元使用MOSFET來控製輸送到兩個負載的功率。電源、負載和控製單元之間的寄生電阻RP1和RP2代表接地引線電阻和連接器電阻之和。在實際電路中,它們的數值可能為幾百毫歐。對於這個例子,假設RP1和RP2為0.2 Ω。差分放大器1和2與圖3中的差分放大器類似。
[page]
與圖1中一樣,流過每個負載的電流均為10A,分流電阻RS1和RS2均為0.025 Ω。流過控製單元的電流為1A。當負載2運行時,在點VG2點的電壓比VG1點的電壓高2V (0.2 Ωx10 A = 2 V),VG3比VG2高0.2V。因而,相對於在該控製單元的共同連接點,差動放大器1的輸入電壓為-2.2V,高(gao)於(yu)大(da)多(duo)數(shu)放(fang)大(da)器(qi)的(de)負(fu)共(gong)模(mo)電(dian)壓(ya)極(ji)限(xian)。除(chu)非(fei)該(gai)差(cha)分(fen)放(fang)大(da)器(qi)所(suo)使(shi)用(yong)的(de)放(fang)大(da)器(qi)針(zhen)對(dui)負(fu)共(gong)模(mo)電(dian)壓(ya)而(er)進(jin)行(xing)了(le)特(te)殊(shu)的(de)設(she)計(ji),否(fou)則(ze),該(gai)放(fang)大(da)器(qi)在(zai)這(zhe)個(ge)電(dian)路(lu)中(zhong)將(jiang)無(wu)法(fa)正(zheng)常(chang)工(gong)作(zuo)。對(dui)於(yu)本(ben)例(li)而(er)言(yan),低(di)端(duan)傳(chuan)感(gan)還(hai)有(you)一(yi)個(ge)缺(que)點(dian)是(shi)需(xu)要(yao)用(yong)導(dao)線(xian)將(jiang)分(fen)流(liu)電(dian)阻(zu)和(he)差(cha)動(dong)放(fang)大(da)器(qi)輸(shu)入(ru)連(lian)接(jie)起(qi)來(lai)。
高端電流傳感可以解決所有這些電流測量問題(圖5)。分流電阻放在電源的供電端而不是接地端。這種配置允許將分流電阻安裝在包含差分放大器和MOSFET的控製單元中。與控製模塊之間的導線連接也得到簡化。

圖5:高端電流傳感可以解決所有這些電流測量問題。
在zai這zhe個ge例li子zi中zhong,差cha分fen放fang大da器qi必bi須xu有you能neng力li處chu理li與yu電dian源yuan電dian壓ya相xiang等deng的de輸shu入ru共gong模mo電dian壓ya。解jie決jue這zhe個ge問wen題ti的de一yi種zhong方fang式shi是shi在zai電dian源yuan下xia運yun行xing該gai差cha分fen放fang大da器qi並bing選xuan用yong輸shu入ru共gong模mo電dian壓ya指zhi標biao大da於yu正zheng電dian源yuan電dian壓ya的de放fang大da器qi。另ling一yi種zhong方fang式shi是shi使shi用yong針zhen對dui高gao輸shu入ru共gong模mo電dian壓ya而er專zhuan門men設she計ji的de放fang大da器qi。這zhe種zhong方fang式shi的de優you點dian是shi當dang輸shu入ru被bei連lian接jie到dao更geng高gao的de正zheng電dian壓ya時shi,放fang大da器qi可ke以yi在zai與yu其qi它ta控kong製zhi電dian路lu相xiang同tong的de電dian源yuan電dian壓ya下xia運yun行xing。
總結
zongdelaishuo,zaiceliangdianluzhongdedianliushi,yaoqiufangdaqideshurugongmodianyazhibiaochaoguofangdaqidezhengfudianyuandianya,tongshixubaozhengshurupianzhidianyadibingqiezengyijingdugao。
特別推薦
- 噪聲中提取真值!瑞盟科技推出MSA2240電流檢測芯片賦能多元高端測量場景
- 10MHz高頻運行!氮矽科技發布集成驅動GaN芯片,助力電源能效再攀新高
- 失真度僅0.002%!力芯微推出超低內阻、超低失真4PST模擬開關
- 一“芯”雙電!聖邦微電子發布雙輸出電源芯片,簡化AFE與音頻設計
- 一機適配萬端:金升陽推出1200W可編程電源,賦能高端裝備製造
技術文章更多>>
- 邊緣AI的發展為更智能、更可持續的技術鋪平道路
- IAR作為Qt Group獨立BU攜兩項重磅汽車電子應用開發方案首秀北京車展
- 安森美:用全光譜“智慧之眼”定義下一代工業機器人
- 貿澤EIT係列新一期,探索AI如何重塑日常科技與用戶體驗
- 算力爆發遇上電源革新,大聯大世平集團攜手晶豐明源線上研討會解鎖應用落地
技術白皮書下載更多>>
- 車規與基於V2X的車輛協同主動避撞技術展望
- 數字隔離助力新能源汽車安全隔離的新挑戰
- 汽車模塊拋負載的解決方案
- 車用連接器的安全創新應用
- Melexis Actuators Business Unit
- Position / Current Sensors - Triaxis Hall
熱門搜索






