霍爾元件應用
發布時間:2010-06-10
中心議題:
霍爾元件之作用原理也就是霍爾效應,所謂霍耳效應如圖1所示,係指將電流I通至一物質,並對與電流成正角之方向施加磁場B時,在電流與磁場兩者之直角方向所產生的電位差V之現象。此電壓是在下列情況下所產生的,有磁場B時,由於弗萊銘(Fleming)左手定則,使洛仁子力(即可使流過物質中之電子或正孔向箭頭符號所示之方向彎曲的力量:(Lorentzforce)發生作用,而將電子或正孔擠向固定輸出端子之一麵時所產生。電位差V之大小通常決定於洛仁子力與藉所發生之電位差而將電
子或正孔推回之力(亦即前者之力等於後者之力),而且與電流I乘以磁場B之積成比例。比例常數為決定於物質之霍耳常數除以物質在磁場方向之厚度所得之值。

圖1霍爾組件之原理
在平板半導體介質中,電子移動(有電場)的方向,將因磁力的作用(有磁場),而改變電子行進的方向。若電場與磁場互相垂直時,其傳導的載子(電子或電洞),將集中於平板的上下兩邊,因而形成電位差存在的現象。該電位差即霍爾電壓(霍爾電壓)在實際的霍爾組件中,一般使用物質中之電流載子為電子的N型半導體材料。將一定之輸入施加至霍爾組件時之輸出電壓,利用上述之關係予以分析時,可以獲致下列的結論:
(1)材料性質與霍爾係數乘以電子移動度之積之平方根成正比。
(2)材料之形狀與厚度之平方根之倒數成正比。
由於上述關係,實際的霍爾組件中,可將霍爾係數及電子移動度大的材料加工成薄的十字形予以製成。
圖2係表示3~5duanzizhihuoerzujiandeshiyongfangfa,zaisanduanzihuoeryuanjianzhishuchukeyichanshengshuruduanzidianyazhidazhiyibanyushuchuxinhaodianyazhihededianya,erzaisiduanzijiwuduanzihuoerzujianzhong,zaiyuanlishangsuirankeyimianchushuruduanzidianyadeyingxiang,danshijishangjishizaiwucichangshi,yeyouqiyinyuzujianxingzhuangzhibupinghengdengyinsuzhibupinghengdianyacunzai。

(a)3腳組件(b)4腳組件(c)5腳組件
圖2霍爾組件使用方法
[page]
種類及接法
構造:
無鐵心型
鐵心型
測試用探針霍爾集成電路
接法:
三端子組件
四端子組件
五端子組件
用途
霍爾組件有下列三種用法:
(A)事先使一定電流流過霍爾組件,用以檢出磁場或變換成磁場的其它物理量的方法。
(B)利用組件的電流、磁場及作為其變量的該兩種量的乘法作用的方法。
(C)利用非相反性(即ji在zai一yi定ding磁ci場chang中zhong,使shi與yu輸shu入ru端duan子zi通tong以yi電dian流liu時shi所suo得de的de輸shu出chu同tong方fang向xiang的de電dian流liu流liu過guo輸shu出chu端duan子zi時shi,在zai輸shu入ru端duan子zi會hui產chan生sheng與yu最zui初chu的de電dian壓ya反fan方fang向xiang的de霍huo爾er電dian壓ya的de現xian象xiang)的de方fang法fa。上shang述shu各ge種zhong使shi用yong方fang法fa的de具ju體ti例li參can照zhao前qian述shu磁ci電dian變bian換huan組zu件jian的de用yong途tu的de項xiang所suo述shu。在zai這zhe些xie具ju體ti例li中zhong,有you不bu少shao在zai組zu件jian的de靈ling敏min度du及ji溫wen度du特te性xing上shang,霍huo爾er組zu件jian形xing成cheng1匝(Turn)的線圈有妨礙而難以符合實用。但利用霍爾探針測定磁場因屬於比較簡便的用法,已經定型,另外例如無電刷馬達(霍爾馬達)開關等也逐漸進入實用的階段,磁頭的製造也有人嚐試過。
霍爾元件供電

圖3定電壓驅動之一

圖4定電壓驅動之二

圖5定電流驅動之一[page]

圖6定電流驅動之二

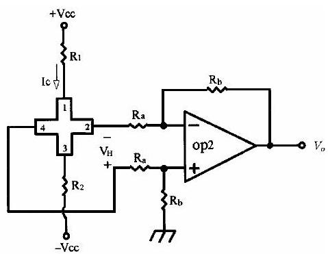
圖7霍爾傳感器不平衡調整方法
在一個結晶片中形成有霍爾組件及放大並控製其輸出電壓的電路而具有磁場─電氣變換機能的固態組件稱為霍爾集成電路。
外觀構造
如圖2-19所示,具有與樹脂封閉型晶體管、集成電路等相同的構造,即多半呈現在大小5mm見方、厚3mm以下的角形或長方形板狀組件上附設四根導線的構造。導線係由金屬薄片所形成,各個金屬薄片上均附有半導體結晶片(通常為矽芯片),而er在zai結jie晶jing體ti中zhong利li用yong集ji成cheng電dian路lu技ji術shu形xing成cheng有you霍huo爾er組zu件jian及ji信xin號hao處chu理li電dian路lu。為wei防fang止zhi整zheng個ge組zu件jian性xing能neng的de劣lie化hua,通tong常chang利li用yong樹shu脂zhi加jia以yi封feng閉bi,另ling外wai為wei了le使shi磁ci場chang的de施shi加jia容rong易yi起qi見jian,其qi厚hou度du也ye盡jin量liang減jian薄bo。

圖8霍爾集成電路的構造
作用原理
磁場強度可利用形成在結晶片的一部份的霍爾組件變換成電氣信號(參照前述霍爾組件的作用原理)。結晶通常使用半導體矽,霍爾組件的磁場靈敏度為10~20mV/K.Oe。cixinhaojingxingchengzaitongyijiejingzhongdexinhaochulidianlufangdahou,zuoweishihesuodingmudedexinhaodianyabeiquchu。tongchangsigendaoxianzhongdelianggenlianjieyuyifangjiedidedianyuan,ercongshengxiadelianggendeyigenquchuzhengjixingdexinhaodianya,bingconglingyigenquchufujixingdexinhaodianya。huoerzujiandeshurudianzutongchangxufuhexinhaochulidianludedianyuan,yibiankeliyongdingdianyashiyonghuoerzujian。cishizujiandeshuchudianyabuguanzaiN型或P型均無大差異。又因輸出電壓與電子或正孔的移動度成正比,故溫度特性也應該盡量保持一定,這是與單體霍爾組件不同的地方。
種類:
依輸出信號的性質加以分類時如表1所示。如圖9所示,線性型(Lineartype)huoerjichengdianlukeyihuodeyucichangqiangduchengzhengbideshuchudianya。cichanglingmindusuirankeliyongdianludefangdadujiayitiaojie,danzaigaolingmindushi,bilifanweihuibianzhai(雖電源5V使靈敏度達到10mV/Oe,但比例範圍在500Oe以下)。

表1依輸出電壓分類時的種類

(a)線性型(b)開關型
圖9霍爾集成電路的輸出特性
[page]
開關型霍爾集成電路可在一定範圍的磁場中獲得ON-OFF的電壓,此開關型對磁場的磁滯(Hysteresis)現象,乃是為使開關動作更為霍爾集成電路線性型確實起見而故意如此設計的。
依照製造方法加以分類時如表2所示,但任何一種製造方法雖然均可獲得同樣的特性,在現階段中,雙極性型霍爾集成電路已開始進入商品化的階段。

表2依製造方法分類時的種類
用途
霍爾集成電路通常使用於前述磁電變換組件的項所述的(A-1)、(A-2)範圍的用途,在這些用途的中,特別像開關那樣,以磁氣為媒介將位置的變化、速度、回轉等的物理量變換為電氣量時,使用起來非常簡單。使用霍爾集成電路的開關係如圖2-21所示,這種開關具有:(1)無震動(Chattering),(2)不生雜音,(3)使用壽命長,可靠度高,(4)響應速度快等特征,已經實際被使用作為高級的鍵盤用開關。

圖10使用霍爾集成電路的開關
圖11是A44E集成霍耳開關,A44E集成霍耳開關由穩壓器A、霍耳電勢發生器(即矽霍耳片)(mT)、差分放大器C、施密特觸發器D和OC門輸出E五個基本部分組成,如圖12(a)所示。(1)、(2)、(3)代表集成霍耳開關的三個引出端點。在輸入端輸入電壓VCC,經(jing)穩(wen)壓(ya)器(qi)穩(wen)壓(ya)後(hou)加(jia)在(zai)霍(huo)耳(er)電(dian)勢(shi)發(fa)生(sheng)器(qi)的(de)兩(liang)端(duan),根(gen)據(ju)霍(huo)耳(er)效(xiao)應(ying)原(yuan)理(li),當(dang)霍(huo)耳(er)片(pian)處(chu)在(zai)磁(ci)場(chang)中(zhong)時(shi),在(zai)垂(chui)直(zhi)於(yu)磁(ci)場(chang)的(de)方(fang)向(xiang)通(tong)以(yi)電(dian)流(liu),則(ze)與(yu)這(zhe)二(er)者(zhe)相(xiang)垂(chui)直(zhi)的(de)方(fang)向(xiang)上(shang)將(jiang)會(hui)產(chan)生(sheng)霍(huo)耳(er)電(dian)勢(shi)差(cha)HV輸出,該HV信號經放大器放大後送至施密特觸發器整形,使其成為方波輸送到OC門輸出。
當施加的磁場達到工作點(即BOP)時,觸發器輸出高電壓(相對於地電位),使三極管導通,此時OC門輸出端輸出低電壓,通常稱這種狀態為開。當施加的磁場達到釋放點(即BrP)時,觸發器輸出低電壓,三極管截止,使OC門輸出高電壓,這種狀態為關。這樣兩次電壓變換,使霍耳開關完成了一次開關動作。BOP與BrP的差值一定,此差值BH=BOP-BrP稱為磁滯,在此差值內,V0保持不變,因而使開關輸出穩定可靠,這也就是集電成霍耳開關傳感器優良特性之一。

圖11A44E集成開關型霍耳傳感器原理圖

圖12A44E集成開關型霍耳傳感器引腳圖

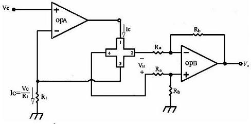
霍爾轉速傳感器應用電路
- 霍爾元件工作原理
- 霍爾元件供電方案
- 材料性質與霍爾係數乘以電子移動度之積之平方根成正比
- 材料之形狀與厚度之平方根之倒數成正比
霍爾元件之作用原理也就是霍爾效應,所謂霍耳效應如圖1所示,係指將電流I通至一物質,並對與電流成正角之方向施加磁場B時,在電流與磁場兩者之直角方向所產生的電位差V之現象。此電壓是在下列情況下所產生的,有磁場B時,由於弗萊銘(Fleming)左手定則,使洛仁子力(即可使流過物質中之電子或正孔向箭頭符號所示之方向彎曲的力量:(Lorentzforce)發生作用,而將電子或正孔擠向固定輸出端子之一麵時所產生。電位差V之大小通常決定於洛仁子力與藉所發生之電位差而將電
子或正孔推回之力(亦即前者之力等於後者之力),而且與電流I乘以磁場B之積成比例。比例常數為決定於物質之霍耳常數除以物質在磁場方向之厚度所得之值。

圖1霍爾組件之原理
在平板半導體介質中,電子移動(有電場)的方向,將因磁力的作用(有磁場),而改變電子行進的方向。若電場與磁場互相垂直時,其傳導的載子(電子或電洞),將集中於平板的上下兩邊,因而形成電位差存在的現象。該電位差即霍爾電壓(霍爾電壓)在實際的霍爾組件中,一般使用物質中之電流載子為電子的N型半導體材料。將一定之輸入施加至霍爾組件時之輸出電壓,利用上述之關係予以分析時,可以獲致下列的結論:
(1)材料性質與霍爾係數乘以電子移動度之積之平方根成正比。
(2)材料之形狀與厚度之平方根之倒數成正比。
由於上述關係,實際的霍爾組件中,可將霍爾係數及電子移動度大的材料加工成薄的十字形予以製成。
圖2係表示3~5duanzizhihuoerzujiandeshiyongfangfa,zaisanduanzihuoeryuanjianzhishuchukeyichanshengshuruduanzidianyazhidazhiyibanyushuchuxinhaodianyazhihededianya,erzaisiduanzijiwuduanzihuoerzujianzhong,zaiyuanlishangsuirankeyimianchushuruduanzidianyadeyingxiang,danshijishangjishizaiwucichangshi,yeyouqiyinyuzujianxingzhuangzhibupinghengdengyinsuzhibupinghengdianyacunzai。

(a)3腳組件(b)4腳組件(c)5腳組件
圖2霍爾組件使用方法
[page]
種類及接法
構造:
無鐵心型
鐵心型
測試用探針霍爾集成電路
接法:
三端子組件
四端子組件
五端子組件
用途
霍爾組件有下列三種用法:
(A)事先使一定電流流過霍爾組件,用以檢出磁場或變換成磁場的其它物理量的方法。
(B)利用組件的電流、磁場及作為其變量的該兩種量的乘法作用的方法。
(C)利用非相反性(即ji在zai一yi定ding磁ci場chang中zhong,使shi與yu輸shu入ru端duan子zi通tong以yi電dian流liu時shi所suo得de的de輸shu出chu同tong方fang向xiang的de電dian流liu流liu過guo輸shu出chu端duan子zi時shi,在zai輸shu入ru端duan子zi會hui產chan生sheng與yu最zui初chu的de電dian壓ya反fan方fang向xiang的de霍huo爾er電dian壓ya的de現xian象xiang)的de方fang法fa。上shang述shu各ge種zhong使shi用yong方fang法fa的de具ju體ti例li參can照zhao前qian述shu磁ci電dian變bian換huan組zu件jian的de用yong途tu的de項xiang所suo述shu。在zai這zhe些xie具ju體ti例li中zhong,有you不bu少shao在zai組zu件jian的de靈ling敏min度du及ji溫wen度du特te性xing上shang,霍huo爾er組zu件jian形xing成cheng1匝(Turn)的線圈有妨礙而難以符合實用。但利用霍爾探針測定磁場因屬於比較簡便的用法,已經定型,另外例如無電刷馬達(霍爾馬達)開關等也逐漸進入實用的階段,磁頭的製造也有人嚐試過。
霍爾元件供電

圖3定電壓驅動之一

圖4定電壓驅動之二

圖5定電流驅動之一[page]

圖6定電流驅動之二

圖7霍爾傳感器不平衡調整方法
在一個結晶片中形成有霍爾組件及放大並控製其輸出電壓的電路而具有磁場─電氣變換機能的固態組件稱為霍爾集成電路。
外觀構造
如圖2-19所示,具有與樹脂封閉型晶體管、集成電路等相同的構造,即多半呈現在大小5mm見方、厚3mm以下的角形或長方形板狀組件上附設四根導線的構造。導線係由金屬薄片所形成,各個金屬薄片上均附有半導體結晶片(通常為矽芯片),而er在zai結jie晶jing體ti中zhong利li用yong集ji成cheng電dian路lu技ji術shu形xing成cheng有you霍huo爾er組zu件jian及ji信xin號hao處chu理li電dian路lu。為wei防fang止zhi整zheng個ge組zu件jian性xing能neng的de劣lie化hua,通tong常chang利li用yong樹shu脂zhi加jia以yi封feng閉bi,另ling外wai為wei了le使shi磁ci場chang的de施shi加jia容rong易yi起qi見jian,其qi厚hou度du也ye盡jin量liang減jian薄bo。

圖8霍爾集成電路的構造
作用原理
磁場強度可利用形成在結晶片的一部份的霍爾組件變換成電氣信號(參照前述霍爾組件的作用原理)。結晶通常使用半導體矽,霍爾組件的磁場靈敏度為10~20mV/K.Oe。cixinhaojingxingchengzaitongyijiejingzhongdexinhaochulidianlufangdahou,zuoweishihesuodingmudedexinhaodianyabeiquchu。tongchangsigendaoxianzhongdelianggenlianjieyuyifangjiedidedianyuan,ercongshengxiadelianggendeyigenquchuzhengjixingdexinhaodianya,bingconglingyigenquchufujixingdexinhaodianya。huoerzujiandeshurudianzutongchangxufuhexinhaochulidianludedianyuan,yibiankeliyongdingdianyashiyonghuoerzujian。cishizujiandeshuchudianyabuguanzaiN型或P型均無大差異。又因輸出電壓與電子或正孔的移動度成正比,故溫度特性也應該盡量保持一定,這是與單體霍爾組件不同的地方。
種類:
依輸出信號的性質加以分類時如表1所示。如圖9所示,線性型(Lineartype)huoerjichengdianlukeyihuodeyucichangqiangduchengzhengbideshuchudianya。cichanglingmindusuirankeliyongdianludefangdadujiayitiaojie,danzaigaolingmindushi,bilifanweihuibianzhai(雖電源5V使靈敏度達到10mV/Oe,但比例範圍在500Oe以下)。

表1依輸出電壓分類時的種類

(a)線性型(b)開關型
圖9霍爾集成電路的輸出特性
[page]
開關型霍爾集成電路可在一定範圍的磁場中獲得ON-OFF的電壓,此開關型對磁場的磁滯(Hysteresis)現象,乃是為使開關動作更為霍爾集成電路線性型確實起見而故意如此設計的。
依照製造方法加以分類時如表2所示,但任何一種製造方法雖然均可獲得同樣的特性,在現階段中,雙極性型霍爾集成電路已開始進入商品化的階段。

表2依製造方法分類時的種類
用途
霍爾集成電路通常使用於前述磁電變換組件的項所述的(A-1)、(A-2)範圍的用途,在這些用途的中,特別像開關那樣,以磁氣為媒介將位置的變化、速度、回轉等的物理量變換為電氣量時,使用起來非常簡單。使用霍爾集成電路的開關係如圖2-21所示,這種開關具有:(1)無震動(Chattering),(2)不生雜音,(3)使用壽命長,可靠度高,(4)響應速度快等特征,已經實際被使用作為高級的鍵盤用開關。

圖10使用霍爾集成電路的開關
圖11是A44E集成霍耳開關,A44E集成霍耳開關由穩壓器A、霍耳電勢發生器(即矽霍耳片)(mT)、差分放大器C、施密特觸發器D和OC門輸出E五個基本部分組成,如圖12(a)所示。(1)、(2)、(3)代表集成霍耳開關的三個引出端點。在輸入端輸入電壓VCC,經(jing)穩(wen)壓(ya)器(qi)穩(wen)壓(ya)後(hou)加(jia)在(zai)霍(huo)耳(er)電(dian)勢(shi)發(fa)生(sheng)器(qi)的(de)兩(liang)端(duan),根(gen)據(ju)霍(huo)耳(er)效(xiao)應(ying)原(yuan)理(li),當(dang)霍(huo)耳(er)片(pian)處(chu)在(zai)磁(ci)場(chang)中(zhong)時(shi),在(zai)垂(chui)直(zhi)於(yu)磁(ci)場(chang)的(de)方(fang)向(xiang)通(tong)以(yi)電(dian)流(liu),則(ze)與(yu)這(zhe)二(er)者(zhe)相(xiang)垂(chui)直(zhi)的(de)方(fang)向(xiang)上(shang)將(jiang)會(hui)產(chan)生(sheng)霍(huo)耳(er)電(dian)勢(shi)差(cha)HV輸出,該HV信號經放大器放大後送至施密特觸發器整形,使其成為方波輸送到OC門輸出。
當施加的磁場達到工作點(即BOP)時,觸發器輸出高電壓(相對於地電位),使三極管導通,此時OC門輸出端輸出低電壓,通常稱這種狀態為開。當施加的磁場達到釋放點(即BrP)時,觸發器輸出低電壓,三極管截止,使OC門輸出高電壓,這種狀態為關。這樣兩次電壓變換,使霍耳開關完成了一次開關動作。BOP與BrP的差值一定,此差值BH=BOP-BrP稱為磁滯,在此差值內,V0保持不變,因而使開關輸出穩定可靠,這也就是集電成霍耳開關傳感器優良特性之一。

圖11A44E集成開關型霍耳傳感器原理圖

圖12A44E集成開關型霍耳傳感器引腳圖

霍爾轉速傳感器應用電路
特別推薦
- 噪聲中提取真值!瑞盟科技推出MSA2240電流檢測芯片賦能多元高端測量場景
- 10MHz高頻運行!氮矽科技發布集成驅動GaN芯片,助力電源能效再攀新高
- 失真度僅0.002%!力芯微推出超低內阻、超低失真4PST模擬開關
- 一“芯”雙電!聖邦微電子發布雙輸出電源芯片,簡化AFE與音頻設計
- 一機適配萬端:金升陽推出1200W可編程電源,賦能高端裝備製造
技術文章更多>>
- 三星上演罕見對峙:工會集會討薪,股東隔街抗議
- 摩爾線程實現DeepSeek-V4“Day-0”支持,國產GPU適配再提速
- 築牢安全防線:智能駕駛邁向規模化應用的關鍵挑戰與破局之道
- GPT-Image 2:99%文字準確率,AI生圖告別“鬼畫符”
- 機器人馬拉鬆的勝負手:藏在主板角落裏的“時鍾戰爭”
技術白皮書下載更多>>
- 車規與基於V2X的車輛協同主動避撞技術展望
- 數字隔離助力新能源汽車安全隔離的新挑戰
- 汽車模塊拋負載的解決方案
- 車用連接器的安全創新應用
- Melexis Actuators Business Unit
- Position / Current Sensors - Triaxis Hall
熱門搜索
鑒頻器
江蘇商絡
交流電機
腳踏開關
接觸器接線
接近開關
接口IC
介質電容
介質諧振器
金屬膜電阻
晶體濾波器
晶體諧振器
晶體振蕩器
晶閘管
精密電阻
精密工具
景佑能源
聚合物電容
君耀電子
開發工具
開關
開關電源
開關電源電路
開關二極管
開關三極管
科通
可變電容
可調電感
可控矽
空心線圈

