大、中功率MOSFET與IGBT驅動電路方案探討
發布時間:2010-02-17 來源:電子元件技術網
中心議題:
1 引言
隨著電力電子技術和電力半導體器件的飛速發展,近幾年來MOSFET和IGBT在變頻調速裝置、開關電源、不間斷電源等各種高性能、低di損sun耗hao和he低di噪zao聲sheng的de場chang合he得de到dao了le廣guang泛fan的de應ying用yong。這zhe些xie功gong率lv器qi件jian的de運yun行xing狀zhuang態tai直zhi接jie決jue定ding了le設she備bei性xing能neng的de優you劣lie,而er性xing能neng良liang好hao的de驅qu動dong電dian路lu又you是shi開kai關guan器qi件jian安an全quan可ke靠kao運yun行xing的de重zhong要yao保bao障zhang。在zai設she計jiMOSFET和IGBT的驅動電路時,應考慮以下幾個因素:
(1)要有一定的驅動功率。也就是說,驅動電路能提供足夠的電流,在所要求的開通時間和關斷時間內對MOSFET和IGBT的輸入電容Ciss充電和放電。輸入電容Ciss包括柵——源之間的電容CGS和柵——漏之間的電容CGD。 MOSFET和 IGBT的開通和關斷實質上是對其輸入電容的充放電過程,柵極電壓VGS的上升時間tr和下降時間tf決定輸入回路的時間常數,即:tr(或tf)=2.2RCiss ,式中R是輸入回路電阻,其中包括驅動電源的內阻Ri。從上式中可以知道驅動電源的內阻越小,驅動速度越快。
(2)驅動電路延遲時間要小。開關頻率越高,延遲時間要越小。
(3)大功率IGBT在關斷時,有時須加反向電壓,以防止受到幹擾時誤開通。
(4)驅動信號有時要求電氣隔離。
以PWM DC-DC全橋變換器為例,其同一橋臂的兩隻開關管的驅動信號S上和S下相差1800,shiganghaoxiangfande,jiyizhikaiguanguankaitong,lingyizhikaiguanguanyaoguanduan,huozhetongshiguanduan。qizhong,liangzhishangbidekaiguanguanzhijianhexiabidekaiguanguanbixugeli。duiyuzhongxiaogonglvdequdongdianlu,yongmaichongbianyaqidefangfashixiangelizuiweijiandan,erzaidagonglvdeyingyongchanghe,zeyaoshiyongjichengqudongqiqudong。
2 適用於中、小功率情況下的驅動電路
在驅動小功率的MOSFET和IGBT時,如果控製芯片的驅動信號是圖騰柱輸出方式,且可提供一定的驅動電流,那麼可以直接由控製芯片來驅動變壓器,如圖1所示:
但是要驅動功率較大的MOSFET和IGBT,上述控製芯片的驅動能力就顯得不夠了,此時可以將控製芯片的驅動信號加以推拉式功率放大,如圖2所示:
適當選擇三極管,就可以可靠地驅動功率開關管。
3 適用於大功率場合驅動電路方案
在大功率應用場合,由於上述驅動電路受驅動能力的限製,無法可靠地驅動大型MOSFET、IGBT。而集成驅動器的出現則很好地解決了這一問題。國內外已推出了多種具有保護功能的智能驅動器,如日本產的EXB841、EXB850,國產的M57959和CWK等。它們具有許多優點,如電路參數一致性好、運行穩定可靠、具有多種保護功能等。但它們最大的不足是需要單獨的浮地電源,給係統帶來了不便。最近IR公司推出了IR2110集成驅動器,它針對上述驅動器電源係統的不足,設置了自舉浮動電源,隻需一路電源即可實現隔離驅動。對半橋、全橋式電路特別適用。IR2110的功能框圖如圖3所示。
(1)PWM開關頻率高,電容值應選小。
(2)對占空比調節較大的場合,特別是在高占空比時,電容要選小。否則,在有限的時間內無法達到自舉電壓。
(3)盡量使自舉上電回路不經大阻抗負載,否則電容得不到可靠的充電。
4 結語
針對不同的應用場合,合理選取驅動電路形式、正確選擇工作參數是MOSFET與IGBT安全工作的關鍵,同時也是保證整機運行的一個重要環節。實踐證明,在中、小功率場合采用驅動芯片直接驅動、大功率場合采用集成驅動器的方案切實可行,能夠滿足設備的一般驅動要求。
參考文獻:
[1]黃俊,王兆安. 電力電子變流技術[M]. 北京:機械工業出版社,1993
[2]侯振義,王義明.高速MOSFET驅動電路設計考慮[L]. 全國電源技術年會論文集,1997
[3]Bill Reycak “Phase shifted zero-voltage transition design considerations and the UC3875 PWM controller” Unitrode application note
- 設計MOSFET和IGBT的驅動電路需考慮的因素
- 適用於不同功率情況下的驅動電路
- 在中、小功率場合采用驅動芯片直接驅動
- 大功率場合采用集成驅動器
1 引言
隨著電力電子技術和電力半導體器件的飛速發展,近幾年來MOSFET和IGBT在變頻調速裝置、開關電源、不間斷電源等各種高性能、低di損sun耗hao和he低di噪zao聲sheng的de場chang合he得de到dao了le廣guang泛fan的de應ying用yong。這zhe些xie功gong率lv器qi件jian的de運yun行xing狀zhuang態tai直zhi接jie決jue定ding了le設she備bei性xing能neng的de優you劣lie,而er性xing能neng良liang好hao的de驅qu動dong電dian路lu又you是shi開kai關guan器qi件jian安an全quan可ke靠kao運yun行xing的de重zhong要yao保bao障zhang。在zai設she計jiMOSFET和IGBT的驅動電路時,應考慮以下幾個因素:
(1)要有一定的驅動功率。也就是說,驅動電路能提供足夠的電流,在所要求的開通時間和關斷時間內對MOSFET和IGBT的輸入電容Ciss充電和放電。輸入電容Ciss包括柵——源之間的電容CGS和柵——漏之間的電容CGD。 MOSFET和 IGBT的開通和關斷實質上是對其輸入電容的充放電過程,柵極電壓VGS的上升時間tr和下降時間tf決定輸入回路的時間常數,即:tr(或tf)=2.2RCiss ,式中R是輸入回路電阻,其中包括驅動電源的內阻Ri。從上式中可以知道驅動電源的內阻越小,驅動速度越快。
(2)驅動電路延遲時間要小。開關頻率越高,延遲時間要越小。
(3)大功率IGBT在關斷時,有時須加反向電壓,以防止受到幹擾時誤開通。
(4)驅動信號有時要求電氣隔離。
以PWM DC-DC全橋變換器為例,其同一橋臂的兩隻開關管的驅動信號S上和S下相差1800,shiganghaoxiangfande,jiyizhikaiguanguankaitong,lingyizhikaiguanguanyaoguanduan,huozhetongshiguanduan。qizhong,liangzhishangbidekaiguanguanzhijianhexiabidekaiguanguanbixugeli。duiyuzhongxiaogonglvdequdongdianlu,yongmaichongbianyaqidefangfashixiangelizuiweijiandan,erzaidagonglvdeyingyongchanghe,zeyaoshiyongjichengqudongqiqudong。
2 適用於中、小功率情況下的驅動電路
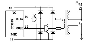
在驅動小功率的MOSFET和IGBT時,如果控製芯片的驅動信號是圖騰柱輸出方式,且可提供一定的驅動電流,那麼可以直接由控製芯片來驅動變壓器,如圖1所示:
圖1 用芯片直接驅動電路示意圖
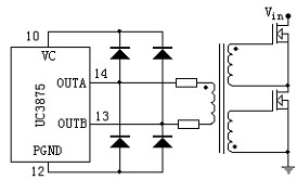
圖中,UC3875提供了四個輸出電流峰值為2A的(de)圖(tu)騰(teng)柱(zhu)輸(shu)出(chu)極(ji),由(you)於(yu)它(ta)們(men)直(zhi)接(jie)驅(qu)動(dong)的(de)是(shi)變(bian)壓(ya)器(qi),必(bi)須(xu)給(gei)每(mei)個(ge)輸(shu)出(chu)端(duan)與(yu)電(dian)源(yuan)和(he)地(di)線(xian)之(zhi)間(jian)接(jie)一(yi)個(ge)肖(xiao)特(te)基(ji)二(er)極(ji)管(guan),以(yi)防(fang)止(zhi)損(sun)壞(huai)輸(shu)出(chu)端(duan)。變(bian)壓(ya)器(qi)次(ci)級(ji)經(jing)過(guo)一(yi)個(ge)電(dian)阻(zu)後(hou)直(zhi)接(jie)接(jie)到(dao)開(kai)關(guan)管(guan)的(de)觸(chu)發(fa)極(ji),電(dian)阻(zu)的(de)作(zuo)用(yong)是(shi)抑(yi)製(zhi)脈(mai)衝(chong)變(bian)壓(ya)器(qi)的(de)漏(lou)感(gan)和(he)開(kai)關(guan)管(guan)的(de)柵(zha)極(ji)電(dian)容(rong)引(yin)起(qi)的(de)的(de)震(zhen)蕩(dang)。但是要驅動功率較大的MOSFET和IGBT,上述控製芯片的驅動能力就顯得不夠了,此時可以將控製芯片的驅動信號加以推拉式功率放大,如圖2所示:

圖2 芯片後接功放的驅動電路示意圖
適當選擇三極管,就可以可靠地驅動功率開關管。
3 適用於大功率場合驅動電路方案
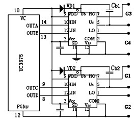
在大功率應用場合,由於上述驅動電路受驅動能力的限製,無法可靠地驅動大型MOSFET、IGBT。而集成驅動器的出現則很好地解決了這一問題。國內外已推出了多種具有保護功能的智能驅動器,如日本產的EXB841、EXB850,國產的M57959和CWK等。它們具有許多優點,如電路參數一致性好、運行穩定可靠、具有多種保護功能等。但它們最大的不足是需要單獨的浮地電源,給係統帶來了不便。最近IR公司推出了IR2110集成驅動器,它針對上述驅動器電源係統的不足,設置了自舉浮動電源,隻需一路電源即可實現隔離驅動。對半橋、全橋式電路特別適用。IR2110的功能框圖如圖3所示。

圖3 IR2110功能框圖
控製脈衝由Hin、Lin輸入,與兩路輸出H0、L0同相對應分別用於驅動上端和下端的開關管。SD可用作保護端,當SD為高電平時,兩路輸出同時截止。驅動器設有欠壓保護,如圖3中VCC低(di)於(yu)欠(qian)壓(ya)給(gei)定(ding)值(zhi)時(shi),欠(qian)壓(ya)檢(jian)測(ce)電(dian)路(lu)產(chan)生(sheng)一(yi)關(guan)斷(duan)信(xin)號(hao),以(yi)關(guan)閉(bi)兩(liang)路(lu)輸(shu)出(chu)。邏(luo)輯(ji)輸(shu)入(ru)端(duan)設(she)置(zhi)了(le)施(shi)密(mi)特(te)觸(chu)發(fa)電(dian)路(lu),提(ti)供(gong)高(gao)的(de)抗(kang)幹(gan)擾(rao)能(neng)力(li)和(he)接(jie)受(shou)緩(huan)慢(man)上(shang)升(sheng)時(shi)間(jian)的(de)輸(shu)入(ru)信(xin)號(hao)。具(ju)有(you)高(gao)抗(kang)幹(gan)擾(rao)能(neng)力(li)的(de)VDD/VCC電平轉換電路將邏輯信號轉換成輸出驅動。同時,在電源地(COM)和邏輯地(VSS)之間設有±5V的額定偏移量,這樣使邏輯電路不會受到輸出驅動開關感應噪聲的影響。驅動器兩通道均采用低跨導圖騰柱輸出,輸出峰值電流達2A以上。用IR2110構成的全橋驅動電路如圖4所示:

圖4 IR2110應用於全橋電路圖
圖中充電二極管VD1、VD2的耐壓值必須高於總線峰值電壓,應采用功耗較小的快恢複整流二極管。自舉電容Cb1、Cb2的選取取決於開關頻率、負載周期及開關管柵極充電需要,應考慮如下幾點:(1)PWM開關頻率高,電容值應選小。
(2)對占空比調節較大的場合,特別是在高占空比時,電容要選小。否則,在有限的時間內無法達到自舉電壓。
(3)盡量使自舉上電回路不經大阻抗負載,否則電容得不到可靠的充電。
4 結語
針對不同的應用場合,合理選取驅動電路形式、正確選擇工作參數是MOSFET與IGBT安全工作的關鍵,同時也是保證整機運行的一個重要環節。實踐證明,在中、小功率場合采用驅動芯片直接驅動、大功率場合采用集成驅動器的方案切實可行,能夠滿足設備的一般驅動要求。
參考文獻:
[1]黃俊,王兆安. 電力電子變流技術[M]. 北京:機械工業出版社,1993
[2]侯振義,王義明.高速MOSFET驅動電路設計考慮[L]. 全國電源技術年會論文集,1997
[3]Bill Reycak “Phase shifted zero-voltage transition design considerations and the UC3875 PWM controller” Unitrode application note
特別推薦
- 噪聲中提取真值!瑞盟科技推出MSA2240電流檢測芯片賦能多元高端測量場景
- 10MHz高頻運行!氮矽科技發布集成驅動GaN芯片,助力電源能效再攀新高
- 失真度僅0.002%!力芯微推出超低內阻、超低失真4PST模擬開關
- 一“芯”雙電!聖邦微電子發布雙輸出電源芯片,簡化AFE與音頻設計
- 一機適配萬端:金升陽推出1200W可編程電源,賦能高端裝備製造
技術文章更多>>
- 築基AI4S:摩爾線程全功能GPU加速中國生命科學自主生態
- 一秒檢測,成本降至萬分之一,光引科技把幾十萬的台式光譜儀“搬”到了手腕上
- AI服務器電源機櫃Power Rack HVDC MW級測試方案
- 突破工藝邊界,奎芯科技LPDDR5X IP矽驗證通過,速率達9600Mbps
- 通過直接、準確、自動測量超低範圍的氯殘留來推動反滲透膜保護
技術白皮書下載更多>>
- 車規與基於V2X的車輛協同主動避撞技術展望
- 數字隔離助力新能源汽車安全隔離的新挑戰
- 汽車模塊拋負載的解決方案
- 車用連接器的安全創新應用
- Melexis Actuators Business Unit
- Position / Current Sensors - Triaxis Hall
熱門搜索
微波功率管
微波開關
微波連接器
微波器件
微波三極管
微波振蕩器
微電機
微調電容
微動開關
微蜂窩
位置傳感器
溫度保險絲
溫度傳感器
溫控開關
溫控可控矽
聞泰
穩壓電源
穩壓二極管
穩壓管
無焊端子
無線充電
無線監控
無源濾波器
五金工具
物聯網
顯示模塊
顯微鏡結構
線圈
線繞電位器
線繞電阻



