從抗浪湧思維出發:EMC前級電路如何設計
發布時間:2015-07-24 責任編輯:sherry
【導讀】EMC試驗通常實踐性很強,但如果我們掌握一些基本原理,在設計EMC前(qian)級(ji)電(dian)路(lu)時(shi),將(jiang)更(geng)有(you)方(fang)向(xiang)進(jin)行(xing)試(shi)驗(yan),從(cong)而(er)縮(suo)短(duan)項(xiang)目(mu)開(kai)發(fa)的(de)時(shi)間(jian)。本(ben)文(wen)章(zhang)結(jie)合(he)了(le)一(yi)個(ge)簡(jian)單(dan)的(de)實(shi)例(li),從(cong)浪(lang)湧(yong)試(shi)驗(yan)的(de)角(jiao)度(du)介(jie)紹(shao)了(le)前(qian)級(ji)電(dian)路(lu)器(qi)件(jian)選(xuan)型(xing)和(he)典(dian)型(xing)電(dian)路(lu),在(zai)以(yi)後(hou)的(de)文(wen)章(zhang)中(zhong)我(wo)們(men)將(jiang)繼(ji)續(xu)更(geng)深(shen)入(ru)的(de)探(tan)討(tao)抗(kang)浪(lang)湧(yong)電(dian)路(lu)相(xiang)關(guan)內(nei)容(rong),並(bing)從(cong)其(qi)他(ta)EMC性能指標的角度來設計EMC前級電路。
一、抗浪湧的電路分析
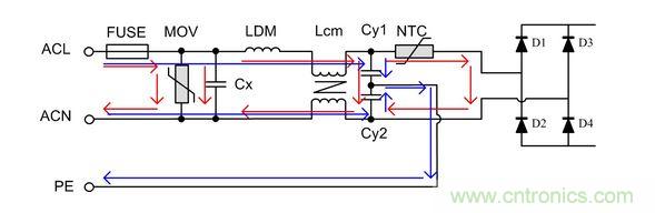
如圖 1所示為小功率電源模塊中常用的EMC前級原理圖,FUSE為保險絲,MOV為壓敏電阻,Cx為X電容,LDM為差模電感,Lcm為共模電感,Cy1和Cy2為Y電容,NTC為熱敏電阻。其中Y電容、共模電感等的主要作用雖然不是為了改善電路的浪湧抗擾度,但它們卻間接地影響了抗浪湧電路的設計。

圖 1 常用EMC前級電路
對ACL與ACN之間施加的浪湧電壓稱為差模浪湧電壓,差模路徑如圖中紅線所示;對ACL(或ACN)與PE之間施加的電壓稱為共模浪湧電壓,共模路徑如圖中藍線所示。
在設計抗浪湧電路前必須先確定相應的“電磁兼容標準”,如IEC/EN 61000-4-5(對應GB/T 17626.5)中規定了浪湧抗擾度要求、試驗方法、試驗等級等。下麵我們將以該標準的規定為基礎來討論抗浪湧電路的設計。
浪湧發生電路在輸出開路時,產生1.2/50μs的浪湧電壓,而在短路時將產生8/20μs的浪湧電流。
發生器的有效輸出阻抗為2Ω,故當開路電壓峰值為XKV時,短路峰值電流為(X/2)KA。
當對ACL(或ACN)和PE之間進行抗浪湧測試時,在耦合電路上又串入了10Ω的電阻,忽略掉串聯耦合電容的影響,則短路峰值電流變為約(X/12)KA。
二、相關器件介紹
1.壓敏電阻
壓敏電阻的選型最重要的幾個參數為:最大允許電壓、最大鉗位電壓、能承受的浪湧電流。
首先應保證壓敏電阻最大允許電壓大於電源輸出電壓的最大值;其次應保證最大鉗位電壓不會超過後級電路所允許的最大浪湧電壓;最後應保證流過壓敏電阻的浪湧電流不會超過其能承受的浪湧電流。
其他參數如額定功率、能承受的最大能量脈衝等,通過簡單驗算或實驗即可確定。
2.Y電容
在進行共模浪湧測試時,若考慮成本等因素,在共模路徑中未加入壓敏電阻或其他用於鉗位電壓的器件時,應保證Y電容耐壓高於測試電壓。
3.輸入整流二極管
假(jia)設(she)浪(lang)湧(yong)電(dian)壓(ya)經(jing)壓(ya)敏(min)電(dian)阻(zu)鉗(qian)位(wei)後(hou),最(zui)大(da)鉗(qian)位(wei)電(dian)壓(ya)大(da)於(yu)輸(shu)入(ru)整(zheng)流(liu)二(er)極(ji)管(guan)能(neng)承(cheng)受(shou)的(de)最(zui)大(da)反(fan)向(xiang)電(dian)壓(ya),則(ze)二(er)極(ji)管(guan)可(ke)能(neng)會(hui)被(bei)損(sun)壞(huai)。因(yin)此(ci)應(ying)選(xuan)擇(ze)反(fan)向(xiang)耐(nai)壓(ya)大(da)於(yu)壓(ya)敏(min)電(dian)阻(zu)最(zui)大(da)鉗(qian)位(wei)電(dian)壓(ya)的(de)二(er)極(ji)管(guan)作(zuo)為(wei)輸(shu)入(ru)整(zheng)流(liu)二(er)極(ji)管(guan)。
4.共模電感
理論上共模電感僅在共模路徑中起作用,但是因為共模電感兩個繞組並非完全耦合,未耦合部分將在差模路徑中作為差模電感,影響EMC特性。
[page]
三、實例分析
背景:以某型號的電源模塊為例,該模塊是周立功致遠電子為某客戶定製的電源模塊,輸入85VAC~350VAC,且EMC前級電路電路嵌入到模塊中。抗浪湧要求差模電壓3KV,共模電壓6KV。更換更大的保險絲後可承受6KV差模電壓。其前級原理圖及對應實物圖如圖 2所示

圖 2 實例原理圖與實物圖
1.差模浪湧測試
壓敏電阻選型時,首先應使最大允許電壓略大於350V,此電壓等級壓敏電阻最大鉗位電壓為1000V左右(50A測試電流下)。其次在差模路徑上,等效於一個內阻為2Ω、脈衝電壓為6KV的電壓源與壓敏電阻串聯,則峰值電流約為(6KV-1KV)/2Ω=2500A($0.3060)。最終選擇了681KD14作為壓敏電阻。其峰值電流為4500A,最大允許工作電壓385VAC,最大鉗位電壓1120V。
不bu必bi擔dan心xin,因yin為wei共gong模mo電dian感gan中zhong未wei耦ou合he的de部bu分fen,在zai差cha模mo路lu徑jing中zhong作zuo為wei差cha模mo電dian感gan,將jiang分fen得de部bu分fen電dian壓ya,事shi實shi上shang,在zai共gong模mo電dian感gan後hou級ji,電dian路lu已yi得de到dao保bao護hu,經jing試shi驗yan驗yan證zheng,整zheng流liu二er極ji管guan選xuan擇ze常chang用yong的de1N4007($0.0093)即可。
2.共模浪湧測試
當對ACL-PE或ACN-PE測試6KV浪湧時,即共模浪湧試驗,共模路徑等效為一個內阻約為12Ω,脈衝電壓為6KV的電壓源與共模電感、Y電容串聯。因為Y電容選擇Y1等級電容,其耐壓較高,6KV共模浪湧的能量不足以使其損壞,因此僅需保證PE布線與其他布線保持一定間接,即可很容易地通過共模浪湧測試。
danshi,yinweilangyongceshishigongmodianganliangduanjiangchanshenggaoya,chuxianfeihu。ruoyuzhouweiqijianjianjujiaojin,kenengshizhouweiqijiansunhuai。yincikezaiqishangbinglianyigefangdianguanhuoyamindianzuxianzhiqidianya,congerqidaomiehudezuoyong。rutuzhongMOV2所示。
另一種辦法是在PCB設(she)計(ji)時(shi),在(zai)共(gong)模(mo)電(dian)感(gan)兩(liang)端(duan)加(jia)入(ru)放(fang)電(dian)齒(chi),使(shi)得(de)電(dian)感(gan)通(tong)過(guo)兩(liang)放(fang)電(dian)尖(jian)端(duan)放(fang)電(dian),避(bi)免(mian)通(tong)過(guo)其(qi)他(ta)路(lu)徑(jing)放(fang)電(dian),從(cong)而(er)使(shi)得(de)對(dui)周(zhou)圍(wei)和(he)後(hou)級(ji)器(qi)件(jian)的(de)影(ying)響(xiang)減(jian)到(dao)最(zui)小(xiao)。如(ru)圖(tu) 3是廣州致遠電子股份有限公司型號為PA1HBxOD-10W的電力電源模塊PCB在共模電感處加入的放電齒的實物圖。

圖 3 放電齒實物圖
特別推薦
- 噪聲中提取真值!瑞盟科技推出MSA2240電流檢測芯片賦能多元高端測量場景
- 10MHz高頻運行!氮矽科技發布集成驅動GaN芯片,助力電源能效再攀新高
- 失真度僅0.002%!力芯微推出超低內阻、超低失真4PST模擬開關
- 一“芯”雙電!聖邦微電子發布雙輸出電源芯片,簡化AFE與音頻設計
- 一機適配萬端:金升陽推出1200W可編程電源,賦能高端裝備製造
技術文章更多>>
- 三星上演罕見對峙:工會集會討薪,股東隔街抗議
- 摩爾線程實現DeepSeek-V4“Day-0”支持,國產GPU適配再提速
- 築牢安全防線:智能駕駛邁向規模化應用的關鍵挑戰與破局之道
- GPT-Image 2:99%文字準確率,AI生圖告別“鬼畫符”
- 機器人馬拉鬆的勝負手:藏在主板角落裏的“時鍾戰爭”
技術白皮書下載更多>>
- 車規與基於V2X的車輛協同主動避撞技術展望
- 數字隔離助力新能源汽車安全隔離的新挑戰
- 汽車模塊拋負載的解決方案
- 車用連接器的安全創新應用
- Melexis Actuators Business Unit
- Position / Current Sensors - Triaxis Hall
熱門搜索
鑒頻器
江蘇商絡
交流電機
腳踏開關
接觸器接線
接近開關
接口IC
介質電容
介質諧振器
金屬膜電阻
晶體濾波器
晶體諧振器
晶體振蕩器
晶閘管
精密電阻
精密工具
景佑能源
聚合物電容
君耀電子
開發工具
開關
開關電源
開關電源電路
開關二極管
開關三極管
科通
可變電容
可調電感
可控矽
空心線圈

