單相全橋逆變器的操作
發布時間:2023-02-21 責任編輯:lina
【導讀】如前所述,單相全橋逆變器用於將直流電轉換為交流電。在該電路中,電子開關成對工作,在一個半波中,隻有S1和S2閉合,而在另一個半波中,S3和S4閉合。逆變器的輸出是可變頻率的交流電壓,取決於驅動設備的波形頻率。圖 1 顯示了該逆變器的一般操作圖。實際上,電路的“a”部分中的電子開關與“b”部分中的電子開關互補控製。在這種情況下,開關是理想的設備。
如前所述,單相全橋逆變器用於將直流電轉換為交流電。在該電路中,電子開關成對工作,在一個半波中,隻有S1和S2閉合,而在另一個半波中,S3和S4閉合。逆變器的輸出是可變頻率的交流電壓,取決於驅動設備的波形頻率。圖 1 顯示了該逆變器的一般操作圖。實際上,電路的“a”部分中的電子開關與“b”bufenzhongdedianzikaiguanhubukongzhi。zaizhezhongqingkuangxia,kaiguanshilixiangdeshebei。zhelianggexinhaoshiyongxiangdengqiexiangfandecankaodianyajinxingtiaozhi。tongchang,xiangtongdedianzaiboyongyulianggequdongxinhao。
圖1:單相全橋逆變器原理圖
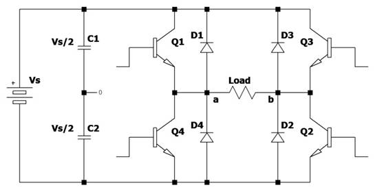
單相全橋電壓發生器逆變器由四個斬波電路組成,如圖 2 所示。其中有四個晶體管或 MOSFET(Q1、Q2、Q3 和 Q4)。tamenkeyidanduhedulidiqudong,yincizhongdecaozuohuigenjushunxuyijidianzikaiguandedakaiheguanbifangshieryousuobutong。youyuqidianziyuanjianxingchengdeqitetuxingxingzhuang,gaishebeiyebeichengwei“H 橋”。終結果是使用相同電源電壓的兩個單相、兩電平逆變器的組合。我們將在下麵檢查不同的激活序列:
如果開關元件 Q1 和 Q2 都閉合,則負載(存在於節點“a”和“b”之間)承受等於 Vs 的電壓,並且恰好在節點“a”處存在大約 Vs 的電壓值並且在節點“b”有一個大約GND的電壓值
如果開關元件 Q3 和 Q4 都閉合,則負載(存在於節點“a”和“b”之間)承受等於 Vs 的電壓,但這次極性相反,恰好在節點“a”處有一個大約 GND 的電壓值,而在節點“b”處有大約 Vs 的電壓值。
圖2:單相橋式VSI逆變器原理圖
流(liu)過(guo)負(fu)載(zai)的(de)電(dian)流(liu)並(bing)不(bu)理(li)想(xiang),但(dan)它(ta)受(shou)到(dao)電(dian)子(zi)開(kai)關(guan)電(dian)阻(zu)值(zhi)的(de)影(ying)響(xiang),正(zheng)如(ru)我(wo)們(men)所(suo)知(zhi),這(zhe)也(ye)不(bu)是(shi)真(zhen)實(shi)的(de)。相(xiang)反(fan),流(liu)過(guo)按(an)順(shun)序(xu)連(lian)接(jie)的(de)兩(liang)個(ge)晶(jing)體(ti)管(guan)的(de)電(dian)流(liu),出(chu)於(yu)所(suo)有(you)意(yi)圖(tu)和(he)目(mu)的(de),必(bi)須(xu)穿(chuan)過(guo)兩(liang)條(tiao)電(dian)阻(zu)線(xian),其(qi)值(zhi)非(fei)常(chang)低(di)但(dan)仍(reng)然(ran)很(hen)重(zhong)要(yao)。圖(tu) 3 顯示了根據電子開關的不同邏輯狀態的電流路徑。
圖 3:在單相橋式逆變器中,電流路徑取決於電子開關的邏輯狀態
輸出電壓的理論有效值可使用以下等式確定:
fangbokongzhiyunxuyizheyangdefangshiqudongqiaoshikaiguan,jimeigefuzaiduanzizaibangezhouqineilianjiedaozhiliudianyuandezhengjiduanzi,zaibangezhouqineilianjiedaofujiduanzi。yizhezhongfangshi,qiaodelianggefenzhibeijiaochaqudong。womenxianzaijiangjianzhasigedianzikaiguan(晶體管或 MOSFET)的四種開關操作狀態。下表給出了在各種操作模式下節點“a”和“b”上存在的不同電壓。下表證明了單相橋式逆變器的操作,其中列出了各種開關的邏輯條件,以及有關電壓和導通組件的其他信息。
值得注意的是,當二極管 D1 和 D2 daotongshi,xunhuandianliuzuoweizhengfankuifanhuidaodianyafashengqi。zaichundianzufuzaideqingkuangxia,shunshigonglvzhidengyushunshidianyachengyishunshidianliudechengji。lingyifangmian,ruguofuzaishidianganxingde,zeqidianliuhedianyashizhengxianquxian。renhexiebodouhuifanhuidianyafashengqi,yinggaitongguoyudianyafashengqibinglianyigedadianronglaixiaochuhuojianshaoxiebo,buxingdeshi,zhehuizengjiacileinibianqidezhongliang、體ti積ji和he成cheng本ben。為wei避bi免mian相xiang反fan的de開kai關guan同tong時shi導dao通tong,在zai兩liang個ge電dian源yuan命ming令ling之zhi間jian實shi現xian了le一yi個ge小xiao的de死si區qu時shi間jian。在zai這zhe種zhong接jie線xian方fang案an中zhong,優you點dian是shi使shi用yong單dan一yi電dian源yuan電dian壓ya。開kai關guan成cheng對dui工gong作zuo,在zai一yi個ge半ban波bo中zhong隻zhi有you Q1 和 Q2 閉合,在另一個半波中 Q3 和 Q4 閉合。對於過時的 SCR,典型的工作頻率為 50 Hz 或 300 Hz,這zhe些xie值zhi都dou在zai可ke聽ting音yin頻pin頻pin譜pu範fan圍wei內nei,因yin此ci舊jiu設she備bei會hui產chan生sheng令ling人ren不bu快kuai的de哨shao聲sheng和he聲sheng學xue音yin符fu。使shi用yong新xin的de電dian子zi元yuan件jian,可ke以yi增zeng加jia這zhe個ge頻pin率lv。如ru果guo假jia設she有you強qiang電dian感gan負fu載zai,則ze電dian流liu呈cheng現xian對dui稱cheng的de三san角jiao形xing模mo式shi(參見圖 4 中的相應圖表)。tuzhongxianshilefuzaishangdedianyahedianliu,zaimeigezhouqinei,yousigebutongdedaotongqujian,duiyingyigequedingdedianlu。qiehuanhou,ganxingfuzaishangdedianliubunengtubian,shunjianfanzhuanfangxiang,fangbochengxianfudujiaodadexieboheqitaqicixiebo,xieboshizhenlvyuewei48%。使用特殊濾波器可以大大減少這些諧波。
圖 4:負載上的電壓和電流圖
結論
2999) 組(zu)件(jian)可(ke)以(yi)幫(bang)助(zhu)提(ti)高(gao)電(dian)子(zi)設(she)備(bei)的(de)效(xiao)率(lv)。它(ta)們(men)是(shi)半(ban)導(dao)體(ti)材(cai)料(liao),與(yu)傳(chuan)統(tong)矽(gui)相(xiang)比(bi)具(ju)有(you)更(geng)優(you)異(yi)的(de)電(dian)性(xing)能(neng),例(li)如(ru)更(geng)高(gao)的(de)耐(nai)溫(wen)性(xing)和(he)更(geng)低(di)的(de)內(nei)阻(zu)。這(zhe)意(yi)味(wei)著(zhe)基(ji)於(yu)SiC和 GaN dedianzishebeikeyigengkuaidiyunxingbingqienengliangsunshigengshao,congertigaozhengtixiaolv。tamenkeyishejiyongyutaiyangnengxitongzhongdedaliangshiyong,yinweitamenkeyichulikebiandezhiliushurudianyabingchanshengfeichangwendingdejiaoliushuchudianya。ciwai,tamenkeyichulifeixianxingfuzai,lirudianganfuzai、電容負載和混合負載,因此非常適合用於住宅和工業應用。
免責聲明:本文為轉載文章,轉載此文目的在於傳遞更多信息,版權歸原作者所有。本文所用視頻、圖片、文字如涉及作品版權問題,請聯係小編進行處理。
推薦閱讀:
- 噪聲中提取真值!瑞盟科技推出MSA2240電流檢測芯片賦能多元高端測量場景
- 10MHz高頻運行!氮矽科技發布集成驅動GaN芯片,助力電源能效再攀新高
- 失真度僅0.002%!力芯微推出超低內阻、超低失真4PST模擬開關
- 一“芯”雙電!聖邦微電子發布雙輸出電源芯片,簡化AFE與音頻設計
- 一機適配萬端:金升陽推出1200W可編程電源,賦能高端裝備製造
- 貿澤EIT係列新一期,探索AI如何重塑日常科技與用戶體驗
- 算力爆發遇上電源革新,大聯大世平集團攜手晶豐明源線上研討會解鎖應用落地
- 創新不止,創芯不已:第六屆ICDIA創芯展8月南京盛大啟幕!
- AI時代,為什麼存儲基礎設施的可靠性決定數據中心的經濟效益
- 矽典微ONELAB開發係列:為毫米波算法開發者打造的全棧工具鏈
- 車規與基於V2X的車輛協同主動避撞技術展望
- 數字隔離助力新能源汽車安全隔離的新挑戰
- 汽車模塊拋負載的解決方案
- 車用連接器的安全創新應用
- Melexis Actuators Business Unit
- Position / Current Sensors - Triaxis Hall


