變頻器主電路和控製電路的接線流程
發布時間:2020-02-14 責任編輯:xueqi
【導讀】變頻器怎麼接線?變頻器主電路和控製電路接線流程是怎樣的?接下來本文將為大家一一介紹。
一、變頻器主電路的接線流程
1、當我們拿到變頻器,擠壓變頻器兩側凹槽,打開上蓋,取下擋線板,變頻器的R, S, T端子接電源線,U, V, W端子接電機線,地線符號處接地線。
2、我們將電源線的黃、綠、紅按照順序接到R, S, T端子處。

R, S, T端子接電源線
3、將電機線按照黃、綠、紅按照順序接到U, V, W端子處。

U, V, W端子接電機線
4、接線完成後,要注意檢查電源線、電機線是否接錯,端子壓接是帶牢靠,電源線、電機線有無老化、破損、漏接的情況,接線 完成後,安裝變頻器擋線板,安裝變頻器上蓋,打開電源開關給變頻器供電,變頻器顯示50HZ,變頻器可以正常操作了。
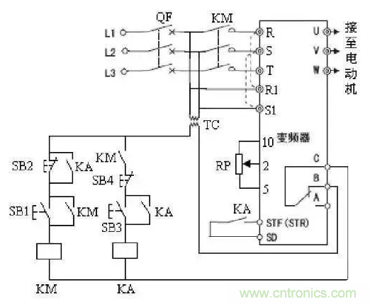
二、變頻器控製電路的接線流程
1、如圖所示,R是刹車電阻,R、S、T 分別是電源進線的輸入端子,變頻器輸出端子U、V、W是用來接到電動機上的。

典型的變頻器接線圖
2、S1是正轉端子,S2是反轉端子,S3是異常、停止端子,S5、S6、S7分別是多段速端子,R1A、R1B、R1C分別是故障常開、常閉與公共點,R2A與R2C是頻率檢出端子。
3、找到變頻器的控製端子,在外麵加裝2個中間繼電器,分別是KA1與KA2,接線方法如下圖所示,KA1工作時,變頻器正轉,KA2工作時,變頻器反轉,SB是複位按鈕,當有異常報警時,變頻器會停機,此時按下RST,可以消除報警,然後再重新啟動變頻器。

正反轉的接線方法
4、如果有電位器,接線方法如下圖所示,電位器的輸出分別接到變頻器的10、2、3個端子中,這個是輸出接模擬量輸入,當調節電位器的旋鈕時,變頻器的頻率會相應的跟著變化。

電位器的接線方法
變頻調速器怎麼接線?變頻調速器主電路和控製電路接線方法
一、主電路的接線
1、電源應接到變頻調速器輸入端R、S、T接線端子上,一定不能接到變頻調速器輸出端(U、V、W)shang,fouzejiangsunhuaibianpintiaosuqi。jiexianhou,lingsuixiantoubixuqingchuganjing,lingsuixiantoukenengzaochengyichang,shilingheguzhang,bixushizhongbaochibianpintiaosuqiqingjie。zaikongzhitaishangdakongshi,yaozhuyibuyaoshisuipianfenmodengjinrubianpintiaosuqizhong。
2、在端子+,PR間,不要連接除建議的製動電阻器選件以外的東西,或絕對不要短路。
3、電磁波幹擾,變頻調速器輸入/輸出(主回路)包含有諧波成分,可能幹擾變頻調速器附近的通訊設備。因此,安裝選件無線電噪音濾波器FR-BIF或FRBSF01或FR-BLF線路噪音濾波器,使幹擾降到最小。

4、長chang距ju離li布bu線xian時shi,由you於yu受shou到dao布bu線xian的de寄ji生sheng電dian容rong充chong電dian電dian流liu的de影ying響xiang,會hui使shi快kuai速su響xiang應ying電dian流liu限xian製zhi功gong能neng降jiang低di,接jie於yu二er次ci側ce的de儀yi器qi誤wu動dong作zuo而er產chan生sheng故gu障zhang。因yin此ci,最zui大da布bu線xian長chang度du要yao小xiao於yu規gui定ding值zhi。不bu得de已yi布bu線xian長chang度du超chao過guo時shi,要yao把baPr.156設為1。
5、在變頻調速器輸出側不要安裝電力電容器,浪湧抑製器和無線電噪音濾波器。否則將導致變頻調速器故障或電容和浪湧抑製器的損壞。
6、為使電壓降在2%以內,應使用適當型號的導線接線。變頻調速器和電動機間的接線距離較長時,特別是低頻率輸出情況下,會由於主電路電纜的電壓下降而導致電機的轉矩下降。
7、運行後,改變接線的操作,必須在電源切斷10min以上,用萬用表檢查電壓後進行。斷電後一段時間內,電容上仍然有危險的高壓電。
二、控製電路的接線
變頻調速器的控製電路大體可分為模擬和數字兩種。

1、控製電路端子的接線應使用屏蔽線或雙絞線,而且必須與主回路,強電回路(含200V繼電器程序回路)分開布線。
2、youyukongzhidianludepinlvshuruxinhaoshiweixiaodianliu,suoyizaijiedianshurudechanghe,weilefangzhijiechubuliang,weixiaoxinhaojiedianyingshiyonglianggebingliandejiedianhuoshiyongshuangshengjiedian。
3、控製回路的接線一般選用0.3~0.75平方米的電纜。
三、地線的接線
1、由於在變頻調速器內有漏電流,為了防止觸電,變頻調速器和電機必須接地。
2、變頻調速器接地用專用接地端子。接地線的連接,要使用鍍錫處理的壓接端子。擰緊螺絲時,注意不要將螺絲扣弄壞。
3、鍍錫中不含鉛。
4、接地電纜盡量用粗的線徑,必須等於或大於規定標準,接地點盡量靠近變頻調速器,接地線越短越好。

變頻調速器接線注意事項:
1、變頻調速器本身有較強的電磁幹擾,會幹擾一些設備的工作,因此我們可以在變頻調速器的輸出電纜上加上電纜套。
2、變頻調速器或控製櫃內的控製線距離動力電纜至少100mm等等。
3、在(zai)購(gou)買(mai)變(bian)頻(pin)調(tiao)速(su)器(qi)的(de)時(shi)候(hou)都(dou)會(hui)有(you)變(bian)頻(pin)調(tiao)速(su)器(qi)說(shuo)明(ming)書(shu)。如(ru)果(guo)沒(mei)有(you)的(de)話(hua),您(nin)可(ke)以(yi)上(shang)您(nin)所(suo)購(gou)買(mai)的(de)品(pin)牌(pai)的(de)網(wang)站(zhan)上(shang)去(qu)下(xia)載(zai)。變(bian)頻(pin)調(tiao)速(su)器(qi)說(shuo)明(ming)書(shu)上(shang)麵(mian)的(de)內(nei)容(rong)相(xiang)當(dang)詳(xiang)細(xi),包(bao)括(kuo)產(chan)品(pin)介(jie)紹(shao)、工作原理、安裝調試等等。
以上是基本的接線方法介紹,希望對廣大的電氣朋友,在變頻器的日常使用與維護時有幫助。
特別推薦
- 噪聲中提取真值!瑞盟科技推出MSA2240電流檢測芯片賦能多元高端測量場景
- 10MHz高頻運行!氮矽科技發布集成驅動GaN芯片,助力電源能效再攀新高
- 失真度僅0.002%!力芯微推出超低內阻、超低失真4PST模擬開關
- 一“芯”雙電!聖邦微電子發布雙輸出電源芯片,簡化AFE與音頻設計
- 一機適配萬端:金升陽推出1200W可編程電源,賦能高端裝備製造
技術文章更多>>
- e絡盟與Same Sky簽署全球分銷協議,拓展高性能元器件版圖
- 告別“偏色”煩惱:光譜傳感器如何重塑手機攝影的真實色彩
- 從“掃描”到“洞察”:Hyperlux ID iToF技術如何攻克30米測距極限
- 解鎖算力芯片的“速度密碼”:SmartDV全棧IP方案深度解析
- 發燒友福音!XMOS推出32段EQ調節與一鍵升頻功能
技術白皮書下載更多>>
- 車規與基於V2X的車輛協同主動避撞技術展望
- 數字隔離助力新能源汽車安全隔離的新挑戰
- 汽車模塊拋負載的解決方案
- 車用連接器的安全創新應用
- Melexis Actuators Business Unit
- Position / Current Sensors - Triaxis Hall
熱門搜索
開關三極管
科通
可變電容
可調電感
可控矽
空心線圈
控製變壓器
控製模塊
藍牙
藍牙4.0
藍牙模塊
浪湧保護器
雷度電子
鋰電池
利爾達
連接器
流量單位
漏電保護器
濾波電感
濾波器
路由器設置
鋁電解電容
鋁殼電阻
邏輯IC
馬達控製
麥克風
脈衝變壓器
鉚接設備
夢想電子
模擬鎖相環





