繼電器驅動電路的工作原理及測試方法
發布時間:2019-01-23 責任編輯:xueqi
【導讀】繼電器驅動電流一般需要20-40mA或更大,線圈電阻100-200歐姆,因此要加驅動電路。檢修方法非常簡單,用萬用表直流檔分別測量其輸入和輸出端電壓即可。
1、晶體管用來驅動繼電器,必須將晶體管的發射極接地。具體電路如下:

NPN晶體管驅動時:當晶體管T1基極被輸入高電平時,晶體管飽和導通,集電極變為低電平,因此繼電器線圈通電,觸點RL1吸合。
當晶體管T1基極被輸入低電平時,晶體管截止,繼電器線圈斷電,觸點RL1斷開。
PNP晶體管驅動電路目前沒有采用,因此在這裏不作介紹。
1.2電路中各元器件的作用
晶體管T1可視為控製開關,一般選取VCBO≈VCEO≥24V,放大倍數β一般選擇在120~240之間。電阻R1主要起限流作用,降低晶體管T1功耗,阻值為2 KΩ。電阻R2使晶體管T1可靠截止,阻值為5.1KΩ。二極管D1反向續流,抑製浪湧,一般選1N4148即可。
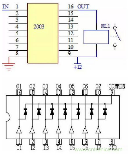
2 集成電路2003驅動繼電器
左圖1~7是信號輸入(IN),10~16是輸出信號(OUT),8和9是集成電路電源。右圖是集成塊內部原理圖。

2.1 工作原理簡介
根據集成電路驅動器2003的輸入輸出特性,有人把它簡稱叫“驅動器”“反向器”“放大器”等,現在常用型號為:TD62003AP。當2003輸入端為高電平時,對應的輸出口輸出低電平,繼電器線圈通電,繼電器觸點吸合;當2003輸入端為低電平時,繼電器線圈斷電,繼電器觸點斷開;在2003內部已集成起反向續流作用的二極管,因此可直接用它驅動繼電器。
2.2 檢修
判斷2003好壞的方法非常簡單,用萬用表直流檔分別測量其輸入和輸出端電壓,如果輸入端1~7是低電平(0V),輸出端10~16必然是高電平(12V);反之,如果輸入端1~7是高電平(5V),輸出端10~16必然是低電平(0V);否則,驅動器已壞。
測試條件:1.待機;2.開機。
測試方法:將萬用表調至20V直流檔,負表筆接電控板地線(7812穩壓塊散熱片),正表筆分別輕觸2003各腳。
特別推薦
- 噪聲中提取真值!瑞盟科技推出MSA2240電流檢測芯片賦能多元高端測量場景
- 10MHz高頻運行!氮矽科技發布集成驅動GaN芯片,助力電源能效再攀新高
- 失真度僅0.002%!力芯微推出超低內阻、超低失真4PST模擬開關
- 一“芯”雙電!聖邦微電子發布雙輸出電源芯片,簡化AFE與音頻設計
- 一機適配萬端:金升陽推出1200W可編程電源,賦能高端裝備製造
技術文章更多>>
- 築基AI4S:摩爾線程全功能GPU加速中國生命科學自主生態
- 一秒檢測,成本降至萬分之一,光引科技把幾十萬的台式光譜儀“搬”到了手腕上
- AI服務器電源機櫃Power Rack HVDC MW級測試方案
- 突破工藝邊界,奎芯科技LPDDR5X IP矽驗證通過,速率達9600Mbps
- 通過直接、準確、自動測量超低範圍的氯殘留來推動反滲透膜保護
技術白皮書下載更多>>
- 車規與基於V2X的車輛協同主動避撞技術展望
- 數字隔離助力新能源汽車安全隔離的新挑戰
- 汽車模塊拋負載的解決方案
- 車用連接器的安全創新應用
- Melexis Actuators Business Unit
- Position / Current Sensors - Triaxis Hall
熱門搜索



