網友獨家解析:一張tea202的電路圖
發布時間:2014-10-16 責任編輯:sherryyu
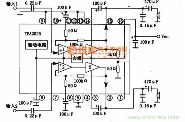
【導讀】這裏分享一位網友自己根據經驗對一個tea202的電路圖的解析,不管正確與否,都是網友自己的理解。如果哪位大俠有好的見解,希望能指點一二,讓大家都學習下。
1、可以簡單說一邊7隻腳對應一個聲道,引腳高度對稱。

2、第16腳為供電腳既接電源的。兩聲道用時1腳沒用,懸空即可。
3、13、14、4、5腳為接地腳,在普遍的運用中往往是將12、13(或4、5)腳直接焊在一起的,同時開大孔固定散熱器。而一些2025的代用芯片這兩腳直接就是一個很寬的腳。
4、從內部圖可以看出其放大倍數為10‘000/50=200倍,相當大,所以一般應用中應在6(或11)腳接電阻減小增益,計算公式10000/(50+X),個人感覺200-400歐就挺好。如果不加電阻增益過大非常容易發生自激,簡單的說就是芯片發熱,噪音可怕。
5、7、10腳接的是輸入電容,理論上越大低音越好,但是邊際效應明顯,超過1U可能就沒什麼實質差別了。最好用CBB電容,陶瓷電容最差,鉭電容更差,電解電容也可以但是效果不要用太大指望(而且不能太大,最好不要超過10U,原因忘了算直覺吧)。
6、15、2腳必須要有輸出電容,顯然圖上470的太小了,理論上電容越大低音越好,但是響應會變差,這個爭議從來就沒停止過。在很多otl成品,用的是2200-4700的輸出電容,當然小喇叭本就沒有還原100HZ以下的能力,所以1000-2000U足矣。當然喇叭阻抗大可減小電容。
7、經實踐5-12v都可以很好的工作,但是貌似電壓高反而發熱更大,用9v以上供電的建議加散熱。
特別推薦
- 噪聲中提取真值!瑞盟科技推出MSA2240電流檢測芯片賦能多元高端測量場景
- 10MHz高頻運行!氮矽科技發布集成驅動GaN芯片,助力電源能效再攀新高
- 失真度僅0.002%!力芯微推出超低內阻、超低失真4PST模擬開關
- 一“芯”雙電!聖邦微電子發布雙輸出電源芯片,簡化AFE與音頻設計
- 一機適配萬端:金升陽推出1200W可編程電源,賦能高端裝備製造
技術文章更多>>
- 2026藍牙亞洲大會暨展覽在深啟幕
- 新市場與新場景推動嵌入式係統研發走向統一開發平台
- 維智捷發布中國願景
- 2秒啟動係統 • 資源受限下HMI最優解,米爾RK3506開發板× LVGL Demo演示
- H橋降壓-升壓電路中的交替控製與帶寬優化
技術白皮書下載更多>>
- 車規與基於V2X的車輛協同主動避撞技術展望
- 數字隔離助力新能源汽車安全隔離的新挑戰
- 汽車模塊拋負載的解決方案
- 車用連接器的安全創新應用
- Melexis Actuators Business Unit
- Position / Current Sensors - Triaxis Hall
熱門搜索
接口IC
介質電容
介質諧振器
金屬膜電阻
晶體濾波器
晶體諧振器
晶體振蕩器
晶閘管
精密電阻
精密工具
景佑能源
聚合物電容
君耀電子
開發工具
開關
開關電源
開關電源電路
開關二極管
開關三極管
科通
可變電容
可調電感
可控矽
空心線圈
控製變壓器
控製模塊
藍牙
藍牙4.0
藍牙模塊
浪湧保護器



