關於過壓保護及瞬態電壓抑製電路的設計
發布時間:2014-09-10 責任編輯:stone
【導讀】本文介紹的過壓保護電路由過壓保護開關(OVPSwitch)和瞬態電壓抑製器 (TVS)組成,可實現完善可靠的抗持續高電壓和瞬間衝擊電壓的功能。
利用電池供電的移動設備通常需要通過外置的AC適shi配pei器qi對dui係xi統tong電dian池chi進jin行xing充chong電dian。而er不bu同tong供gong電dian電dian壓ya的de設she備bei間jian往wang往wang共gong用yong著zhe相xiang似si的de電dian源yuan插cha座zuo和he插cha頭tou,這zhe些xie不bu同tong電dian壓ya標biao準zhun的de適shi配pei器qi往wang往wang會hui給gei用yong戶hu帶dai來lai潛qian在zai的de錯cuo插cha風feng險xian,可ke能neng導dao致zhi設she備bei因yin過guo高gao的de電dian壓ya而er燒shao毀hui。另ling一yi方fang麵mian,來lai自zi AC適shi配pei器qi前qian端duan的de浪lang湧yong或huo者zhe電dian網wang的de不bu穩wen定ding也ye有you可ke能neng導dao致zhi適shi配pei器qi的de輸shu出chu電dian壓ya超chao越yue設she備bei所suo能neng承cheng受shou的de範fan圍wei。因yin此ci,在zai移yi動dong設she備bei設she計ji中zhong就jiu有you必bi要yao加jia入ru充chong電dian端duan口kou的de過guo壓ya保bao護hu電dian路lu,以yi避bi免mian上shang述shu情qing況kuang對dui設she備bei後hou端duan電dian路lu的de破po壞huai。
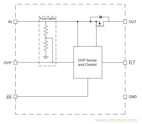
本文介紹的過壓保護電路由過壓保護開關(OVPSwitch)和瞬態電壓抑製器 (TVS)組成(如圖1),可實現完善可靠的抗持續高電壓和瞬間衝擊電壓的功能。

圖1:OVPSwitch和TVS組成的過壓保護卡關
在整個方案中,核心部分器件為過壓保護開關,以美國研諾邏輯科技有限公司(AATI)的過壓保護開關 AAT4684為例,過壓保護開關的內部主要是由控製邏輯電路和 PMOS管組成,當 OVP端的檢測電壓高於特定電壓閾值之後,邏輯電路就會通過柵極關斷 PMOS的溝道。由於該 PMOS管擁有較高的持續性耐壓(28V),因此可以保護後端的元器件不會因前端電源輸入異常高壓而燒毀(其內部原理如圖2所示)。

圖2:AAT46842 內部原理圖
通過以下實驗可以說明當過壓保護開關的輸入端出現過高電壓時它對後端電路所起到的保護作用。
圖3所示為測試所用電路原理圖,輸入端為 12V平穩直流源,電源通過一段長度為 1米的導線與 AAT4684的輸入端相連, CH1為 AAT4684輸入電壓的測試點, CH 2為 AAT4684輸出電壓的測試點,CH3為其輸出電流探測點。將 AAT4684的 OVP保護電壓設為 6V(即當電壓超過 6V後,開關管立刻關閉,以保護輸出端的電路)。為體現實際應用中 AC適配器的插拔情況,對係統的上電過程通過導線和電源的機械性拔插來實現。

圖3:測試所用電路原理圖
由圖4所示的波形中可以到,在電路上電的時刻,輸入端的電壓很快超過了 6V並最終穩定在了 12V左右,而輸出端電壓由於 OVP開關的作用,始終維持在 0V電壓,即 AAT4684輸出端之後的電路不會因過高的輸入電壓而受到影響,後端電路器件在此時受到了 AAT4684的過壓保護。

圖4:經示波器測得的各通道的電壓及電流波形
但是在這同時卻發現當電源電壓插入的瞬間, AAT4684輸入端的電壓呈現了一個超過 20V的尖峰。如果進一步調高輸入電壓(如將電壓調整到 16V),在拔插電源時會發生 OVP開關燒壞的現象,但是電源所提供的輸出電壓卻遠小於 OVP開關的最高耐壓 28V。如何解釋此現象呢?
原因就出在從電源輸出到 AAT4684輸shu入ru的de這zhe段duan導dao線xian上shang。任ren何he一yi段duan有you長chang度du導dao線xian具ju有you一yi定ding的de等deng效xiao電dian感gan。等deng效xiao電dian感gan的de存cun在zai相xiang當dang於yu在zai理li想xiang導dao線xian上shang串chuan聯lian了le一yi個ge分fen立li電dian感gan器qi,同tong時shi由you於yu芯xin片pian的de輸shu入ru端duan存cun在zai的de輸shu入ru電dian容rong,接jie合he起qi來lai就jiu相xiang當dang於yu一yi個ge如ru圖tu 5所示的 LC振蕩電路;而這個電路當輸入一個階躍時在輸入電容上最大可出現 2倍於輸入的振蕩電壓。

圖5: 輸入端輸入電容與導線電感構成的LC振蕩電路
由於這些等效器件的存在,就會在係統上電的瞬間於 OVP開關輸入端產生一個高於電源的電壓。過高的瞬間電壓就類似靜電放電電壓,雖然總能量不大,但是如果其電壓值在瞬間高過了 OVP開關的最高耐壓範圍,就足以將 OVP開關內部的 MOSFET擊穿,使得芯片輸入端對地發生短路,失去作用。因此在考慮過壓保護設計時,還應考慮對電路輸入端可能出現的瞬態高壓的防護。
為解決以上問題,可以在 AAT4684的輸入端放置TVS來實現對瞬間衝擊電壓衝擊的防護。TVS是一種二極管形式的高效能保護器件。當 TVS二er極ji管guan的de兩liang極ji受shou到dao反fan向xiang瞬shun態tai高gao能neng量liang衝chong擊ji時shi,它ta能neng以yi納na秒miao級ji的de速su度du,將jiang其qi兩liang極ji間jian的de高gao阻zu抗kang變bian為wei低di阻zu抗kang,吸xi收shou高gao達da數shu千qian瓦wa的de浪lang湧yong功gong率lv,使shi兩liang極ji間jian的de電dian壓ya箝qian位wei於yu一yi個ge預yu定ding值zhi,有you效xiao地di保bao護hu電dian子zi線xian路lu中zhong的de元yuan器qi件jian免mian受shou各ge種zhong浪lang湧yong脈mai衝chong損sun壞huai。
由於它具有響應時間快、瞬態功率大、漏電流低、擊穿電壓偏差小、箝位電壓較易控製、無損壞極限、體積小等優點,目前已廣泛應用於各類電子設備之中。
[page]
由於 OVP保護開關雖然可以持續地長時間承受耐壓範圍內的電壓,但是卻無法經受超過其耐壓範圍的瞬時電壓衝擊,而TVS結(jie)構(gou)的(de)二(er)級(ji)管(guan),雖(sui)然(ran)無(wu)法(fa)承(cheng)受(shou)長(chang)時(shi)間(jian)的(de)導(dao)通(tong)電(dian)流(liu),但(dan)是(shi)卻(que)可(ke)以(yi)在(zai)瞬(shun)時(shi)吸(xi)收(shou)很(hen)高(gao)的(de)電(dian)壓(ya)衝(chong)擊(ji),通(tong)過(guo)自(zi)身(shen)的(de)雪(xue)崩(beng)導(dao)通(tong)來(lai)限(xian)製(zhi)其(qi)兩(liang)端(duan)的(de)最(zui)高(gao)電(dian)壓(ya),對(dui)電(dian)壓(ya)起(qi)到(dao)鉗(qian)位(wei)的(de)作(zuo)用(yong)。因(yin)此(ci)將(jiang) TVS管置於 OVP開關電路之前,就可以有效地防止瞬時高壓對 OVP開關的破壞,同時 OVP的持續受壓能力又可以保護後端電路免受前端電源持續高電壓的破壞。電路邏輯結構如圖 6所示。

圖6:耐高壓電路邏輯圖
由於 TVS本身就是屬於 ESD保護器件,可以同時提高設備在接口端的靜電保護能力(通常的 TVS管都可以耐受 2KV以上接觸式靜電放電),這樣的設計就可以在真正意義上實現端口的保護功能,有效地提高了器件的使用壽命和可靠性。(關於詳細的 TVS選用可參閱具體文獻。)
另一方麵,當 OVP開關導通並存在一個持續較大工作電流流過時,此時如果突然關閉開關(比如啟動了 OCP過流保護或 OTP過溫保護),因導線電感中的電流不會突變,導線電感中的瞬時電流的變化會在 AAT4684的輸入端產生一個高於電源的電壓,這就使得 OVP開關會在一個很短的時刻需要承受一個極高的電壓,其原理有些類似於開關升壓電路(如圖 7所示)。

圖7:開關升壓電路
以下實驗為了說明這類現象所可能產生的實際輸入電壓的突變,當過壓保護開關有大電流流過並正常工作時將 AAT4684加溫使之自動進入過溫保護( OTP)狀態來觀察此時輸入端可能產生的波形變化。該實驗電路依舊如前文所述的圖3所示,電源以5.5V電壓供電,負載電流約為 1.5A。
實驗時對 AAT4684進行加熱至芯片過熱保護功能啟動,內部的 MOSFET立刻關斷。可以看到,在大約 400ns的時間裏,由於流過開關管的電流被快速關斷,在 OVP的輸入和輸出端瞬間確實出現了一個超過 15Vyishangfengfengzhidechongjidianya,jiarudianyuandeshurudianyagenggaoyixiehuozhefuzaidianliugengdayixie,zhegechongjidianyayetongyanghuigenggao,suiranchixudeshijianjiduan,danshiwanquanyoukenengzaijianfengshiketupo OVP開關的最高耐壓,從而破壞其內部的 PMOS。
如果用同樣的原理進一步分析 OVP開關接通電源時的過程,可以發現,因 OVP開關內部的控製電路在剛剛上電的瞬間需要建立狀態,所以在初始的極短時間裏, PMOS柵極電壓沒有立刻置高,因此 PMOS溝道還沒來得及關斷(這個時間大約會持續 0.1us),雖然對後端電路不會有什麼影響,但是這個時間產生的導通電流在 PMOS關斷的時刻同樣會產生類似前文所述的問題,即在 OVP的輸入端產生的一個時間極短的過高電壓衝擊可能會危及 OVP開關正常工作。

圖8:開關關閉時各種電壓變化的測量結果
為了避免上麵所述的這兩種情況帶來的瞬間高壓對 OVP開關的衝擊,在其前端放置合適的瞬態電壓抑製器同樣可以很好地解決該問題。由於 TVS管和 OVP開關具有其各自的功能特點,當電路在正常工作時,OVP開關導通,TVS處於反向截止狀態,當輸入電壓高於 OVP保護電壓又低於 OVP正常耐壓時,OVP就起到了對高壓很好地持續阻斷的作用,保護了後端器件的安全,而當電路的輸入端因前文所述幾種情況而導致瞬時高壓衝擊出現時, TVS管的瞬間導通機製又能很好地吸收衝擊電壓的能量,保護了 OVPkaiguandeanquan。qiliangzhedegongtongzuoyongjiukeyiyouxiaodishixianyizhishuntaihechixugaoyadegongneng,wanshandibaohulezhenggedianluxitongdejiekoumianshouyichanggaoyadepohuai。
[page]
附錄 :
以下實驗對 AAT4684輸入端使用 TVS和不使用 TVS管前後的波形進行比較,供讀者參考。CH1為 AAT4684的輸入電壓,CH2為 AAT4684的輸出電壓。將電源電壓 Vin設為12V,輸出電容為0.1uF,圖A1為前端沒有TVS管的波形,圖A2為前端加了TVS管的波形(TVS導通電壓為19V)。用5.5V作為電源輸入,負載電流為1.5A時將OVP加熱進入過溫保護瞬間波形,圖B1為前端沒有TVS的波形,圖B2為前端加了TVS時的波形(TVS導通電壓為16V)。

圖A1: 無TVS時輸入端波形


圖A2: 有TVS時輸入端波形


圖B1: 前端沒有TVS時過溫保護瞬間


圖B2: 前端加TVS時過溫保護瞬間
相關閱讀:
電路保護:Fuse or PPTC
靜電防護和多層壓敏電阻詳解
汽車電路保護——瞬態電壓抑製器
特別推薦
- 噪聲中提取真值!瑞盟科技推出MSA2240電流檢測芯片賦能多元高端測量場景
- 10MHz高頻運行!氮矽科技發布集成驅動GaN芯片,助力電源能效再攀新高
- 失真度僅0.002%!力芯微推出超低內阻、超低失真4PST模擬開關
- 一“芯”雙電!聖邦微電子發布雙輸出電源芯片,簡化AFE與音頻設計
- 一機適配萬端:金升陽推出1200W可編程電源,賦能高端裝備製造
技術文章更多>>
- 具身智能成最大亮點!CITE 2026開幕峰會釋放產業強信號
- 助力醫療器械產業高質量發展 派克漢尼汾閃耀2026 ICMD
- 比異步時鍾更隱蔽的“芯片殺手”——跨複位域(RDC)問題
- 數據之外:液冷技術背後的連接器創新
- “眼在手上”的嵌入式實踐:基於ROS2與RK3576的機械臂跟隨抓取方案
技術白皮書下載更多>>
- 車規與基於V2X的車輛協同主動避撞技術展望
- 數字隔離助力新能源汽車安全隔離的新挑戰
- 汽車模塊拋負載的解決方案
- 車用連接器的安全創新應用
- Melexis Actuators Business Unit
- Position / Current Sensors - Triaxis Hall
熱門搜索




