水泥電阻知多少?水泥電阻基礎知識小常識
發布時間:2014-03-25 責任編輯:mikeliu
【導讀】水泥電阻具有耐震、耐濕、耐熱及良好散熱的特性,並且其低價格,完全絕緣,因此廣泛適用於印刷電路板。那麼關於水泥電阻你又了解多少呢?請看本文。
陶瓷絕緣功率型線繞電阻,常被人稱作水泥電阻。它廣泛應用於計算機,電視機,儀器,儀表,音響之中。
水泥電阻器采用電阻絲繞製,一般功率大,外形尺寸也較大。因此,從它的外形結合功率及型號可以很容易判別出來。功率上它分為
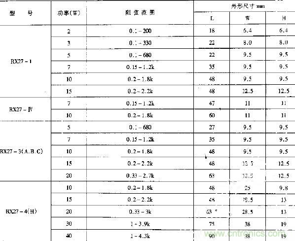
2W,3W,5W,7W,8W,10W,15W,30W,20W,40W等規格。常見型號為RX27-1型,RX27-3型(3A,3B,3C),RX27-4(4V,4H)型,其外形如圖1-1型。


水泥電阻的阻值範圍表:
水泥電阻采用工業高頻電子陶瓷外殼,散熱好,具有優良的絕緣性能,其絕緣電阻可達100MR,tongshijuyouyouliangdezuran,fangbaoxing。dianzusixuanyongkangtong,mengtong,niegedenghejincailiao,youjiaohaowendingxingheguofuzainengli。dianzusitonghanjiaoyinxianzhijian,caiyongyajiefangshi。zaifuzaiduanludeqingkuangxia,kexunsuzaiyajiechurongduan,duidianluyoubaohugongneng。
水泥電阻具有多種外形和安裝方式,可以直接安裝在印製線路板上,也可以利用金屬支架獨立安裝焊接。
在選用水泥電阻時,如在常溫下工作,功率大小可用下式來決定:UXI=P;如在特殊環境下工作,電阻功率小應根據圖所示曲線來和選擇。倘若電阻功率較大或散熱條件較差,宜選用引腳長的水泥電阻;也可利用金屬支架把水泥電阻固定在合適的位置上,另用導線把水泥電阻連接到電路中。
相關閱讀:
詳解水泥電阻的發熱情況
經典資料!PTC熱敏電阻基礎知識大百科!
網友熱心分享:使用壓敏電阻的方法
特別推薦
- 噪聲中提取真值!瑞盟科技推出MSA2240電流檢測芯片賦能多元高端測量場景
- 10MHz高頻運行!氮矽科技發布集成驅動GaN芯片,助力電源能效再攀新高
- 失真度僅0.002%!力芯微推出超低內阻、超低失真4PST模擬開關
- 一“芯”雙電!聖邦微電子發布雙輸出電源芯片,簡化AFE與音頻設計
- 一機適配萬端:金升陽推出1200W可編程電源,賦能高端裝備製造
技術文章更多>>
- 具身智能成最大亮點!CITE 2026開幕峰會釋放產業強信號
- 助力醫療器械產業高質量發展 派克漢尼汾閃耀2026 ICMD
- 比異步時鍾更隱蔽的“芯片殺手”——跨複位域(RDC)問題
- 數據之外:液冷技術背後的連接器創新
- “眼在手上”的嵌入式實踐:基於ROS2與RK3576的機械臂跟隨抓取方案
技術白皮書下載更多>>
- 車規與基於V2X的車輛協同主動避撞技術展望
- 數字隔離助力新能源汽車安全隔離的新挑戰
- 汽車模塊拋負載的解決方案
- 車用連接器的安全創新應用
- Melexis Actuators Business Unit
- Position / Current Sensors - Triaxis Hall
熱門搜索
ESD
ESD保護
ESD保護器件
ESD器件
Eurotect
Exar
Fairhild
FFC連接器
Flash
FPC連接器
FPGA
Fujitsu
Future
GFIVE
GPS
GPU
Harting
HDMI
HDMI連接器
HD監控
HID燈
I/O處理器
IC
IC插座
IDT
IGBT
in-cell
Intersil
IP監控
iWatt





