4種常用的直流開關電源保護電路
發布時間:2013-03-19 責任編輯:abbywang
【導讀】對一個給定的直流開關電dian源yuan來lai說shuo,保bao護hu電dian路lu是shi否fou完wan善shan並bing按an預yu定ding設she置zhi工gong作zuo,對dui電dian源yuan裝zhuang置zhi的de安an全quan性xing和he可ke靠kao性xing至zhi關guan重zhong要yao。因yin為wei開kai關guan電dian源yuan的de保bao護hu方fang案an和he電dian路lu結jie構gou具ju有you多duo樣yang性xing,所suo以yi對dui具ju體ti電dian源yuan裝zhuang置zhi而er言yan,應ying選xuan擇ze合he理li的de保bao護hu方fang案an和he電dian路lu結jie構gou。在zai實shi際ji應ying用yong中zhong,通tong常chang選xuan用yong幾ji種zhong保bao護hu方fang式shi加jia以yi組zu合he的de方fang式shi構gou成cheng完wan善shan的de保bao護hu係xi統tong,確que保bao直zhi流liu開kai關guan電dian源yuan的de正zheng常chang工gong作zuo。
隨著科學技術的發展,電力電子設備與人們的工作、生活的關係日益密切,而電子設備都離不開可靠的電源,因此直流開關電源開始發揮著越來越重要的作用,並相繼進入各種電子、電器設備領域,程控交換機、通訊、電子檢測設備電源、控製設備電源等都已廣泛地使用了直流開關電源。同時隨著許多高新技術,包括高頻開關技術、軟開關技術、功率因數校正技術、同步整流技術、智能化技術、biaomiananzhuangjishudengjishudefazhan,kaiguandianyuanjishuzaibuduandichuangxin,zheweizhiliukaiguandianyuantigongleguangfandefazhankongjian。danshiyouyukaiguandianyuanzhongkongzhidianlubijiaofuza,jingtiguanhejichengqijiannaishoudian、熱re衝chong擊ji的de能neng力li較jiao差cha,在zai使shi用yong過guo程cheng中zhong給gei用yong戶hu帶dai來lai很hen大da不bu便bian。為wei了le保bao護hu開kai關guan電dian源yuan自zi身shen和he負fu載zai的de安an全quan,根gen據ju了le直zhi流liu開kai關guan電dian源yuan的de原yuan理li和he特te點dian,設she計ji了le過guo熱re保bao護hu、過電流保護、過電壓保護以及軟啟動保護電路。文中主要討論了直流開關電源內部器件的各種保護方式,並介紹了一些具體電路。
開關電源的原理及特點
1.工作原理
直流開關電源由輸入部分、功率轉換部分、輸出部分、控kong製zhi部bu分fen組zu成cheng。功gong率lv轉zhuan換huan部bu分fen是shi開kai關guan電dian源yuan的de核he心xin,它ta對dui非fei穩wen定ding直zhi流liu進jin行xing高gao頻pin斬zhan波bo並bing完wan成cheng輸shu出chu所suo需xu要yao的de變bian換huan功gong能neng。它ta主zhu要yao由you開kai關guan三san極ji管guan和he高gao頻pin變bian壓ya器qi組zu成cheng。圖tu1畫出了直流開關電源的原理圖及等效原理框圖,它是由全波整流器,開關管V,激勵信號,續流二極管Vp,儲能電感和濾波電容C組成。實際上,直流開關電源的核心部分是一個直流變壓器。

圖1:直流開關電源原理
2.特點
為(wei)了(le)適(shi)應(ying)用(yong)戶(hu)的(de)需(xu)求(qiu),國(guo)內(nei)外(wai)各(ge)大(da)開(kai)關(guan)電(dian)源(yuan)製(zhi)造(zao)商(shang)都(dou)致(zhi)力(li)於(yu)同(tong)步(bu)開(kai)發(fa)新(xin)型(xing)高(gao)智(zhi)能(neng)化(hua)的(de)元(yuan)器(qi)件(jian),特(te)別(bie)是(shi)通(tong)過(guo)改(gai)善(shan)二(er)次(ci)整(zheng)流(liu)器(qi)件(jian)的(de)損(sun)耗(hao),並(bing)在(zai)功(gong)率(lv)鐵(tie)氧(yang)體(ti)(Mn-Zn)材料上加大科技創新,以提高在高頻率和較大磁通密度下獲得高的磁性能,同時SMT技術的應用使得開關電源取得了長足的進展,在電路板兩麵布置元器件,以確保開關電源的輕、小、薄。因此直流開關電源的發展趨勢是高頻、高可靠、低耗、低噪聲、抗幹擾和模塊化。
直流開關電源的缺點是存在較為嚴重的開關幹擾,適應惡劣環境和突發故障的能力較弱。由於國內微電子技術、阻容器件生產技術以及磁性材料技術與一些技術先進國家還有一定的差距,因此直流開關電源的製作技術難度大、維修麻煩和造價成本較高,
直流開關電源的保護
基ji於yu直zhi流liu開kai關guan電dian源yuan的de特te點dian和he實shi際ji的de電dian氣qi狀zhuang況kuang,為wei使shi直zhi流liu開kai關guan電dian源yuan在zai惡e劣lie環huan境jing及ji突tu發fa故gu障zhang情qing況kuang下xia安an全quan可ke靠kao地di工gong作zuo,本ben文wen根gen據ju不bu同tong的de情qing況kuang設she計ji了le多duo種zhong保bao護hu電dian路lu。
1.過電流保護電路
在直流開關電源電路中,為了保護調整管在電路短路、電流增大時不被燒毀。其基本方法是,當輸出電流超過某一值時,調整管處於反向偏置狀態,從而截止,自動切斷電路電流。如圖1所示,過電流保護電路由三極管BG2 和分壓電阻R4、R5組成。電路正常工作時,通過R4與R5的壓作用,使得BG2 的基極電位比發射極電位高,發射結承受反向電壓。於是BG2 處於截止狀態(相當於開路),對穩壓電路沒有影響。當電路短路時,輸出電壓為零,BG2 的發射極相當於接地,則BG2 處於飽和導通狀態(相當於短路),從而使調整管BG1 基極和發射極近於短路,而處於截止狀態,切斷電路電流,從而達到保護目的。

圖2:過電流保護電路
2.過電壓保護電路
直流開關電源中開關穩壓器的過電壓保護包括輸入過電壓保護和輸出過電壓保護。如果開關穩壓器所使用的未穩壓直流電源(諸如蓄電池和整流器)的電壓如果過高,將導致開關穩壓器不能正常工作,甚至損壞內部器件,因此開關電源中有必要使用輸入過電壓保護電路。

圖3:過電壓保護電路
圖3為(wei)用(yong)晶(jing)體(ti)管(guan)和(he)繼(ji)電(dian)器(qi)所(suo)組(zu)成(cheng)的(de)保(bao)護(hu)電(dian)路(lu),在(zai)該(gai)電(dian)路(lu)中(zhong),當(dang)輸(shu)入(ru)直(zhi)流(liu)電(dian)源(yuan)的(de)電(dian)壓(ya)高(gao)於(yu)穩(wen)壓(ya)二(er)極(ji)管(guan)的(de)擊(ji)穿(chuan)電(dian)壓(ya)值(zhi)時(shi),穩(wen)壓(ya)管(guan)擊(ji)穿(chuan),有(you)電(dian)流(liu)流(liu)過(guo)電(dian)阻(zu)R,使晶體管T導(dao)通(tong),繼(ji)電(dian)器(qi)動(dong)作(zuo),常(chang)閉(bi)接(jie)點(dian)斷(duan)開(kai),切(qie)斷(duan)輸(shu)入(ru)。輸(shu)入(ru)電(dian)源(yuan)的(de)極(ji)性(xing)保(bao)護(hu)電(dian)路(lu)可(ke)以(yi)跟(gen)輸(shu)入(ru)過(guo)電(dian)壓(ya)保(bao)護(hu)結(jie)合(he)在(zai)一(yi)起(qi),構(gou)成(cheng)極(ji)性(xing)保(bao)護(hu)鑒(jian)別(bie)與(yu)過(guo)電(dian)壓(ya)保(bao)護(hu)電(dian)路(lu)。
[page]
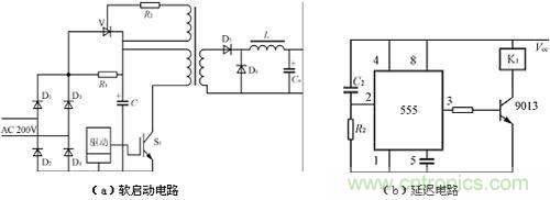
3. 軟啟動保護電路
開關穩壓電源的電路比較複雜,開關穩壓器的輸入端一般接有小電感、dadianrongdeshurulvboqi。zaikaijishunjian,lvbodianrongqihuiliuguohendadelangyongdianliu,zhegelangyongdianliukeyiweizhengchangshurudianliudeshubei。zheyangdadelangyongdianliuhuishiputongdianyuankaiguandechudianhuojidianqidechudianronghua,bingshishurubaoxiansirongduan。lingwai,langyongdianliuyehuisunhaidianrongqi,shizhishoumingsuoduan,guozaosunhuai。weici,kaijishiyinggaijieruyigexianliudianzu,tongguozhegexianliudianzulaiduidianrongqichongdian。weilebushigaixianliudianzuxiaohaoguoduodegonglv,yizhiyingxiangkaiguanwenyaqidezhengchanggongzuo,erzaikaijizantaiguochengjieshuhou,yongyigejidianqizidongduanjieta,shizhiliudianyuanzhijieduikaiguanwenyaqigongdian,zhezhongdianluchengzhiweizhiliukaiguandianyuande“軟啟動”電路 。

圖4:軟啟動保護電路
如圖4(a)所示,在電源接通瞬間,輸入電壓經整流橋(D1~D4)和限流電阻R1對電容器C充電,限製浪湧電流。當電容器C充電到約80%額定電壓時,逆變器正常工作。經主變壓器輔助繞組產生晶閘管的觸發信號,使晶閘管導通並短路限流電阻R1,開關電源處於正常運行狀態。為了提高延遲時間的準確性及防止繼電器動作抖動振蕩,延遲電路可采用圖4(b)所示電路替代RC延遲電路。
4.過熱保護電路
直zhi流liu開kai關guan電dian源yuan中zhong開kai關guan穩wen壓ya器qi的de高gao集ji成cheng化hua和he輕qing量liang小xiao體ti積ji,使shi其qi單dan位wei體ti積ji內nei的de功gong率lv密mi度du大da大da提ti高gao,因yin此ci如ru果guo電dian源yuan裝zhuang置zhi內nei部bu的de元yuan器qi件jian對dui其qi工gong作zuo環huan境jing溫wen度du的de要yao求qiu沒mei有you相xiang應ying提ti高gao,必bi然ran會hui使shi電dian路lu性xing能neng變bian壞huai,元yuan器qi件jian過guo早zao失shi效xiao。因yin此ci在zai大da功gong率lv直zhi流liu開kai關guan電dian源yuan中zhong應ying該gai設she過guo熱re保bao護hu電dian路lu。

圖5:過熱保護電路
本(ben)文(wen)采(cai)用(yong)溫(wen)度(du)繼(ji)電(dian)器(qi)來(lai)檢(jian)測(ce)電(dian)源(yuan)裝(zhuang)置(zhi)內(nei)部(bu)的(de)溫(wen)度(du),當(dang)電(dian)源(yuan)裝(zhuang)置(zhi)內(nei)部(bu)產(chan)生(sheng)過(guo)熱(re)時(shi),溫(wen)度(du)繼(ji)電(dian)器(qi)就(jiu)動(dong)作(zuo),使(shi)整(zheng)機(ji)告(gao)警(jing)電(dian)路(lu)處(chu)於(yu)告(gao)警(jing)狀(zhuang)態(tai),實(shi)現(xian)對(dui)電(dian)源(yuan)的(de)過(guo)熱(re)保(bao)護(hu)。如(ru)圖(tu)5(a)所示,在保護電路中將P型控製柵熱晶閘管放置在功率開關三極管附近,根據TT102的特性(由Rr值確定該器件的導通溫度,Rr越大,導通溫度越低),當(dang)功(gong)率(lv)管(guan)的(de)管(guan)殼(ke)溫(wen)度(du)或(huo)者(zhe)裝(zhuang)置(zhi)內(nei)部(bu)的(de)溫(wen)度(du)超(chao)過(guo)允(yun)許(xu)值(zhi)時(shi),熱(re)晶(jing)閘(zha)管(guan)就(jiu)導(dao)通(tong),使(shi)發(fa)光(guang)二(er)極(ji)管(guan)發(fa)亮(liang)告(gao)警(jing)。倘(tang)若(ruo)配(pei)合(he)光(guang)電(dian)耦(ou)合(he)器(qi),就(jiu)可(ke)使(shi)整(zheng)機(ji)告(gao)警(jing)電(dian)路(lu)動(dong)作(zuo),保(bao)護(hu)開(kai)關(guan)電(dian)源(yuan)。該(gai)電(dian)路(lu)還(hai)可(ke)以(yi)設(she)計(ji)成(cheng)如(ru)圖(tu)5(b)所示,用作功率晶體管的過熱保護,晶體開關管的基極電流被N型控製柵熱晶閘管TT201旁路,開關管截止,切斷集電極電流,防止過熱。
- 噪聲中提取真值!瑞盟科技推出MSA2240電流檢測芯片賦能多元高端測量場景
- 10MHz高頻運行!氮矽科技發布集成驅動GaN芯片,助力電源能效再攀新高
- 失真度僅0.002%!力芯微推出超低內阻、超低失真4PST模擬開關
- 一“芯”雙電!聖邦微電子發布雙輸出電源芯片,簡化AFE與音頻設計
- 一機適配萬端:金升陽推出1200W可編程電源,賦能高端裝備製造
- 貿澤EIT係列新一期,探索AI如何重塑日常科技與用戶體驗
- 算力爆發遇上電源革新,大聯大世平集團攜手晶豐明源線上研討會解鎖應用落地
- 創新不止,創芯不已:第六屆ICDIA創芯展8月南京盛大啟幕!
- AI時代,為什麼存儲基礎設施的可靠性決定數據中心的經濟效益
- 矽典微ONELAB開發係列:為毫米波算法開發者打造的全棧工具鏈
- 車規與基於V2X的車輛協同主動避撞技術展望
- 數字隔離助力新能源汽車安全隔離的新挑戰
- 汽車模塊拋負載的解決方案
- 車用連接器的安全創新應用
- Melexis Actuators Business Unit
- Position / Current Sensors - Triaxis Hall



