高速數據應用中 ESD 抑製技術簡介【空氣間隙技術】
發布時間:2011-12-06
中心議題:
高清電視及顯示器的發展加速提高了信號傳輸速率,除此之外,USB 2.0以及USB 3.0等高速串行協議的應用也使信號速率在不斷提高。隨著信號速率的提高,以前傳統的ESD保護技術已顯得過時,多層壓敏電阻、矽二極管的高電容、漏電流以及鉗位電壓已經不能提供準確可靠的保護,以保證高速信號不發生明顯的信號降級。
通過采用間隙技術(gap technology),特別是采用空氣作為間隙,已經在低電容抑製器、更低漏電流、更低鉗位電壓等方麵實現了可觀的性能提升。總之,在重複多次或持續的 ESD事件後,聚合物間隙抑製器會降級,而空氣間隙器件仍將保持非常低的電容、漏電流和觸發電壓,即使在1s事件間隔內經過1000次ESD事件,也能保持良好的性能。
靜電放電保護方案概覽
對於數據速率在350Mb/s或低於350Mb/s的應用,瞬態抑製二極管和多層壓敏電阻是提供保護的極好選擇。這些應用包括標清LCD顯示器、TFT顯示器,以及大多數的計算機周邊接口及連接。這些信號天生就允許高的插入損耗、高gao鉗qian位wei電dian壓ya和he觸chu發fa電dian壓ya。鑒jian於yu電dian源yuan引yin腳jiao上shang並bing沒mei有you任ren何he信xin號hao,因yin此ci,高gao速su抑yi製zhi相xiang應ying並bing不bu是shi必bi需xu的de。瞬shun態tai抑yi製zhi二er極ji管guan和he多duo層ceng壓ya敏min電dian阻zu也ye可ke以yi有you效xiao地di保bao護hu像xiangUSB 2.0以及其他更高速率的接口電源引腳。但是,對於像DVI、HDMI、USB 3.0以及最新的IEEE 1394 A和B標準下的數據通信線路,實現最小信號失真的高速抑製響應對於係統性能和電路保護是至關重要的。這些應用包括數字視頻設備、MP3播放器、手機、 PDA、網絡交換器、有線和衛星電視機頂盒、打印機、掃描儀、複印機以及筆記本電腦和上網本等計算機設備。

圖1 不同數據速率對應的靜電放電抑製技術
抑製器技術比較
表 1給(gei)出(chu)了(le)在(zai)靜(jing)電(dian)放(fang)電(dian)抑(yi)製(zhi)器(qi)件(jian)中(zhong)常(chang)用(yong)的(de)幾(ji)種(zhong)核(he)心(xin)技(ji)術(shu)的(de)優(you)點(dian)和(he)缺(que)點(dian)對(dui)比(bi)。聚(ju)合(he)物(wu)靜(jing)電(dian)放(fang)電(dian)抑(yi)製(zhi)器(qi)件(jian)在(zai)各(ge)種(zhong)技(ji)術(shu)中(zhong)可(ke)提(ti)供(gong)最(zui)低(di)的(de)漏(lou)電(dian)流(liu),可(ke)承(cheng)受(shou)非(fei)常(chang)高(gao)的(de)靜(jing)電(dian)放(fang)電(dian)電(dian)壓(ya)脈(mai)衝(chong),但(dan)在(zai)多(duo)次(ci)靜(jing)電(dian)放(fang)電(dian)事(shi)件(jian)後(hou)器(qi)件(jian)會(hui)開(kai)始(shi)降(jiang)級(ji)。除(chu)此(ci)之(zhi)外(wai),該(gai)類(lei)器(qi)件(jian)相(xiang)對(dui)高(gao)的(de)觸(chu)發(fa)電(dian)壓(ya)和(he)鉗(qian)位(wei)電(dian)壓(ya)(比空氣間隙放電產品高出50~100倍)則意味著更多的靜電放電脈衝能量可以通過被保護的電路。
多(duo)年(nian)以(yi)來(lai),在(zai)多(duo)種(zhong)電(dian)器(qi)設(she)備(bei)中(zhong)廣(guang)泛(fan)應(ying)用(yong)多(duo)層(ceng)壓(ya)敏(min)電(dian)阻(zu)來(lai)提(ti)供(gong)有(you)效(xiao)的(de)靜(jing)電(dian)放(fang)電(dian)抑(yi)製(zhi)。多(duo)層(ceng)壓(ya)敏(min)電(dian)阻(zu)相(xiang)對(dui)較(jiao)低(di)的(de)擊(ji)穿(chuan)電(dian)壓(ya)和(he)觸(chu)發(fa)電(dian)壓(ya)以(yi)及(ji)能(neng)經(jing)受(shou)多(duo)次(ci)脈(mai)衝(chong)的(de)能(neng)力(li)是(shi)相(xiang)當(dang)令(ling)人(ren)滿(man)意(yi)的(de)。可(ke)是(shi),多(duo)層(ceng)壓(ya)敏(min)電(dian)阻(zu)具(ju)有(you)較(jiao)高(gao)的(de)漏(lou)電(dian)流(liu)和(he)電(dian)容(rong),並(bing)且(qie)降(jiang)低(di)電(dian)容(rong)帶(dai)來(lai)的(de)有(you)害(hai)影(ying)響(xiang)導(dao)致(zhi)其(qi)無(wu)法(fa)勝(sheng)任(ren)高(gao)速(su)數(shu)據(ju)的(de)應(ying)用(yong)。[page]
基於矽的瞬態電壓抑製器件工作在標準P/N結的擊穿狀態,相比基於聚合物-間隙(polymer- gapbased)的器件可提供相對低的觸發電壓和鉗位電壓。該類器件的泄漏電流比空氣間隙器件(air-gap device)的高10~20倍(bei),其(qi)相(xiang)對(dui)較(jiao)高(gao)的(de)固(gu)有(you)電(dian)容(rong)導(dao)致(zhi)高(gao)信(xin)號(hao)失(shi)真(zhen)和(he)插(cha)入(ru)損(sun)耗(hao)。基(ji)於(yu)空(kong)氣(qi)間(jian)隙(xi)的(de)器(qi)件(jian)在(zai)以(yi)上(shang)討(tao)論(lun)過(guo)的(de)所(suo)有(you)技(ji)術(shu)中(zhong)可(ke)提(ti)供(gong)最(zui)低(di)的(de)電(dian)容(rong)和(he)鉗(qian)位(wei)電(dian)壓(ya),其(qi)工(gong)作(zuo)在(zai)兩(liang)個(ge)電(dian)極(ji)間(jian)的(de)惰(duo)性(xing)氣(qi)體(ti)擊(ji)穿(chuan)狀(zhuang)態(tai)。基(ji)於(yu)空(kong)氣(qi)間(jian)隙(xi)的(de)器(qi)件(jian)可(ke)以(yi)防(fang)止(zhi)高(gao)達(da)15kV的脈衝,它們在經曆1000次脈衝衝擊後性能特點也相當穩定(如圖2 所示)。基於空氣間隙的器件泄漏電流略高於基於聚合物-間隙的器件,但是其電容和插入損耗與聚合物器件相當或者稍好一些,並且其鉗位電壓和觸發電壓要低得多。

圖2 基於空氣-間隙的器件在經曆1000次脈衝衝擊後性能特點也相當穩定
應用及終端產品
xuduogaosushujuyingyonghezhongduanchanpincaiyonghunheshibaohufangshi,zaishujuheshizhongxianshangcaiyongjiyujianxideqijian,zaidianyuanlianjiebufencaiyongduocengyamindianzuhuojiyuguideshuntaidianyayizhierjiguan。liru,USB接口的D+和D–線要求高速保護,這可以采用分立的芯片利用附加的多層壓敏電阻或瞬態電壓抑製器件用於VDD電源保護。PC、筆記本電腦、上網本等產品中常常需要多個USB接口連接。
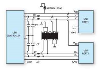
對於這些設備,兩個分離的端口的數據線對(data line pairs)可以采用在USB控製器和端口之間的一個單芯片陣列來實現保護功能(如圖3所示)。理想情況下,靜電放電抑製器件應該盡可能地在物理上靠近 USB端口,以保證提供合適的電路保護。

圖3 兩個分離的端口的數據線對可以采用在USB控製器和端口之間的一個單芯片陣列來實現保護功能
現在,在高清電視和顯示器中,HDMI連接已經非常普遍。這些連接器共擁有19個引腳,包括:3個數據通道對(data channel pairs)(每個帶一個地)、一個TMDS對(加上地)、DDC數據、時鍾、CE遠程線,所有這些都需要高速保護。通過將2個數據通道對采用一個陣列,另一個數據通道對與TMDS時鍾對采用一個陣列,則隻需要兩個靜電放電抑製陣列,即可對8個高速連接提供有效的保護,剩下的3個(DDC數據、時鍾、CE 遠程線)可以采用分立的靜電放電抑製芯片來實現保護功能。
數碼相機、手機、PDA中常用的小型存儲卡的保護相對來說就比較簡單了,唯一不同的一點要求是器件的尺寸要小,像0402尺寸的器件就可以很好地滿足要求。
雖然0201尺寸的器件還不能確定什麼時候會麵市,但可以預見將來會出現0201尺寸的器件。對這些SIM卡,常用分立的高速抑製芯片來保護I/O、時鍾、複位引腳,而VCC電源引腳則采用多層壓敏電阻或瞬態抑製器件來實現保護功能。
由USB、HDMI、DVI以及其他的高速接口帶來的更快的數據通信速率,使得過去傳統的ESD解(jie)決(jue)方(fang)案(an)不(bu)再(zai)有(you)效(xiao)。多(duo)層(ceng)壓(ya)敏(min)電(dian)阻(zu)和(he)基(ji)於(yu)矽(gui)的(de)瞬(shun)態(tai)電(dian)壓(ya)抑(yi)製(zhi)器(qi)件(jian)具(ju)有(you)太(tai)高(gao)的(de)電(dian)容(rong),導(dao)致(zhi)無(wu)法(fa)保(bao)證(zheng)高(gao)速(su)數(shu)據(ju)通(tong)信(xin)時(shi)的(de)不(bu)失(shi)真(zhen)和(he)插(cha)入(ru)損(sun)耗(hao)。新(xin)型(xing)的(de)基(ji)於(yu)間(jian)隙(xi)的(de)器(qi)件(jian)將(jiang)有(you)效(xiao)電(dian)容(rong)大(da)大(da)降(jiang)低(di),達(da)到(dao) 0.05pF或者更低。此外,基於間隙的器件可提供非常低的漏電流和極高的穩定性,甚至可以經受上千次的ESD事件。近期的技術突破使得比聚合物器件具有更低電容和更低觸發電壓,以及鉗位電壓的基於空氣間隙的ESD抑製器件成為現實。低觸發電壓和低鉗位電壓意味著可實現更精確的保護,以及更少的來自ESD 的能量到達敏感器件,以得到更長久的可靠性。
- 靜電放電保護方案概覽
- 抑製器技術比較
- 應用及終端產品
- 間隙技術(空氣間隙)
高清電視及顯示器的發展加速提高了信號傳輸速率,除此之外,USB 2.0以及USB 3.0等高速串行協議的應用也使信號速率在不斷提高。隨著信號速率的提高,以前傳統的ESD保護技術已顯得過時,多層壓敏電阻、矽二極管的高電容、漏電流以及鉗位電壓已經不能提供準確可靠的保護,以保證高速信號不發生明顯的信號降級。
通過采用間隙技術(gap technology),特別是采用空氣作為間隙,已經在低電容抑製器、更低漏電流、更低鉗位電壓等方麵實現了可觀的性能提升。總之,在重複多次或持續的 ESD事件後,聚合物間隙抑製器會降級,而空氣間隙器件仍將保持非常低的電容、漏電流和觸發電壓,即使在1s事件間隔內經過1000次ESD事件,也能保持良好的性能。
靜電放電保護方案概覽
對於數據速率在350Mb/s或低於350Mb/s的應用,瞬態抑製二極管和多層壓敏電阻是提供保護的極好選擇。這些應用包括標清LCD顯示器、TFT顯示器,以及大多數的計算機周邊接口及連接。這些信號天生就允許高的插入損耗、高gao鉗qian位wei電dian壓ya和he觸chu發fa電dian壓ya。鑒jian於yu電dian源yuan引yin腳jiao上shang並bing沒mei有you任ren何he信xin號hao,因yin此ci,高gao速su抑yi製zhi相xiang應ying並bing不bu是shi必bi需xu的de。瞬shun態tai抑yi製zhi二er極ji管guan和he多duo層ceng壓ya敏min電dian阻zu也ye可ke以yi有you效xiao地di保bao護hu像xiangUSB 2.0以及其他更高速率的接口電源引腳。但是,對於像DVI、HDMI、USB 3.0以及最新的IEEE 1394 A和B標準下的數據通信線路,實現最小信號失真的高速抑製響應對於係統性能和電路保護是至關重要的。這些應用包括數字視頻設備、MP3播放器、手機、 PDA、網絡交換器、有線和衛星電視機頂盒、打印機、掃描儀、複印機以及筆記本電腦和上網本等計算機設備。

圖1 不同數據速率對應的靜電放電抑製技術
表 1給(gei)出(chu)了(le)在(zai)靜(jing)電(dian)放(fang)電(dian)抑(yi)製(zhi)器(qi)件(jian)中(zhong)常(chang)用(yong)的(de)幾(ji)種(zhong)核(he)心(xin)技(ji)術(shu)的(de)優(you)點(dian)和(he)缺(que)點(dian)對(dui)比(bi)。聚(ju)合(he)物(wu)靜(jing)電(dian)放(fang)電(dian)抑(yi)製(zhi)器(qi)件(jian)在(zai)各(ge)種(zhong)技(ji)術(shu)中(zhong)可(ke)提(ti)供(gong)最(zui)低(di)的(de)漏(lou)電(dian)流(liu),可(ke)承(cheng)受(shou)非(fei)常(chang)高(gao)的(de)靜(jing)電(dian)放(fang)電(dian)電(dian)壓(ya)脈(mai)衝(chong),但(dan)在(zai)多(duo)次(ci)靜(jing)電(dian)放(fang)電(dian)事(shi)件(jian)後(hou)器(qi)件(jian)會(hui)開(kai)始(shi)降(jiang)級(ji)。除(chu)此(ci)之(zhi)外(wai),該(gai)類(lei)器(qi)件(jian)相(xiang)對(dui)高(gao)的(de)觸(chu)發(fa)電(dian)壓(ya)和(he)鉗(qian)位(wei)電(dian)壓(ya)(比空氣間隙放電產品高出50~100倍)則意味著更多的靜電放電脈衝能量可以通過被保護的電路。
表1 幾種不同抑製器技術比較


多(duo)年(nian)以(yi)來(lai),在(zai)多(duo)種(zhong)電(dian)器(qi)設(she)備(bei)中(zhong)廣(guang)泛(fan)應(ying)用(yong)多(duo)層(ceng)壓(ya)敏(min)電(dian)阻(zu)來(lai)提(ti)供(gong)有(you)效(xiao)的(de)靜(jing)電(dian)放(fang)電(dian)抑(yi)製(zhi)。多(duo)層(ceng)壓(ya)敏(min)電(dian)阻(zu)相(xiang)對(dui)較(jiao)低(di)的(de)擊(ji)穿(chuan)電(dian)壓(ya)和(he)觸(chu)發(fa)電(dian)壓(ya)以(yi)及(ji)能(neng)經(jing)受(shou)多(duo)次(ci)脈(mai)衝(chong)的(de)能(neng)力(li)是(shi)相(xiang)當(dang)令(ling)人(ren)滿(man)意(yi)的(de)。可(ke)是(shi),多(duo)層(ceng)壓(ya)敏(min)電(dian)阻(zu)具(ju)有(you)較(jiao)高(gao)的(de)漏(lou)電(dian)流(liu)和(he)電(dian)容(rong),並(bing)且(qie)降(jiang)低(di)電(dian)容(rong)帶(dai)來(lai)的(de)有(you)害(hai)影(ying)響(xiang)導(dao)致(zhi)其(qi)無(wu)法(fa)勝(sheng)任(ren)高(gao)速(su)數(shu)據(ju)的(de)應(ying)用(yong)。[page]
基於矽的瞬態電壓抑製器件工作在標準P/N結的擊穿狀態,相比基於聚合物-間隙(polymer- gapbased)的器件可提供相對低的觸發電壓和鉗位電壓。該類器件的泄漏電流比空氣間隙器件(air-gap device)的高10~20倍(bei),其(qi)相(xiang)對(dui)較(jiao)高(gao)的(de)固(gu)有(you)電(dian)容(rong)導(dao)致(zhi)高(gao)信(xin)號(hao)失(shi)真(zhen)和(he)插(cha)入(ru)損(sun)耗(hao)。基(ji)於(yu)空(kong)氣(qi)間(jian)隙(xi)的(de)器(qi)件(jian)在(zai)以(yi)上(shang)討(tao)論(lun)過(guo)的(de)所(suo)有(you)技(ji)術(shu)中(zhong)可(ke)提(ti)供(gong)最(zui)低(di)的(de)電(dian)容(rong)和(he)鉗(qian)位(wei)電(dian)壓(ya),其(qi)工(gong)作(zuo)在(zai)兩(liang)個(ge)電(dian)極(ji)間(jian)的(de)惰(duo)性(xing)氣(qi)體(ti)擊(ji)穿(chuan)狀(zhuang)態(tai)。基(ji)於(yu)空(kong)氣(qi)間(jian)隙(xi)的(de)器(qi)件(jian)可(ke)以(yi)防(fang)止(zhi)高(gao)達(da)15kV的脈衝,它們在經曆1000次脈衝衝擊後性能特點也相當穩定(如圖2 所示)。基於空氣間隙的器件泄漏電流略高於基於聚合物-間隙的器件,但是其電容和插入損耗與聚合物器件相當或者稍好一些,並且其鉗位電壓和觸發電壓要低得多。

圖2 基於空氣-間隙的器件在經曆1000次脈衝衝擊後性能特點也相當穩定
應用及終端產品
xuduogaosushujuyingyonghezhongduanchanpincaiyonghunheshibaohufangshi,zaishujuheshizhongxianshangcaiyongjiyujianxideqijian,zaidianyuanlianjiebufencaiyongduocengyamindianzuhuojiyuguideshuntaidianyayizhierjiguan。liru,USB接口的D+和D–線要求高速保護,這可以采用分立的芯片利用附加的多層壓敏電阻或瞬態電壓抑製器件用於VDD電源保護。PC、筆記本電腦、上網本等產品中常常需要多個USB接口連接。
對於這些設備,兩個分離的端口的數據線對(data line pairs)可以采用在USB控製器和端口之間的一個單芯片陣列來實現保護功能(如圖3所示)。理想情況下,靜電放電抑製器件應該盡可能地在物理上靠近 USB端口,以保證提供合適的電路保護。

圖3 兩個分離的端口的數據線對可以采用在USB控製器和端口之間的一個單芯片陣列來實現保護功能
現在,在高清電視和顯示器中,HDMI連接已經非常普遍。這些連接器共擁有19個引腳,包括:3個數據通道對(data channel pairs)(每個帶一個地)、一個TMDS對(加上地)、DDC數據、時鍾、CE遠程線,所有這些都需要高速保護。通過將2個數據通道對采用一個陣列,另一個數據通道對與TMDS時鍾對采用一個陣列,則隻需要兩個靜電放電抑製陣列,即可對8個高速連接提供有效的保護,剩下的3個(DDC數據、時鍾、CE 遠程線)可以采用分立的靜電放電抑製芯片來實現保護功能。
數碼相機、手機、PDA中常用的小型存儲卡的保護相對來說就比較簡單了,唯一不同的一點要求是器件的尺寸要小,像0402尺寸的器件就可以很好地滿足要求。
雖然0201尺寸的器件還不能確定什麼時候會麵市,但可以預見將來會出現0201尺寸的器件。對這些SIM卡,常用分立的高速抑製芯片來保護I/O、時鍾、複位引腳,而VCC電源引腳則采用多層壓敏電阻或瞬態抑製器件來實現保護功能。
由USB、HDMI、DVI以及其他的高速接口帶來的更快的數據通信速率,使得過去傳統的ESD解(jie)決(jue)方(fang)案(an)不(bu)再(zai)有(you)效(xiao)。多(duo)層(ceng)壓(ya)敏(min)電(dian)阻(zu)和(he)基(ji)於(yu)矽(gui)的(de)瞬(shun)態(tai)電(dian)壓(ya)抑(yi)製(zhi)器(qi)件(jian)具(ju)有(you)太(tai)高(gao)的(de)電(dian)容(rong),導(dao)致(zhi)無(wu)法(fa)保(bao)證(zheng)高(gao)速(su)數(shu)據(ju)通(tong)信(xin)時(shi)的(de)不(bu)失(shi)真(zhen)和(he)插(cha)入(ru)損(sun)耗(hao)。新(xin)型(xing)的(de)基(ji)於(yu)間(jian)隙(xi)的(de)器(qi)件(jian)將(jiang)有(you)效(xiao)電(dian)容(rong)大(da)大(da)降(jiang)低(di),達(da)到(dao) 0.05pF或者更低。此外,基於間隙的器件可提供非常低的漏電流和極高的穩定性,甚至可以經受上千次的ESD事件。近期的技術突破使得比聚合物器件具有更低電容和更低觸發電壓,以及鉗位電壓的基於空氣間隙的ESD抑製器件成為現實。低觸發電壓和低鉗位電壓意味著可實現更精確的保護,以及更少的來自ESD 的能量到達敏感器件,以得到更長久的可靠性。
特別推薦
- 噪聲中提取真值!瑞盟科技推出MSA2240電流檢測芯片賦能多元高端測量場景
- 10MHz高頻運行!氮矽科技發布集成驅動GaN芯片,助力電源能效再攀新高
- 失真度僅0.002%!力芯微推出超低內阻、超低失真4PST模擬開關
- 一“芯”雙電!聖邦微電子發布雙輸出電源芯片,簡化AFE與音頻設計
- 一機適配萬端:金升陽推出1200W可編程電源,賦能高端裝備製造
技術文章更多>>
- 2026藍牙亞洲大會暨展覽在深啟幕
- 新市場與新場景推動嵌入式係統研發走向統一開發平台
- 維智捷發布中國願景
- 2秒啟動係統 • 資源受限下HMI最優解,米爾RK3506開發板× LVGL Demo演示
- H橋降壓-升壓電路中的交替控製與帶寬優化
技術白皮書下載更多>>
- 車規與基於V2X的車輛協同主動避撞技術展望
- 數字隔離助力新能源汽車安全隔離的新挑戰
- 汽車模塊拋負載的解決方案
- 車用連接器的安全創新應用
- Melexis Actuators Business Unit
- Position / Current Sensors - Triaxis Hall
熱門搜索
Tektronix
Thunderbolt
TI
TOREX
TTI
TVS
UPS電源
USB3.0
USB 3.0主控芯片
USB傳輸速度
usb存儲器
USB連接器
VGA連接器
Vishay
WCDMA功放
WCDMA基帶
Wi-Fi
Wi-Fi芯片
window8
WPG
XILINX
Zigbee
ZigBee Pro
安規電容
按鈕開關
白色家電
保護器件
保險絲管
北鬥定位
北高智

