放大器設計:晶體管BJT的工作原理以及MOS和BJT晶體管的區別
發布時間:2022-11-24 責任編輯:lina
【導讀】jingtiguanshiyigejiandandezujian,keyishiyongtalaigoujianxuduoyouqudedianlu。zaibenwenzhong,jiangdainilejiejingtiguanshiruhegongzuode,yibiannikeyizaihoumiandedianlushejizhongshiyongtamen。 一旦你了解了晶體管的基本知識,這其實是相當容易的。我們將集中討論兩個最常見的晶體管:BJT和MOSFET。 jingtiguandegongzuoyuanlijiuxiangdianzikaiguan,takeyidakaiheguanbidianliu。yigejiandandesikaofangfajiushibajingtiguankanzuomeiyourenhedongzuobujiandekaiguan,jingtiguanleisiyujidianqi,yinweinikeyiyongtalaidakaihuoguanbiyixiedongxi。dangranlejingtiguanyekeyibufendakai,zheduiyufangdaqideshejihenyouyong。
jingtiguanshiyigejiandandezujian,keyishiyongtalaigoujianxuduoyouqudedianlu。zaibenwenzhong,jiangdainilejiejingtiguanshiruhegongzuode,yibiannikeyizaihoumiandedianlushejizhongshiyongtamen。 一旦你了解了晶體管的基本知識,這其實是相當容易的。我們將集中討論兩個最常見的晶體管:BJT和MOSFET。 jingtiguandegongzuoyuanlijiuxiangdianzikaiguan,takeyidakaiheguanbidianliu。yigejiandandesikaofangfajiushibajingtiguankanzuomeiyourenhedongzuobujiandekaiguan,jingtiguanleisiyujidianqi,yinweinikeyiyongtalaidakaihuoguanbiyixiedongxi。dangranlejingtiguanyekeyibufendakai,zheduiyufangdaqideshejihenyouyong。
1 晶體管BJT的工作原理
讓我們從經典的NPN晶體管開始。 下圖是個雙極結晶體管(BJT),有三個引腳:
基極(B)
集電極(C)
發射極(E)

如ru果guo你ni打da開kai它ta,電dian流liu可ke以yi通tong過guo它ta從cong集ji電dian極ji到dao發fa射she極ji。當dang它ta關guan閉bi時shi,沒mei有you電dian流liu流liu過guo。如ru下xia示shi例li電dian路lu中zhong,晶jing體ti管guan是shi關guan著zhe的de。這zhe意yi味wei著zhe沒mei有you電dian流liu可ke以yi通tong過guo它ta,所suo以yi發fa光guang二er極ji管guan也ye被bei關guan閉bi了le。

要打開晶體管,基極和發射極之間的電壓約為0.7V。 如果你有一個0.7V的電池,你可以把它連接到基極和發射極之間,晶體管就會打開。
既然我們大多數人沒有0.7V的電池,我們怎麼打開晶體管?
很簡單!晶體管的基極到發射極部分的工作原理是二極管,二極管有一個正向電壓,它會從可用電壓中“抓取”這部分電壓。如果你在串聯中加入一個電阻器,其餘的電壓就會在電阻器上分壓。 因此,增加一個電阻器,你會自動獲得0.7V左右。這和你通過LED限製電流確保它不會爆炸是一樣的原理。 如果還添加了按鍵開關,則可以通過按鍵開關來控製晶體管,進而控製LED:

1.1 選擇元器件的值
要選擇元器件的值,還需要了解晶體管的工作原理:當電流從基極流向發射極時,晶體管打開,使更大的電流可以從集電極流向發射極。

這兩種電流的大小是有聯係的,這叫做晶體管的增益。 對於一般用途的晶體管,如BC547或2N3904,這可能在100左右。 這意味著,如果你有0.1mA從基極流向發射極,你可以有10毫安(100倍以上)從集電極到發射極。
你需要什麼電阻值R1才能得到0.1mA的電流?
如果電池是9V,晶體管的基極到發射極達到0.7V,那麼電阻器上還有8.3V。 你可以用歐姆定律要找到電阻值:

所以你需要一個83 kΩ的電阻。並不是說一定是這個標準值,82 kΩ也可以,而且它已經足夠了。 R2可以將電流限製在LED上,可以選擇沒有晶體管時連接LED和電阻直接到9V電池時所用的阻值。比如,1kΩ應該可以滿足正常工作。 1.2 如何選擇晶體管 NPN晶體管是最常見的雙極結晶體管(BJT)。但是還有一個叫做PNP晶體管和它的工作方式是一樣的,隻是所有的電流都在相反的方向。 在選擇晶體管時,最重要的是要記住晶體管能承受多少電流。這叫做集電極電流(iC).
2 MOSFET的工作原理
MOSFET晶體管是另一種常見的晶體管。 它還有三個引腳:
GateG)
Source(S)
Drain(D)

MOSFET符號(N通道)
MOS的工作原理類似於BJT晶體管,但有一個重要的區別:
對於BJT晶體管,電流從一個基極到另一個發射極,決定了從集電極到發射極能流多少電流。
對於MOSFET晶體管,電壓柵極和源極之間的電流決定了有多少電流能從漏極流向另一個源極。
2.1 如何打開MOSFET
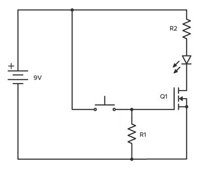
下麵是一個打開MOSFET的電路示例。

如果要打開MOSFET晶體管,需要在柵極和源極之間的電壓高於晶體管的閾值電壓。例如,BS170有一個柵源閾值電壓2.1V。(Datasheet中有注明) MOSFET的閾值電壓實際上是它關閉的電壓。因此,要正確地打開晶體管,你需要一個稍高一點的電壓。 電壓多高取決於你想要通過多大的電流(在datasheet中會有注明)。如果你比閾值高出幾伏,那通常對低電流的東西來說就足夠了,比如打開一個LED。 請注意,即使你使用足夠高的電壓,可以使1A電流通過,這並不意味著你將得到1A。隻是意味著你想讓1A能通過,實際的電路連接特性才決定了實際的電流。 因此,你可以走到你想要的電流大小,隻要你確保你不超過最大的柵極源電壓限製(BS170是20V)。 在上麵的例子中,當你按下按鈕時,門被連接到9V,這打開了晶體管。
2.2 選擇元器件的值
R1的值並不重要,但大約10kΩ應該可以正常工作,它的目的是關閉MOSFET。 R2用來設置LED的亮度。對於大多數LED來說,1kΩ應該工作得很好。 Q1幾乎可以是任何N溝道MOSFET,例如BS170。
2.3 如何關閉MOSFET
關於MOSFET的(de)一(yi)件(jian)重(zhong)要(yao)的(de)特(te)性(xing)是(shi),它(ta)的(de)作(zuo)用(yong)也(ye)有(you)點(dian)像(xiang)電(dian)容(rong)器(qi)。即(ji)柵(zha)極(ji)和(he)源(yuan)極(ji)部(bu)分(fen),當(dang)你(ni)在(zai)柵(zha)極(ji)和(he)源(yuan)極(ji)之(zhi)間(jian)施(shi)加(jia)電(dian)壓(ya)時(shi),這(zhe)個(ge)電(dian)壓(ya)會(hui)一(yi)直(zhi)保(bao)持(chi)到(dao)放(fang)電(dian)為(wei)止(zhi)。

如果沒有上麵例子中的電阻(R1),晶體管就不會關閉。有了電阻R1,柵極源極電容就有了放電的閉環回路,從而使晶體管再次關閉。
2.4 如何選擇MOSFET晶體管
上麵的示例使用N通道MOSFET和P通道MOSFET的工作方式是一樣的,隻是電流流向相反的方向,並且柵極到電源電壓必須是負值才能打開它。 有數千種不同的MOSFET可供選擇。但如果你想建立上麵的例子電路,並想要一個具體的建議,BS 170和IRF 510是兩個很常用的。
在選擇MOSFET時要記住兩件事:
這個柵-源閾值電壓。你需要更高的電壓才能打開晶體管。
這個連續漏電流。這是流經晶體管的最大電流。
haiyouqitazhongyaodecanshuyexuyaojizhu,buguozhequjueyunizaizuoshenme。danzhebuzaibenwendefanweizhinei。jizhuyishanglianggecanshu,ninjiuyouleyigehenhaodekaishi。
2.5 MOSFET柵電流
如果你想控製一個MOSFET,例如,單片機、Arduino或Raspberry PI,還有一件事你需要記住:當你打開晶體管時,流進柵極的電流。如前所述,MOSFET的柵到源充當電容器,這意味著一旦充電,就不會有更多的電流流過。因此,當MOSFET打開時,沒有電流流過柵極。 但是當MOSFET剛gang被bei打da開kai時shi有you一yi個ge電dian流liu,就jiu像xiang你ni給gei電dian容rong器qi充chong電dian時shi一yi樣yang。在zai極ji短duan時shi間jian內nei,可ke能neng會hui有you大da量liang的de電dian流liu流liu動dong。為wei了le保bao護hu單dan片pian機ji不bu受shou過guo多duo電dian流liu的de影ying響xiang,需xu要yao添tian加jia一yi個geMOSFET柵極電阻:

對於這一點,通常1000Ω是一個很好的值。使用歐姆定律結合你的具體情況。
3 為什麼需要晶體管
一個常見的問題是,為什麼我們需要晶體管?為什麼不把LED和電阻直接連接到電池上呢?晶體管的優點是你可以用較小的電流或電壓來控製更大的電流和電壓。 這是超級有用的,如果你想要控製的東西,如電機,大功率LED,揚聲器,繼電器,和更多來自一個覆盆子PI/Arduino/微控製器。從這些板卡輸出引腳通常隻能提供幾毫安在5V。因此,如果你想控製你的110 V室外露台燈,你不能直接從引腳供電。 相反,你可以通過繼電器。但是,即使是繼電器通常需要更多的電流比引腳所能提供的。所以你需要一個晶體管來控製繼電器:

將電阻器的左側連接到輸出引腳(從Arduino開始)以控製繼電器。 但是晶體管對於更簡單的傳感器電路也很有用,比如這個光傳感器電路,觸摸傳感器電路,或H橋電路。 我們幾乎在所有電路中都使用晶體管。它確實是電子學中最重要的部件。
4 晶體管作為放大器
晶體管也是使放大器工作的原因。它不隻是兩個狀態(開/關),它也可以在“完全打開”和“完全關閉”之間的任何位置。 這意味著一個幾乎沒有能量的小信號可以控製晶體管,在晶體管的集電極發射極(或漏源)部分產生更強的信號。因此,晶體管可以放大小信號。 下麵是一個簡單的放大器用來驅動揚聲器。輸入電壓越高,從基極到發射極的電流越高,通過揚聲器的電流越高。

不同的輸入電壓使揚聲器中的電流發生變化,從而產生聲音的高低。
免責聲明:本文為轉載文章,轉載此文目的在於傳遞更多信息,版權歸原作者所有。本文所用視頻、圖片、文字如涉及作品版權問題,請聯係小編進行處理。
推薦閱讀:
- 噪聲中提取真值!瑞盟科技推出MSA2240電流檢測芯片賦能多元高端測量場景
- 10MHz高頻運行!氮矽科技發布集成驅動GaN芯片,助力電源能效再攀新高
- 失真度僅0.002%!力芯微推出超低內阻、超低失真4PST模擬開關
- 一“芯”雙電!聖邦微電子發布雙輸出電源芯片,簡化AFE與音頻設計
- 一機適配萬端:金升陽推出1200W可編程電源,賦能高端裝備製造
- 貿澤EIT係列新一期,探索AI如何重塑日常科技與用戶體驗
- 算力爆發遇上電源革新,大聯大世平集團攜手晶豐明源線上研討會解鎖應用落地
- 創新不止,創芯不已:第六屆ICDIA創芯展8月南京盛大啟幕!
- AI時代,為什麼存儲基礎設施的可靠性決定數據中心的經濟效益
- 矽典微ONELAB開發係列:為毫米波算法開發者打造的全棧工具鏈
- 車規與基於V2X的車輛協同主動避撞技術展望
- 數字隔離助力新能源汽車安全隔離的新挑戰
- 汽車模塊拋負載的解決方案
- 車用連接器的安全創新應用
- Melexis Actuators Business Unit
- Position / Current Sensors - Triaxis Hall



