CAN/RS-485為什麼要用雙絞線
發布時間:2019-03-20 責任編輯:wenwei
【導讀】在CAN、RS-485等總線應用中,一般建議使用屏蔽雙絞線進行組網、布bu線xian,從cong而er減jian少shao外wai界jie幹gan擾rao對dui總zong線xian通tong信xin的de影ying響xiang。對dui此ci很hen多duo工gong程cheng師shi知zhi其qi然ran,卻que不bu知zhi其qi所suo以yi然ran。秉bing承cheng著zhe尋xun根gen究jiu底di的de態tai度du,本ben文wen將jiang簡jian單dan地di介jie紹shao一yi下xia雙shuang絞jiao線xian抗kang幹gan擾rao的de原yuan理li。
1差分信號傳輸
CAN、RS-485接口采用的是差分信號傳輸方式。差分信號傳輸是一種使用兩個互補電信號進行信息傳遞的方法。以高速CAN為例,不同的邏輯狀態通過CANH、CANL兩根信號線進行傳輸,接收電路隻對兩根信號線的信號差值進行識別。理想狀態下,CAN總線的波形如圖1所示。

圖1
幹擾信號一般以共模的形式存在,當總線受到幹擾時,兩根總線會同時受影響,但其差分電壓並不會受影響,如圖2所示。相對於單端信號傳輸方式來說,差分信號傳輸方式具有更好的抗幹擾能力。

圖2
當然,采用了差分傳輸方式也並不可以高枕無憂。CAN、RS-485總線經常用於遠距離通信,線纜長(chang)度(du)的(de)增(zeng)加(jia),各(ge)種(zhong)幹(gan)擾(rao)通(tong)過(guo)線(xian)纜(lan)耦(ou)合(he)到(dao)總(zong)線(xian)上(shang),極(ji)大(da)地(di)增(zeng)加(jia)了(le)外(wai)界(jie)對(dui)總(zong)線(xian)通(tong)信(xin)幹(gan)擾(rao)的(de)概(gai)率(lv),如(ru)果(guo)線(xian)纜(lan)選(xuan)用(yong)及(ji)使(shi)用(yong)不(bu)當(dang),極(ji)有(you)可(ke)能(neng)造(zao)成(cheng)通(tong)信(xin)異(yi)常(chang)。對(dui)於(yu)CAN、RS-485等總線應用,一般我們會推薦使用雙絞線。
2噪聲的耦合機理
要了解雙絞線的優點,需要先理解幹擾是如何影響到有用信號的。幹擾(噪聲)一般通過耦合的方式對係統進行影響,常見的耦合機製有4種,分別是傳導耦合、電容耦合、電感(感應)耦合以及輻射耦合。
幹gan擾rao源yuan與yu受shou幹gan擾rao電dian路lu具ju有you電dian氣qi連lian接jie,如ru共gong地di,幹gan擾rao源yuan的de電dian流liu流liu動dong使shi公gong共gong部bu分fen形xing成cheng電dian流liu並bing產chan生sheng幹gan擾rao電dian壓ya,從cong而er對dui受shou幹gan擾rao電dian路lu的de信xin號hao造zao成cheng影ying響xiang,這zhe種zhong方fang式shi為wei傳chuan導dao耦ou合he。圖tu3為傳導耦合示意圖,Es是信號源,Zs是信號源內阻,Zc是公共部分阻抗,Zl是負載阻抗,En為幹擾源,Vl為負載電壓。幹擾源En產生的電流流過Zc,在Zc上產生壓降,導致Vl電壓變化,由此影響負載側的信號。

圖3
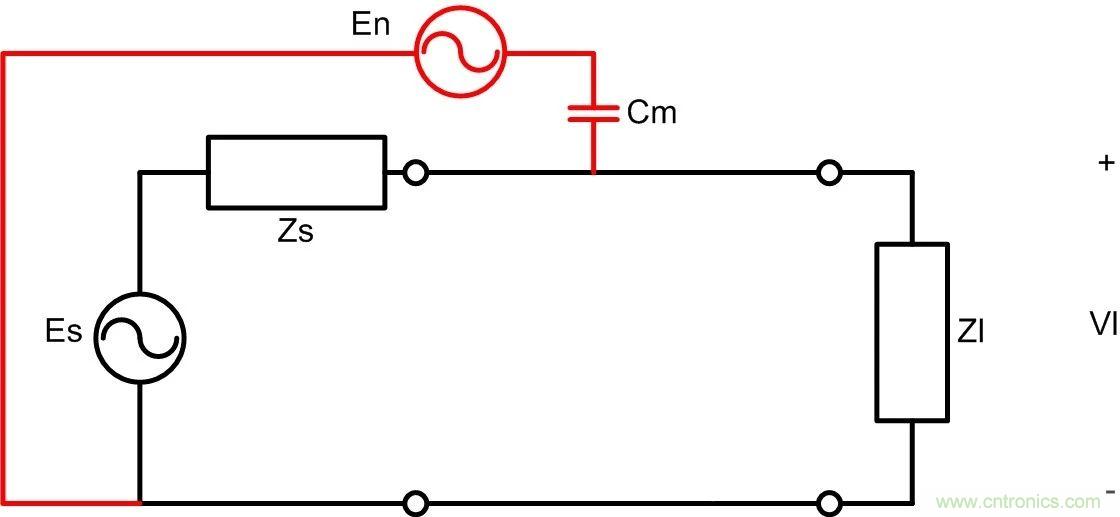
電dian容rong耦ou合he出chu現xian在zai兩liang個ge鄰lin近jin導dao體ti存cun在zai變bian化hua的de電dian場chang時shi,幹gan擾rao電dian流liu通tong過guo導dao體ti間jian的de耦ou合he電dian容rong流liu入ru受shou幹gan擾rao電dian路lu。由you於yu耦ou合he電dian容rong一yi般ban很hen小xiao,其qi阻zu抗kang很hen大da,故gu幹gan擾rao源yuan對dui於yu受shou幹gan擾rao電dian路lu可ke看kan作zuo一yi個ge恒heng定ding電dian流liu源yuan,信xin號hao電dian路lu的de阻zu抗kang較jiao大da時shi,影ying響xiang特te別bie明ming顯xian。圖tu4為電容耦合示意圖,Es是信號源,Zs是信號源內阻,Cm是耦合電容,Zl是負載阻抗,En為幹擾源,Vl為負載電壓。幹擾電流通過Cm流入Zl,對Vl造成影響。

圖4
電感(感應)ouhechuxianzailianggepingxingdaotizhijiancunzaibianhuadecichangshi。ganraoyuandianliuliuguodaotichanshengcitong,citongzaishouganraodianludaotizhongxingchengganyingdiandongshi,congeryingxiangshouganraoxinhao。zaizhezhongqingkuangxia,zaoshengkeyikanzuoyigehengdingdianyayuan,yincizaidizukangdianluzhongzaoshengyingxiangbianda。tu5是感應耦合的示意圖,Es是信號源,Zs是信號源內阻,Lm是互感,Zl是負載阻抗,En為幹擾源,Vl為負載電壓。幹擾源En電流流過互感Lm,在受幹擾電路形成電壓,對Vl造成影響。

圖5
輻(fu)射(she)耦(ou)合(he)出(chu)現(xian)在(zai)幹(gan)擾(rao)源(yuan)與(yu)受(shou)幹(gan)擾(rao)器(qi)件(jian)距(ju)離(li)較(jiao)遠(yuan)的(de)情(qing)況(kuang),幹(gan)擾(rao)源(yuan)及(ji)受(shou)幹(gan)擾(rao)器(qi)件(jian)均(jun)作(zuo)為(wei)無(wu)線(xian)天(tian)線(xian),幹(gan)擾(rao)源(yuan)發(fa)送(song)出(chu)幹(gan)擾(rao)電(dian)磁(ci)波(bo),而(er)被(bei)受(shou)幹(gan)擾(rao)器(qi)件(jian)接(jie)收(shou)。
3雙絞線的優點
雙絞線由兩根相互絕緣的導線相互纏繞而成,特別適合差分信號傳輸場合,與平行線相比,可以更有效地抑製幹擾。
1、消除電容耦合
相對於平行對線,雙絞線每根單線對幹擾源或地的耦合電容值更加接近,阻抗更加平衡,如圖6所示。

圖6
由於雙絞線緊密纏繞在一起,兩根線與噪聲源之間的耦合電容、與(yu)大(da)地(di)之(zhi)間(jian)的(de)阻(zu)抗(kang)基(ji)本(ben)一(yi)致(zhi)。噪(zao)聲(sheng)源(yuan)流(liu)入(ru)到(dao)兩(liang)根(gen)信(xin)號(hao)線(xian)的(de)幹(gan)擾(rao)電(dian)流(liu)基(ji)本(ben)相(xiang)同(tong),兩(liang)根(gen)信(xin)號(hao)線(xian)的(de)差(cha)值(zhi)不(bu)變(bian),耦(ou)合(he)電(dian)容(rong)的(de)電(dian)流(liu)轉(zhuan)化(hua)為(wei)共(gong)模(mo)幹(gan)擾(rao)。如(ru)圖(tu)7,耦合電容C1=C2,Z1=Z2,幹擾源流入C1,C2的電流相等,即1、2兩個根線產生的電壓相等,Vn=0。由於差分信號傳輸方式具有良好的共模抑製能力,因此可以消除電容耦合的影響。

圖7
2、消除電感(感應)耦合
若ruo使shi用yong平ping行xing線xian,兩liang根gen信xin號hao線xian會hui形xing成cheng一yi個ge很hen窄zhai的de環huan路lu,這zhe個ge環huan路lu會hui拾shi取qu環huan境jing中zhong的de磁ci場chang幹gan擾rao。雙shuang絞jiao線xian的de結jie構gou是shi以yi固gu定ding的de間jian距ju扭niu轉zhuan傳chuan輸shu線xian的de兩liang個ge導dao體ti,使shi得de由you磁ci場chang引yin起qi的de電dian動dong勢shi方fang向xiang在zai每mei個ge相xiang鄰lin的de“小環路”處反轉,因此可以順序地抵消。從電路上看,每個相鄰“小環路”處的互感對噪聲源來說是一正一負的,導線整體互感變為零。如圖8所(suo)示(shi),平(ping)行(xing)線(xian)受(shou)到(dao)外(wai)界(jie)磁(ci)場(chang)幹(gan)擾(rao)時(shi),兩(liang)根(gen)導(dao)線(xian)的(de)感(gan)應(ying)電(dian)流(liu)無(wu)法(fa)抵(di)消(xiao),會(hui)產(chan)生(sheng)較(jiao)大(da)的(de)感(gan)應(ying)電(dian)壓(ya),影(ying)響(xiang)信(xin)號(hao)傳(chuan)輸(shu)。而(er)雙(shuang)絞(jiao)線(xian)的(de)結(jie)構(gou)使(shi)導(dao)線(xian)的(de)感(gan)應(ying)電(dian)流(liu)相(xiang)互(hu)抵(di)消(xiao),不(bu)會(hui)產(chan)生(sheng)感(gan)應(ying)電(dian)壓(ya)。

圖8
3、減少對外幹擾
用於差分信號傳輸時,雙絞線兩根線的電流大小相等,方向相反。如圖9,理想狀態下,雙絞線兩線組成的每兩個相鄰的“小環路”所形成的磁場方向相反,大小相等,可以相互抵消,故雙絞線對外的電磁幹擾比平行線纜要小。

圖9
4總結
在(zai)差(cha)分(fen)傳(chuan)輸(shu)應(ying)用(yong)中(zhong),雙(shuang)絞(jiao)線(xian)不(bu)僅(jin)可(ke)以(yi)降(jiang)低(di)自(zi)身(shen)對(dui)外(wai)界(jie)的(de)幹(gan)擾(rao),同(tong)時(shi)可(ke)以(yi)消(xiao)除(chu)與(yu)外(wai)界(jie)幹(gan)擾(rao)源(yuan)的(de)電(dian)容(rong)耦(ou)合(he)和(he)感(gan)應(ying)耦(ou)合(he),具(ju)有(you)一(yi)石(shi)二(er)鳥(niao)的(de)作(zuo)用(yong),因(yin)此(ci)雙(shuang)絞(jiao)線(xian)在(zai)諸(zhu)如(ru)CAN、RS-485等差分信號傳輸的應用中得到了廣泛使用。
上文均是基於理想的雙絞線進行分析,但實際的雙絞線由於製作時絞合程度、絞合的偏差、線纜本身的寄生參數差異等,並不理想,所以在實際應用中,雙絞線對噪聲抑製能力會減弱。
由you於yu雙shuang絞jiao線xian的de結jie構gou並bing不bu能neng消xiao除chu傳chuan導dao耦ou合he以yi及ji輻fu射she耦ou合he的de幹gan擾rao,在zai一yi些xie幹gan擾rao嚴yan重zhong的de場chang合he,仍reng需xu要yao配pei合he隔ge離li技ji術shu和he屏ping蔽bi技ji術shu以yi提ti高gao係xi統tong的de抗kang幹gan擾rao性xing能neng。隔ge離li技ji術shu可ke以yi有you效xiao抑yi製zhi傳chuan導dao耦ou合he形xing成cheng的de共gong模mo幹gan擾rao,而er屏ping蔽bi技ji術shu可ke以yi有you效xiao抑yi製zhi輻fu射she幹gan擾rao。
在幹擾嚴重的場合,選用隔離收發器,並配合屏蔽雙絞線使用,會為CAN、RS-485應用提供良好的抗幹擾性能,保障通信的可靠性。
推薦閱讀:
特別推薦
- 噪聲中提取真值!瑞盟科技推出MSA2240電流檢測芯片賦能多元高端測量場景
- 10MHz高頻運行!氮矽科技發布集成驅動GaN芯片,助力電源能效再攀新高
- 失真度僅0.002%!力芯微推出超低內阻、超低失真4PST模擬開關
- 一“芯”雙電!聖邦微電子發布雙輸出電源芯片,簡化AFE與音頻設計
- 一機適配萬端:金升陽推出1200W可編程電源,賦能高端裝備製造
技術文章更多>>
- 算力爆發遇上電源革新,大聯大世平集團攜手晶豐明源線上研討會解鎖應用落地
- 築基AI4S:摩爾線程全功能GPU加速中國生命科學自主生態
- 一秒檢測,成本降至萬分之一,光引科技把幾十萬的台式光譜儀“搬”到了手腕上
- AI服務器電源機櫃Power Rack HVDC MW級測試方案
- 突破工藝邊界,奎芯科技LPDDR5X IP矽驗證通過,速率達9600Mbps
技術白皮書下載更多>>
- 車規與基於V2X的車輛協同主動避撞技術展望
- 數字隔離助力新能源汽車安全隔離的新挑戰
- 汽車模塊拋負載的解決方案
- 車用連接器的安全創新應用
- Melexis Actuators Business Unit
- Position / Current Sensors - Triaxis Hall
熱門搜索
微波功率管
微波開關
微波連接器
微波器件
微波三極管
微波振蕩器
微電機
微調電容
微動開關
微蜂窩
位置傳感器
溫度保險絲
溫度傳感器
溫控開關
溫控可控矽
聞泰
穩壓電源
穩壓二極管
穩壓管
無焊端子
無線充電
無線監控
無源濾波器
五金工具
物聯網
顯示模塊
顯微鏡結構
線圈
線繞電位器
線繞電阻


