方案分享:觸摸外部控製連接電路設計
發布時間:2015-01-27 責任編輯:sherryyu
【導讀】基於AT91X40 係(xi)列(lie)的(de)手(shou)持(chi)式(shi)觸(chu)摸(mo)屏(ping)具(ju)有(you)體(ti)積(ji)小(xiao)巧(qiao),功(gong)能(neng)強(qiang)大(da),操(cao)作(zuo)簡(jian)便(bian)等(deng)特(te)點(dian)。可(ke)以(yi)消(xiao)除(chu)當(dang)前(qian)手(shou)持(chi)式(shi)觸(chu)摸(mo)屏(ping)穩(wen)定(ding)性(xing)不(bu)高(gao),性(xing)能(neng)不(bu)可(ke)靠(kao)的(de)狀(zhuang)況(kuang),那(na)麼(me)如(ru)何(he)設(she)計(ji)觸(chu)摸(mo)外(wai)部(bu)控(kong)製(zhi)連(lian)接(jie)電(dian)路(lu)呢(ne)?具(ju)體(ti)方(fang)案(an)如(ru)何(he)?
基於當前手持式觸摸屏穩定性不高,性能不可靠的狀況,采用AT91X40 係列微控製器作為控製芯片,由於該芯片功能強大,集成度高,處理數據能力強,穩定性高,所以基於AT91X40 係列的手持式觸摸屏具有體積小巧,功能強大,操作簡便等特點。手持式觸摸屏的顯示和輸入設備選用了ADS7843 和SED1335 兩種主流觸摸和LCD 顯示芯片。通過現場的實驗驗證,基於AT91X40 係列的手持式觸摸屏穩定性高,工作可靠,具有實際應用價值。
觸摸控製芯片ADS7843的功能特性
ADS7843是4 線電阻觸摸屏轉換接口芯片。它是一款具有同步串行接口的12 位取樣模數轉換器。在125 kHz 吞吐速率和2.7 V 電壓下的功耗為750 μW,而在關閉模式下的功耗僅為0.5 μW。因此,ADS7843($1.8886) 以其低功耗和高速率等特性,被廣泛應用在采用電池供電的小型手持設備上。ADS7843($1.8886) 采用SSOP-16 引腳封裝形式,溫度範圍是-40~+85 ℃。ADS7843($1.8886)具有兩個輔助輸入(IN3、IN4),可設為8 位或12 位模式。其外部連接電路如圖3 所示, 該電路的工作電壓Vcc 在2.7~5.25 V 之間,基準電壓介於1 V~+Vcc。該電路基準電壓確定了轉換器輸入範圍,輸出數據中每個數字位代表的模擬電壓等於基準電壓除以4 096。平均基準輸入電流由ADS7843轉換率來確定。

圖3 ADS7843($1.8886) 外部連接電路
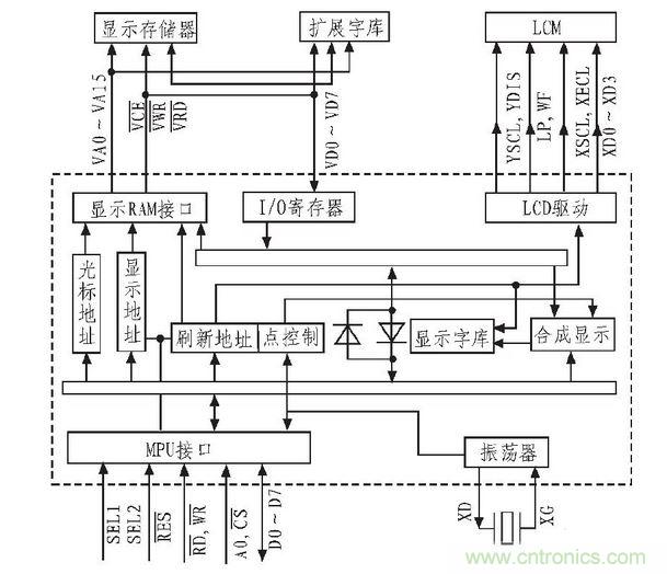
液晶顯示芯片SED1335 的結構和特點
液晶顯示器簡稱LCD, 由於液晶顯示器具有低損耗、低價格、壽命長、接口方便等優點,被廣泛應用於手機、照相機、計算機、智能儀器儀表等產品上。主要有兩種液晶顯示控製器。一種是將控製器集成在CPU 中,製成帶液晶顯示控製器的專用CPU。這種控製器的CPU 功能強大,外電路簡單,一般隻適用於小規模LCD 模塊。另一種是專用控製器芯片。這種芯片具有較強的指令功能,與CPU 接口簡單,便於控製,驅動能力可達640 ×256 點陣。本係統液晶顯示控製芯片SED1335 具有功能較強的I/O 緩衝器和豐富的指令係統,可以並行傳送4 位數據,最大驅動能力達640×256 點陣,而且能夠實現圖形和文本格式混合顯示。它的結構包括接口部分、管理控製部分和LCD 顯示驅動部分。其電路原理如圖4所示。

圖4 電路原理圖
基於AT91X40 xiliedeshouchishichumoping,juyoutijixiaoqiao,gongnengqiangda,caozuojianbiandengtedian。shouchishichumopingdexianshiheshurushebei,caiyonglexianzailiuxingdechumoping。chumopingjishufazhansudukuai,qianjingguangkuo,muqianyijingdedaoguangfanyingyong,juyoujidadeyanjiujiazhi。zhegexitongzhong,xuanyongleADS7843($1.8886) 和SED1335 兩種主流觸摸和LCD 顯示芯片。整個硬件的選擇突出了主流性、先進性,保證研究成果擁有一定實際價值。
特別推薦
- 噪聲中提取真值!瑞盟科技推出MSA2240電流檢測芯片賦能多元高端測量場景
- 10MHz高頻運行!氮矽科技發布集成驅動GaN芯片,助力電源能效再攀新高
- 失真度僅0.002%!力芯微推出超低內阻、超低失真4PST模擬開關
- 一“芯”雙電!聖邦微電子發布雙輸出電源芯片,簡化AFE與音頻設計
- 一機適配萬端:金升陽推出1200W可編程電源,賦能高端裝備製造
技術文章更多>>
- 芯科科技Tech Talks與藍牙亞洲大會聯動,線上線下賦能物聯網創新
- 冬季續航縮水怎麼辦?揭秘熱管理係統背後的芯片力量
- 從HDMI 2.1到UFS 5.0:SmartDV以領先IP矩陣夯實邊緣計算基石
- 小空間也能實現低噪供電!精密測量雙極性電源選型指南,覆蓋小功率到大電流全場景
- 直擊藍牙亞洲大會 2026:Nordic 九大核心場景演繹“萬物互聯”新體驗
技術白皮書下載更多>>
- 車規與基於V2X的車輛協同主動避撞技術展望
- 數字隔離助力新能源汽車安全隔離的新挑戰
- 汽車模塊拋負載的解決方案
- 車用連接器的安全創新應用
- Melexis Actuators Business Unit
- Position / Current Sensors - Triaxis Hall
熱門搜索
風力渦輪機
風能
風扇
風速風向儀
風揚高科
輔助駕駛係統
輔助設備
負荷開關
複用器
伽利略定位
幹電池
幹簧繼電器
感應開關
高頻電感
高通
高通濾波器
隔離變壓器
隔離開關
個人保健
工業電子
工業控製
工業連接器
工字型電感
功率表
功率電感
功率電阻
功率放大器
功率管
功率繼電器
功率器件



