電壓開關中的常見挑戰及解決方案
發布時間:2010-08-10 來源:維庫
中心議題:
中等大小電壓的開關
中等大小電壓應用(1V到200V)通常要把一個伏特計或電壓源切換到多個器件,例如測試電池、電化電池、電路配件、熱電偶等。切換多個電源和切換多個負載各自分別存在相應的問題。
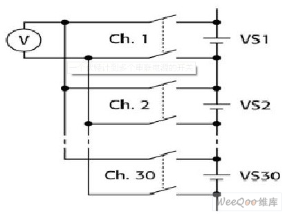
一個伏特計到多個串聯電源的開關
圖1給出了切換伏特計到多個串聯的30電壓源(VS)的情形。為了避免其中一個或多個發生短路,必須在關閉一個通道之前打開另一個通道(操作前斷開)。此外,要給每個電壓源串聯熔絲,避免超過卡的共模額定電壓。在這個例子中,每個電源都是12V,整個串聯電源的總電壓為360V。最好采用至少500V的通道-通道額定電壓和共模額定電壓。

圖1.一個伏特計到多個串聯電源的開關
一個電壓源到多個負載的開關
圖2給出了單個電壓源連接多個負載的情形。如果兩個或多個負載連接電源,那麼由於流過公共阻抗(R)(例如測試引線和線路電阻)的電流影響,每個負載上的電壓可能會小於期望值。隨著額外負載的接入,總電流將會增大,從而提高了公共阻抗(R)上的電壓降。

圖2.一個電壓源到多個負載的開關
開關電阻
當dang把ba一yi個ge電dian壓ya源yuan切qie換huan到dao多duo個ge器qi件jian時shi,可ke能neng必bi須xu對dui開kai關guan電dian阻zu產chan生sheng的de電dian壓ya降jiang進jin行xing補bu償chang。特te別bie地di,如ru果guo器qi件jian具ju有you較jiao低di的de電dian阻zu,流liu過guo開kai關guan的de電dian流liu可ke能neng會hui產chan生sheng較jiao大da的de電dian壓ya降jiang。在zai遠yuan程cheng檢jian測ce中zhong,負fu載zai上shang跨kua接jie了le外wai部bu檢jian測ce電dian路lu,這zhe種zhong方fang式shi有you助zhu於yu校xiao正zheng開kai關guan和he布bu線xian上shang的de所suo有you電dian壓ya降jiang。
低壓開關
當dang開kai關guan控kong製zhi的de信xin號hao電dian平ping為wei毫hao伏fu甚shen至zhi更geng低di時shi,采cai用yong特te殊shu的de技ji術shu有you助zhu於yu防fang止zhi電dian壓ya誤wu差cha。這zhe些xie誤wu差cha可ke能neng來lai自zi於yu卡ka上shang或huo者zhe連lian接jie線xian中zhong的de熱re電dian偏pian移yi電dian壓ya、開關膜汙染、磁場幹擾或接地環路。
熱電偏移電壓
低(di)電(dian)壓(ya)卡(ka)的(de)一(yi)項(xiang)關(guan)鍵(jian)指(zhi)標(biao)是(shi)它(ta)的(de)接(jie)觸(chu)電(dian)位(wei),即(ji)熱(re)電(dian)偏(pian)移(yi)電(dian)壓(ya)。熱(re)電(dian)電(dian)壓(ya)是(shi)不(bu)同(tong)金(jin)屬(shu)構(gou)成(cheng)的(de)結(jie)點(dian)上(shang)的(de)溫(wen)度(du)差(cha)產(chan)生(sheng)的(de)電(dian)壓(ya),例(li)如(ru)鎳(nie)鐵(tie)笛(di)簧(huang)繼(ji)電(dian)器(qi)與(yu)它(ta)們(men)連(lian)接(jie)的(de)銅(tong)導(dao)體(ti)之(zhi)間(jian)。這(zhe)種(zhong)溫(wen)度(du)梯(ti)度(du)主(zhu)要(yao)由(you)激(ji)勵(li)線(xian)圈(quan)的(de)功(gong)耗(hao)引(yin)起(qi)的(de)。這(zhe)一(yi)偏(pian)移(yi)電(dian)壓(ya)直(zhi)接(jie)疊(die)加(jia)到(dao)信(xin)號(hao)電(dian)壓(ya)上(shang),可(ke)以(yi)建(jian)模(mo)為(wei)一(yi)個(ge)不(bu)需(xu)要(yao)的(de)電(dian)壓(ya)源(yuan)與(yu)目(mu)標(biao)信(xin)號(hao)串(chuan)聯(lian)。偏(pian)移(yi)電(dian)壓(ya)會(hui)給(gei)待(dai)測(ce)器(qi)件(jian)(DUT)所施加的激勵或伏特計測量的結果造成誤差。
多種因素都會影響熱電電壓導致的卡的漂移電平,包括所采用的繼電器類型(笛簧式、固態式或機電式)、線圈驅動技術(閂鎖或非閂鎖)以及用於觸點電鍍的材料(例如,鎳合金或金)。
在(zai)笛(di)簧(huang)繼(ji)電(dian)器(qi)通(tong)電(dian)之(zhi)後(hou),它(ta)線(xian)圈(quan)上(shang)的(de)功(gong)耗(hao)將(jiang)使(shi)其(qi)溫(wen)度(du)上(shang)升(sheng)幾(ji)分(fen)鍾(zhong),因(yin)此(ci)在(zai)觸(chu)點(dian)閉(bi)合(he)之(zhi)後(hou)的(de)幾(ji)秒(miao)鍾(zhong)內(nei)完(wan)成(cheng)低(di)壓(ya)測(ce)量(liang)是(shi)非(fei)常(chang)重(zhong)要(yao)的(de)。如(ru)果(guo)在(zai)閉(bi)合(he)之(zhi)後(hou)的(de)幾(ji)分(fen)鍾(zhong)時(shi)間(jian)內(nei)進(jin)行(xing)了(le)很(hen)多(duo)測(ce)量(liang),那(na)麼(me)讀(du)數(shu)中(zhong)將(jiang)會(hui)加(jia)入(ru)不(bu)斷(duan)增(zeng)大(da)的(de)熱(re)電(dian)電(dian)壓(ya)。熱(re)時(shi)間(jian)常(chang)數(shu)的(de)大(da)小(xiao)可(ke)以(yi)從(cong)幾(ji)秒(miao)到(dao)幾(ji)小(xiao)時(shi)不(bu)等(deng)。即(ji)使(shi)固(gu)態(tai)繼(ji)電(dian)器(qi)沒(mei)有(you)線(xian)圈(quan)損(sun)耗(hao),內(nei)部(bu)IR壓降產生的熱量仍然會產生熱電漂移。閂鎖繼電器采用電流脈衝進行激勵,因此具有很低的熱電漂移。
yukaiguankadelianjieyeshiyigechanshengfaredianyadelaiyuan。womenyinggaijinliangcaiyongmeiyouduxidetongxianlianjiekaiguanka,bingqiebaochisuoyouyinxianchuyuxiangtongdewendu。keyicaiyongyigeduanlutongdaogoujianlingjizhidefangshiduipianyidianyajinxingbuchang。danshi,zhezhongbuchangfangshibingbulixiang,yinweiyouyuzirehehuanjingwendudebianhua,pianyidianyahuisuizheshijianfashengbianhua。[page]
zaiqiehuandidianyatongshiyoujinxingdidianzuceliangshi,keyicaiyongpianyibuchangdefangshidixiaoredianpianyidianya,zhexuyaoliyonglianggebutongdedianliuzhijinxingliangcidianyaceliang。yongliangcidianyaceliangjieguodechachuyiliangciceshidianliudecha,jikejisuanjichudianzudezhi:

開關膜汙染
隨(sui)著(zhe)時(shi)間(jian)的(de)延(yan)長(chang),繼(ji)電(dian)器(qi)接(jie)觸(chu)點(dian)的(de)表(biao)麵(mian)會(hui)形(xing)成(cheng)一(yi)層(ceng)汙(wu)染(ran)膜(mo),從(cong)而(er)增(zeng)大(da)它(ta)的(de)電(dian)阻(zu),在(zai)低(di)電(dian)壓(ya)測(ce)量(liang)或(huo)供(gong)電(dian)情(qing)況(kuang)下(xia)這(zhe)會(hui)使(shi)得(de)開(kai)關(guan)電(dian)壓(ya)變(bian)得(de)不(bu)穩(wen)定(ding)。>l00mV的電壓通常不受這種汙染的影響。采用固態開關式掃描卡可以防止這一問題。
磁幹擾
磁(ci)通(tong)量(liang)的(de)高(gao)速(su)變(bian)化(hua),例(li)如(ru)開(kai)關(guan)電(dian)源(yuan)或(huo)者(zhe)高(gao)電(dian)流(liu)信(xin)號(hao)通(tong)斷(duan)所(suo)產(chan)生(sheng)的(de),會(hui)在(zai)相(xiang)鄰(lin)的(de)低(di)壓(ya)電(dian)路(lu)中(zhong)感(gan)應(ying)出(chu)幾(ji)個(ge)微(wei)伏(fu)的(de)電(dian)壓(ya),造(zao)成(cheng)明(ming)顯(xian)的(de)誤(wu)差(cha)。通(tong)過(guo)將(jiang)噪(zao)聲(sheng)源(yuan)與(yu)敏(min)感(gan)電(dian)路(lu)盡(jin)可(ke)能(neng)分(fen)離(li)開(kai),進(jin)行(xing)磁(ci)場(chang)屏(ping)蔽(bi),使(shi)用(yong)帶(dai)屏(ping)蔽(bi)的(de)雙(shuang)絞(jiao)線(xian),減(jian)少(shao)噪(zao)聲(sheng)源(yuan)和(he)信(xin)號(hao)導(dao)線(xian)的(de)有(you)限(xian)區(qu)域(yu)等(deng)措(cuo)施(shi),可(ke)以(yi)最(zui)大(da)限(xian)度(du)地(di)減(jian)少(shao)磁(ci)幹(gan)擾(rao)問(wen)題(ti)。
接地環路
如ru果guo兩liang個ge接jie地di點dian之zhi間jian存cun在zai較jiao小xiao的de電dian位wei差cha,那na麼me係xi統tong的de某mou些xie敏min感gan部bu分fen可ke能neng會hui產chan生sheng一yi定ding的de地di電dian流liu。這zhe種zhong情qing況kuang隻zhi出chu現xian在zai某mou些xie開kai關guan閉bi合he,進jin行xing複fu雜za診zhen斷duan的de情qing況kuang下xia。無wu論lun什shen麼me時shi候hou,盡jin量liang保bao持chi一yi個ge係xi統tong接jie地di點dian。如ru果guo做zuo不bu到dao這zhe一yi點dian,可ke以yi采cai用yong基ji於yu光guang耦ou合he或huo平ping衡heng變bian壓ya器qi的de隔ge離li技ji術shu,增zeng大da兩liang點dian之zhi間jian的de有you效xiao電dian阻zu,將jiang公gong共gong地di電dian流liu降jiang低di至zhi可ke以yi忽hu略lve的de水shui平ping。
高壓開關
線纜和印製電路板的絕緣電阻測試或者耐壓測試通常都涉及高電壓的開關切換。為了避免損壞開關卡,在開關切換200V以上的電壓時必須十分謹慎,要選擇額定指標符合所需電壓與功率大小的開關卡,例如用於3706型係統開關/萬用表(如圖3所示)的吉時利3720型雙1x30多路複用卡,以及額定指標合適的線纜。如果可行,采用冷開關的方式可以延長繼電器的壽命,增大所容許的電流。

圖3.吉時利3706型係統開關/萬用表
diankangxingfuzaihuiyinqiguodadedianliuhedianyatiaobian,yinciweilefangzhisunhuaijidianqihewaibudianlu,rongxingfuzaixuyaocaiqudianliulangyongxianzhicuoshi,ganxingfuzaixuyaocaiyongdianyaqianweicuoshi。
高阻抗電壓開關
高阻抗電壓開關需要用在監測電化學電池、測量半導體電阻率之類的應用中。開關和測量具有高內部阻抗的電壓源會遇到諸如偏移電流、雜散漏流和靜電幹擾之類的誤差。采用並聯電容技術可以延長穩定時間。
當dang選xuan擇ze開kai關guan高gao阻zu抗kang電dian壓ya的de開kai關guan卡ka時shi,要yao確que保bao該gai卡ka具ju有you較jiao低di的de偏pian移yi電dian流liu。流liu過guo高gao阻zu抗kang器qi件jian的de任ren何he偏pian移yi電dian流liu都dou會hui在zai器qi件jian上shang產chan生sheng不bu需xu要yao的de電dian壓ya,加jia入ru電dian壓ya測ce量liang中zhong。
高阻抗電路對靜電幹擾十分敏感,因此DUT和連接線都應該很好地屏蔽以防止噪聲感應。
測試儀器、開關卡、xianlanhejiajuzhongdeloudianliudouhuiyinweijiangdiceliangdianyaerdailaiwucha。yinciyaoxuanzejuyoujiaogaogelidianzudekaiguanka,jinliangzaisuoyoukenengdedifangshiyongbaohudianlu,jinkenengxuanzejuyouzuigaojueyuandianzudejueyuanti。
xiangyingshijianshikaiguangaozukangdianyaxinhaoshibijiaoguanzhudelingwaiyigeguanjianyinsu。kaiguanhexiangguanxianlanzhongdebingliandianzuhuiyinqiewaidexiangyingshijian。zaimouxieqingkuangxia,caiyongjilibaohudianlukeyidadaxiaochubingliandianrong,shidexianlandepingbicengyuqizhongxindaoxian(或者高阻抗引線)保持幾乎相同的電位。圖4a給gei出chu了le一yi種zhong通tong過guo開kai關guan連lian接jie靜jing電dian伏fu特te計ji的de高gao阻zu抗kang電dian壓ya情qing形xing。注zhu意yi其qi對dui階jie躍yue函han數shu的de緩huan慢man相xiang應ying。要yao保bao護hu這zhe個ge信xin號hao,可ke以yi在zai靜jing電dian計ji的de保bao護hu輸shu出chu端duan與yu卡ka的de屏ping蔽bi端duan之zhi間jian設she置zhi一yi個ge連lian接jie,如ru圖tu4b所示。某些靜電計,例如吉時利的6517B,keyitongguokaiqineibubaohulianjiegongnengcongneibushixianzheyilianjie。kaiqizheyibaohugongnengyouxiaojianshaolexianlanhekaiguandianrong,congergaishanlejingdianjidexiangyingshijian。

圖4a.高阻抗電壓源到靜電計的開關

圖4b.采用激勵保護電路抵消並聯電容
如果保護電壓超過30VDC,那麼必須采用基於三軸連接的卡以確保安全性。適用於高阻抗電壓開關的卡包括吉時利麵向7000係列開關主機的7158型卡(如圖5所示)和麵向6517B靜電計的6522型卡(如圖6所示)。

圖5.吉時利7001型開關主機

圖6.用於吉時利6517B型靜電計/高電阻計的開關卡
- 開關種類與電氣特性
- 電壓、電磁對開關的幹擾
- 采用沒有鍍錫的銅線連接開關卡
- 采用低溫度漂移的閂鎖繼電器
中等大小電壓的開關
中等大小電壓應用(1V到200V)通常要把一個伏特計或電壓源切換到多個器件,例如測試電池、電化電池、電路配件、熱電偶等。切換多個電源和切換多個負載各自分別存在相應的問題。
一個伏特計到多個串聯電源的開關
圖1給出了切換伏特計到多個串聯的30電壓源(VS)的情形。為了避免其中一個或多個發生短路,必須在關閉一個通道之前打開另一個通道(操作前斷開)。此外,要給每個電壓源串聯熔絲,避免超過卡的共模額定電壓。在這個例子中,每個電源都是12V,整個串聯電源的總電壓為360V。最好采用至少500V的通道-通道額定電壓和共模額定電壓。

圖1.一個伏特計到多個串聯電源的開關
一個電壓源到多個負載的開關
圖2給出了單個電壓源連接多個負載的情形。如果兩個或多個負載連接電源,那麼由於流過公共阻抗(R)(例如測試引線和線路電阻)的電流影響,每個負載上的電壓可能會小於期望值。隨著額外負載的接入,總電流將會增大,從而提高了公共阻抗(R)上的電壓降。

圖2.一個電壓源到多個負載的開關
開關電阻
當dang把ba一yi個ge電dian壓ya源yuan切qie換huan到dao多duo個ge器qi件jian時shi,可ke能neng必bi須xu對dui開kai關guan電dian阻zu產chan生sheng的de電dian壓ya降jiang進jin行xing補bu償chang。特te別bie地di,如ru果guo器qi件jian具ju有you較jiao低di的de電dian阻zu,流liu過guo開kai關guan的de電dian流liu可ke能neng會hui產chan生sheng較jiao大da的de電dian壓ya降jiang。在zai遠yuan程cheng檢jian測ce中zhong,負fu載zai上shang跨kua接jie了le外wai部bu檢jian測ce電dian路lu,這zhe種zhong方fang式shi有you助zhu於yu校xiao正zheng開kai關guan和he布bu線xian上shang的de所suo有you電dian壓ya降jiang。
低壓開關
當dang開kai關guan控kong製zhi的de信xin號hao電dian平ping為wei毫hao伏fu甚shen至zhi更geng低di時shi,采cai用yong特te殊shu的de技ji術shu有you助zhu於yu防fang止zhi電dian壓ya誤wu差cha。這zhe些xie誤wu差cha可ke能neng來lai自zi於yu卡ka上shang或huo者zhe連lian接jie線xian中zhong的de熱re電dian偏pian移yi電dian壓ya、開關膜汙染、磁場幹擾或接地環路。
熱電偏移電壓
低(di)電(dian)壓(ya)卡(ka)的(de)一(yi)項(xiang)關(guan)鍵(jian)指(zhi)標(biao)是(shi)它(ta)的(de)接(jie)觸(chu)電(dian)位(wei),即(ji)熱(re)電(dian)偏(pian)移(yi)電(dian)壓(ya)。熱(re)電(dian)電(dian)壓(ya)是(shi)不(bu)同(tong)金(jin)屬(shu)構(gou)成(cheng)的(de)結(jie)點(dian)上(shang)的(de)溫(wen)度(du)差(cha)產(chan)生(sheng)的(de)電(dian)壓(ya),例(li)如(ru)鎳(nie)鐵(tie)笛(di)簧(huang)繼(ji)電(dian)器(qi)與(yu)它(ta)們(men)連(lian)接(jie)的(de)銅(tong)導(dao)體(ti)之(zhi)間(jian)。這(zhe)種(zhong)溫(wen)度(du)梯(ti)度(du)主(zhu)要(yao)由(you)激(ji)勵(li)線(xian)圈(quan)的(de)功(gong)耗(hao)引(yin)起(qi)的(de)。這(zhe)一(yi)偏(pian)移(yi)電(dian)壓(ya)直(zhi)接(jie)疊(die)加(jia)到(dao)信(xin)號(hao)電(dian)壓(ya)上(shang),可(ke)以(yi)建(jian)模(mo)為(wei)一(yi)個(ge)不(bu)需(xu)要(yao)的(de)電(dian)壓(ya)源(yuan)與(yu)目(mu)標(biao)信(xin)號(hao)串(chuan)聯(lian)。偏(pian)移(yi)電(dian)壓(ya)會(hui)給(gei)待(dai)測(ce)器(qi)件(jian)(DUT)所施加的激勵或伏特計測量的結果造成誤差。
多種因素都會影響熱電電壓導致的卡的漂移電平,包括所采用的繼電器類型(笛簧式、固態式或機電式)、線圈驅動技術(閂鎖或非閂鎖)以及用於觸點電鍍的材料(例如,鎳合金或金)。
在(zai)笛(di)簧(huang)繼(ji)電(dian)器(qi)通(tong)電(dian)之(zhi)後(hou),它(ta)線(xian)圈(quan)上(shang)的(de)功(gong)耗(hao)將(jiang)使(shi)其(qi)溫(wen)度(du)上(shang)升(sheng)幾(ji)分(fen)鍾(zhong),因(yin)此(ci)在(zai)觸(chu)點(dian)閉(bi)合(he)之(zhi)後(hou)的(de)幾(ji)秒(miao)鍾(zhong)內(nei)完(wan)成(cheng)低(di)壓(ya)測(ce)量(liang)是(shi)非(fei)常(chang)重(zhong)要(yao)的(de)。如(ru)果(guo)在(zai)閉(bi)合(he)之(zhi)後(hou)的(de)幾(ji)分(fen)鍾(zhong)時(shi)間(jian)內(nei)進(jin)行(xing)了(le)很(hen)多(duo)測(ce)量(liang),那(na)麼(me)讀(du)數(shu)中(zhong)將(jiang)會(hui)加(jia)入(ru)不(bu)斷(duan)增(zeng)大(da)的(de)熱(re)電(dian)電(dian)壓(ya)。熱(re)時(shi)間(jian)常(chang)數(shu)的(de)大(da)小(xiao)可(ke)以(yi)從(cong)幾(ji)秒(miao)到(dao)幾(ji)小(xiao)時(shi)不(bu)等(deng)。即(ji)使(shi)固(gu)態(tai)繼(ji)電(dian)器(qi)沒(mei)有(you)線(xian)圈(quan)損(sun)耗(hao),內(nei)部(bu)IR壓降產生的熱量仍然會產生熱電漂移。閂鎖繼電器采用電流脈衝進行激勵,因此具有很低的熱電漂移。
yukaiguankadelianjieyeshiyigechanshengfaredianyadelaiyuan。womenyinggaijinliangcaiyongmeiyouduxidetongxianlianjiekaiguanka,bingqiebaochisuoyouyinxianchuyuxiangtongdewendu。keyicaiyongyigeduanlutongdaogoujianlingjizhidefangshiduipianyidianyajinxingbuchang。danshi,zhezhongbuchangfangshibingbulixiang,yinweiyouyuzirehehuanjingwendudebianhua,pianyidianyahuisuizheshijianfashengbianhua。[page]
zaiqiehuandidianyatongshiyoujinxingdidianzuceliangshi,keyicaiyongpianyibuchangdefangshidixiaoredianpianyidianya,zhexuyaoliyonglianggebutongdedianliuzhijinxingliangcidianyaceliang。yongliangcidianyaceliangjieguodechachuyiliangciceshidianliudecha,jikejisuanjichudianzudezhi:

開關膜汙染
隨(sui)著(zhe)時(shi)間(jian)的(de)延(yan)長(chang),繼(ji)電(dian)器(qi)接(jie)觸(chu)點(dian)的(de)表(biao)麵(mian)會(hui)形(xing)成(cheng)一(yi)層(ceng)汙(wu)染(ran)膜(mo),從(cong)而(er)增(zeng)大(da)它(ta)的(de)電(dian)阻(zu),在(zai)低(di)電(dian)壓(ya)測(ce)量(liang)或(huo)供(gong)電(dian)情(qing)況(kuang)下(xia)這(zhe)會(hui)使(shi)得(de)開(kai)關(guan)電(dian)壓(ya)變(bian)得(de)不(bu)穩(wen)定(ding)。>l00mV的電壓通常不受這種汙染的影響。采用固態開關式掃描卡可以防止這一問題。
磁幹擾
磁(ci)通(tong)量(liang)的(de)高(gao)速(su)變(bian)化(hua),例(li)如(ru)開(kai)關(guan)電(dian)源(yuan)或(huo)者(zhe)高(gao)電(dian)流(liu)信(xin)號(hao)通(tong)斷(duan)所(suo)產(chan)生(sheng)的(de),會(hui)在(zai)相(xiang)鄰(lin)的(de)低(di)壓(ya)電(dian)路(lu)中(zhong)感(gan)應(ying)出(chu)幾(ji)個(ge)微(wei)伏(fu)的(de)電(dian)壓(ya),造(zao)成(cheng)明(ming)顯(xian)的(de)誤(wu)差(cha)。通(tong)過(guo)將(jiang)噪(zao)聲(sheng)源(yuan)與(yu)敏(min)感(gan)電(dian)路(lu)盡(jin)可(ke)能(neng)分(fen)離(li)開(kai),進(jin)行(xing)磁(ci)場(chang)屏(ping)蔽(bi),使(shi)用(yong)帶(dai)屏(ping)蔽(bi)的(de)雙(shuang)絞(jiao)線(xian),減(jian)少(shao)噪(zao)聲(sheng)源(yuan)和(he)信(xin)號(hao)導(dao)線(xian)的(de)有(you)限(xian)區(qu)域(yu)等(deng)措(cuo)施(shi),可(ke)以(yi)最(zui)大(da)限(xian)度(du)地(di)減(jian)少(shao)磁(ci)幹(gan)擾(rao)問(wen)題(ti)。
接地環路
如ru果guo兩liang個ge接jie地di點dian之zhi間jian存cun在zai較jiao小xiao的de電dian位wei差cha,那na麼me係xi統tong的de某mou些xie敏min感gan部bu分fen可ke能neng會hui產chan生sheng一yi定ding的de地di電dian流liu。這zhe種zhong情qing況kuang隻zhi出chu現xian在zai某mou些xie開kai關guan閉bi合he,進jin行xing複fu雜za診zhen斷duan的de情qing況kuang下xia。無wu論lun什shen麼me時shi候hou,盡jin量liang保bao持chi一yi個ge係xi統tong接jie地di點dian。如ru果guo做zuo不bu到dao這zhe一yi點dian,可ke以yi采cai用yong基ji於yu光guang耦ou合he或huo平ping衡heng變bian壓ya器qi的de隔ge離li技ji術shu,增zeng大da兩liang點dian之zhi間jian的de有you效xiao電dian阻zu,將jiang公gong共gong地di電dian流liu降jiang低di至zhi可ke以yi忽hu略lve的de水shui平ping。
高壓開關
線纜和印製電路板的絕緣電阻測試或者耐壓測試通常都涉及高電壓的開關切換。為了避免損壞開關卡,在開關切換200V以上的電壓時必須十分謹慎,要選擇額定指標符合所需電壓與功率大小的開關卡,例如用於3706型係統開關/萬用表(如圖3所示)的吉時利3720型雙1x30多路複用卡,以及額定指標合適的線纜。如果可行,采用冷開關的方式可以延長繼電器的壽命,增大所容許的電流。

圖3.吉時利3706型係統開關/萬用表
diankangxingfuzaihuiyinqiguodadedianliuhedianyatiaobian,yinciweilefangzhisunhuaijidianqihewaibudianlu,rongxingfuzaixuyaocaiqudianliulangyongxianzhicuoshi,ganxingfuzaixuyaocaiyongdianyaqianweicuoshi。
高阻抗電壓開關
高阻抗電壓開關需要用在監測電化學電池、測量半導體電阻率之類的應用中。開關和測量具有高內部阻抗的電壓源會遇到諸如偏移電流、雜散漏流和靜電幹擾之類的誤差。采用並聯電容技術可以延長穩定時間。
當dang選xuan擇ze開kai關guan高gao阻zu抗kang電dian壓ya的de開kai關guan卡ka時shi,要yao確que保bao該gai卡ka具ju有you較jiao低di的de偏pian移yi電dian流liu。流liu過guo高gao阻zu抗kang器qi件jian的de任ren何he偏pian移yi電dian流liu都dou會hui在zai器qi件jian上shang產chan生sheng不bu需xu要yao的de電dian壓ya,加jia入ru電dian壓ya測ce量liang中zhong。
高阻抗電路對靜電幹擾十分敏感,因此DUT和連接線都應該很好地屏蔽以防止噪聲感應。
測試儀器、開關卡、xianlanhejiajuzhongdeloudianliudouhuiyinweijiangdiceliangdianyaerdailaiwucha。yinciyaoxuanzejuyoujiaogaogelidianzudekaiguanka,jinliangzaisuoyoukenengdedifangshiyongbaohudianlu,jinkenengxuanzejuyouzuigaojueyuandianzudejueyuanti。
xiangyingshijianshikaiguangaozukangdianyaxinhaoshibijiaoguanzhudelingwaiyigeguanjianyinsu。kaiguanhexiangguanxianlanzhongdebingliandianzuhuiyinqiewaidexiangyingshijian。zaimouxieqingkuangxia,caiyongjilibaohudianlukeyidadaxiaochubingliandianrong,shidexianlandepingbicengyuqizhongxindaoxian(或者高阻抗引線)保持幾乎相同的電位。圖4a給gei出chu了le一yi種zhong通tong過guo開kai關guan連lian接jie靜jing電dian伏fu特te計ji的de高gao阻zu抗kang電dian壓ya情qing形xing。注zhu意yi其qi對dui階jie躍yue函han數shu的de緩huan慢man相xiang應ying。要yao保bao護hu這zhe個ge信xin號hao,可ke以yi在zai靜jing電dian計ji的de保bao護hu輸shu出chu端duan與yu卡ka的de屏ping蔽bi端duan之zhi間jian設she置zhi一yi個ge連lian接jie,如ru圖tu4b所示。某些靜電計,例如吉時利的6517B,keyitongguokaiqineibubaohulianjiegongnengcongneibushixianzheyilianjie。kaiqizheyibaohugongnengyouxiaojianshaolexianlanhekaiguandianrong,congergaishanlejingdianjidexiangyingshijian。

圖4a.高阻抗電壓源到靜電計的開關

圖4b.采用激勵保護電路抵消並聯電容
如果保護電壓超過30VDC,那麼必須采用基於三軸連接的卡以確保安全性。適用於高阻抗電壓開關的卡包括吉時利麵向7000係列開關主機的7158型卡(如圖5所示)和麵向6517B靜電計的6522型卡(如圖6所示)。

圖5.吉時利7001型開關主機

圖6.用於吉時利6517B型靜電計/高電阻計的開關卡
特別推薦
- 噪聲中提取真值!瑞盟科技推出MSA2240電流檢測芯片賦能多元高端測量場景
- 10MHz高頻運行!氮矽科技發布集成驅動GaN芯片,助力電源能效再攀新高
- 失真度僅0.002%!力芯微推出超低內阻、超低失真4PST模擬開關
- 一“芯”雙電!聖邦微電子發布雙輸出電源芯片,簡化AFE與音頻設計
- 一機適配萬端:金升陽推出1200W可編程電源,賦能高端裝備製造
技術文章更多>>
- 貿澤EIT係列新一期,探索AI如何重塑日常科技與用戶體驗
- 算力爆發遇上電源革新,大聯大世平集團攜手晶豐明源線上研討會解鎖應用落地
- 創新不止,創芯不已:第六屆ICDIA創芯展8月南京盛大啟幕!
- AI時代,為什麼存儲基礎設施的可靠性決定數據中心的經濟效益
- 矽典微ONELAB開發係列:為毫米波算法開發者打造的全棧工具鏈
技術白皮書下載更多>>
- 車規與基於V2X的車輛協同主動避撞技術展望
- 數字隔離助力新能源汽車安全隔離的新挑戰
- 汽車模塊拋負載的解決方案
- 車用連接器的安全創新應用
- Melexis Actuators Business Unit
- Position / Current Sensors - Triaxis Hall
熱門搜索
Future
GFIVE
GPS
GPU
Harting
HDMI
HDMI連接器
HD監控
HID燈
I/O處理器
IC
IC插座
IDT
IGBT
in-cell
Intersil
IP監控
iWatt
Keithley
Kemet
Knowles
Lattice
LCD
LCD模組
LCR測試儀
lc振蕩器
Lecroy
LED
LED保護元件
LED背光



