ADALM2000實驗:BJT差分對
發布時間:2021-08-02 來源:Antoniu Miclaus 和 Doug Mercer 責任編輯:wenwei
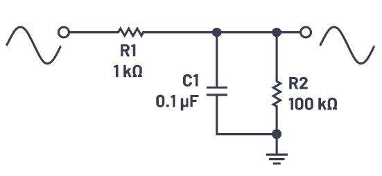
【導讀】本次實驗旨在研究一個使用NPN晶體管的簡單差分放大器。首先,我們需要做一些關於硬件限製問題的筆記。ADALM2000 xitongzhongdeboxingfashengqijuyougaoshuchudaikuan,gaigaodaikuandailailekuandaizaosheng。youyuchafenfangdaqidezengyi,bencishiyanzhongceliangsuoxudeshuruxinhaodianpingxiangdangxiao。ruguozhijieshiyongboxingfashengqishuchu,zeqishuchudexinzaobijiangbugougao。tongguotigaoxinhaodianping,ranhouzaiboxingfashengqishuchuhedianlushuruzhijianfangzhishuaijianqihelvboqi(圖1),可以改善信噪比。本次實驗需要如下材料:
● 兩個100 Ω電阻
● 兩個1 kΩ電阻
● 兩個0.1 μF電容(標記為104)

圖1.11:1衰減器和濾波器
本次實驗的所有部分都會使用該衰減器和濾波器。
帶尾電阻的差分對
材料
● ADALM2000主動學習模塊
● 無焊麵包板
● 跳線
● 兩個10 kΩ電阻
● 一個15 kΩ電阻(將10 kΩ電阻和4.7 kΩ電阻串聯)
● 兩個小信號NPN晶體管(2N3904或SSM2212 NPN匹配對)
說明
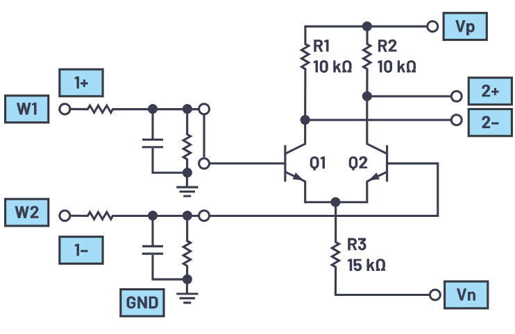
麵包板連接如圖3所示。Q1和Q2應從您可用的且VBE匹配最佳的晶體管中選擇。Q1和Q2的發射極與R3的一端共享一個連接。R3的另一端連接到Vn (-5V),提供尾電流。Q1的基極連接到第一個任意波形發生器的輸出,Q2的基極連接到第二個任意波形發生器的輸出。兩個集電極負載電阻R1和R2分別連接在Q1和Q2的集電極與正電源Vp (5V)之間。差分示波器輸入(2+和2-)用於測量兩個10 kΩ負載電阻上的差分輸出。

圖2.帶尾電阻的差分對
硬件設置
第一個波形發生器配置為200 Hz三角波,峰峰值幅度為4 V,偏移為0。第二個波形發生器配置為200 Hz三角波,峰峰值幅度為4 V,偏移為0 V,但相位為180°。電阻分壓器將Q1和Q2的基極處的信號幅度降低到略小於200 mV。示波器的通道1應與1+連接到第一個波形發生器W1的輸出,與1-連接到W2的輸出。通道2應連接到顯示2+和2-,並設置為每格1 V。

圖3.帶尾電阻的差分對麵包板電路
程序步驟
應獲取如下數據:x軸是任意波形發生器的輸出,y軸是使用2+和2-輸入的示波器通道2。通過改變R3的值,探索尾電流電平對電路增益的影響(觀察通過原點的直線的斜率)heduixianxingshurufanweideyingxiang,yijidangdianlubaoheshi,guanchazengyifeixianxingxiajiangdexingzhuang。ranhouzaijibendianlushangzengjiadianxiaoyuanjian,lirufashejituihuadianzu,tansuokuozhanhexianxinghuashurubaifufanweidejishujiqiduidianluzengyideyingxiang。
配置示波器以捕獲所測量的兩個信號的多個周期。xy圖示例如圖4所示。

圖4.帶尾電阻的差分對xy圖
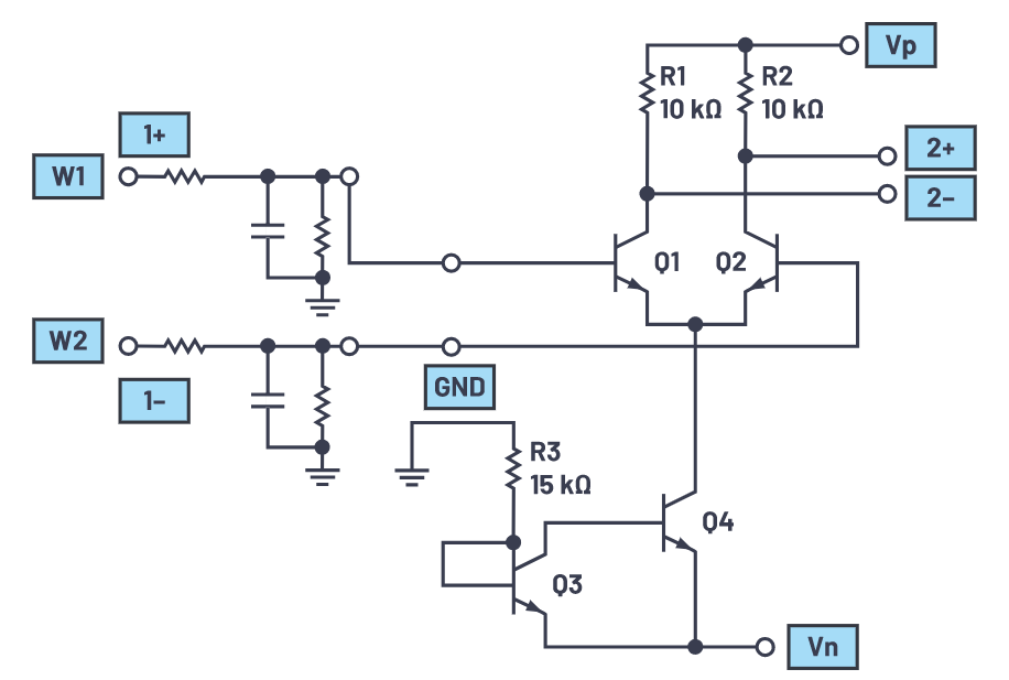
電流源用作尾電流
使用簡單電阻作為尾電流具有局限性。應探索構建電流源來偏置差分對的方法。這可以由幾個額外的晶體管和電阻構成,如之前的ADALM2000實驗 "穩定電流源"所示。
附加材料
● 兩個小信號NPN晶體管(Q3、Q4 = 2N3904或SSM2212)
說明
麵包板連接如圖6所示。

圖5.帶尾電流源的差分對
硬件設置
第一個波形發生器配置為200 Hz三角波,峰峰值幅度為4 V,偏移為0。第二個波形發生器也應配置為200 Hz三角波,峰峰值幅度為4 V,偏移為0 V,但相位為180°。電阻分壓器將Q1和Q2的基極處的信號幅度降低到略小於200 mV。示波器的通道1應與1+連接到第一個波形發生器W1的輸出,與1-連接到W2的輸出。通道2應連接到顯示2+和2-,並設置為每格1 V。

圖6.帶尾電流源的差分對麵包板電路
程序步驟
配置示波器以捕獲所測量的兩個信號的多個周期。xy圖示例如圖7所示。

圖7.帶尾電流源的差分對xy圖
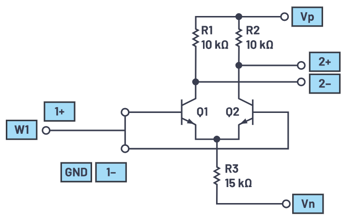
測量共模增益

圖8.共模增益配置
共模抑製是差分放大器的一個關鍵方麵。CMR可以通過將兩個晶體管Q1和Q2的基極連接到同一輸入源來測量。圖10中的曲線顯示了當W1的共模電壓從+2.9 V掃描至-4.5 V時shi,電dian阻zu偏pian置zhi差cha分fen對dui和he電dian流liu源yuan偏pian置zhi差cha分fen對dui的de差cha分fen輸shu出chu。輸shu入ru上shang的de最zui大da正zheng擺bai幅fu以yi晶jing體ti管guan的de基ji極ji電dian壓ya超chao過guo集ji電dian極ji電dian壓ya和he晶jing體ti管guan飽bao和he電dian壓ya的de點dian為wei限xian。這zhe可ke以yi通tong過guo觀guan察cha晶jing體ti管guan的de集ji電dian極ji電dian壓ya相xiang對dui於yu地di為wei單dan端duan(即將2-示波器輸入接地)來檢查。
硬件設置
波形發生器配置為100 Hz正弦波,峰峰值幅度為8 V,偏移為0。示波器的通道1應與1+連接到第一個波形發生器W1的輸出,與1-連接到地。通道2應連接到顯示2+和2-,並設置為每格1 V。

圖9.共模增益麵包板電路
程序步驟
配置示波器以捕獲所測量的兩個信號的多個周期。產生的波形如圖10所示。

圖10.共模增益波形
問題:
對於圖8中的電路,如果將晶體管Q1的基極視為輸入,該晶體管放大器對於輸出2+和2-而言是反相還是同相?
對於同一電路,說明當輸入電壓(W1)增加時,每個輸出電壓(2+和2-)會發生什麼。另外請說明,當輸入電壓減小時會發生什麼。
您可以在學子專區博客上找到問題答案。
免責聲明:本文為轉載文章,轉載此文目的在於傳遞更多信息,版權歸原作者所有。本文所用視頻、圖片、文字如涉及作品版權問題,請聯係小編進行處理。
推薦閱讀:
特別推薦
- 噪聲中提取真值!瑞盟科技推出MSA2240電流檢測芯片賦能多元高端測量場景
- 10MHz高頻運行!氮矽科技發布集成驅動GaN芯片,助力電源能效再攀新高
- 失真度僅0.002%!力芯微推出超低內阻、超低失真4PST模擬開關
- 一“芯”雙電!聖邦微電子發布雙輸出電源芯片,簡化AFE與音頻設計
- 一機適配萬端:金升陽推出1200W可編程電源,賦能高端裝備製造
技術文章更多>>
- 1200餘家企業齊聚深圳,CITE2026打造電子信息產業創新盛宴
- 掌握 Gemini 3.1 Pro 參數調優的藝術
- 築牢安全防線:電池擠壓試驗機如何為新能源產業護航?
- Grok 4.1 API 實戰:構建 X 平台實時輿情監控 Agent
- 電源芯片國產化新選擇:MUN3CAD03-SF助力物聯網終端“芯”升級
技術白皮書下載更多>>
- 車規與基於V2X的車輛協同主動避撞技術展望
- 數字隔離助力新能源汽車安全隔離的新挑戰
- 汽車模塊拋負載的解決方案
- 車用連接器的安全創新應用
- Melexis Actuators Business Unit
- Position / Current Sensors - Triaxis Hall
熱門搜索




