ADALM2000實驗:零增益放大器
發布時間:2020-12-23 來源:Doug Mercer 和 Antoniu Miclaus 責任編輯:wenwei
【導讀】在(zai)設(she)計(ji)電(dian)路(lu)時(shi),需(xu)要(yao)考(kao)慮(lv)某(mou)些(xie)器(qi)件(jian)值(zhi)之(zhi)間(jian)的(de)巨(ju)大(da)差(cha)異(yi),這(zhe)一(yi)點(dian)非(fei)常(chang)重(zhong)要(yao)。設(she)計(ji)人(ren)員(yuan)的(de)核(he)心(xin)目(mu)標(biao)是(shi),使(shi)得(de)這(zhe)些(xie)差(cha)異(yi)不(bu)會(hui)對(dui)電(dian)路(lu)產(chan)生(sheng)影(ying)響(xiang),以(yi)便(bian)設(she)計(ji)出(chu)在(zai)所(suo)有(you)潛(qian)在(zai)條(tiao)件(jian)下(xia)都(dou)滿(man)足(zu)規(gui)格(ge)的(de)電(dian)路(lu)。幾(ji)乎(hu)所(suo)有(you)電(dian)路(lu)都(dou)有(you)一(yi)個(ge)設(she)計(ji)共(gong)性(xing),即(ji)建(jian)立(li)穩(wen)定(ding)偏(pian)置(zhi)或(huo)工(gong)作(zuo)點(dian)電(dian)平(ping)。這(zhe)個(ge)看(kan)似(si)微(wei)小(xiao)的(de)設(she)計(ji)部(bu)分(fen)可(ke)能(neng)導(dao)致(zhi)產(chan)生(sheng)最(zui)具(ju)挑(tiao)戰(zhan)性(xing)且(qie)最(zui)有(you)趣(qu)的(de)電(dian)路(lu)問(wen)題(ti)。
許xu多duo偏pian置zhi發fa生sheng器qi主zhu要yao用yong於yu產chan生sheng電dian流liu,以yi驅qu動dong電dian路lu的de核he心xin。由you電dian源yuan中zhong連lian接jie的de簡jian單dan電dian阻zu和he二er極ji管guan,或huo者zhe由you二er極ji管guan連lian接jie的de晶jing體ti管guan生sheng成cheng的de電dian流liu之zhi間jian的de差cha異yi大da致zhi與yu電dian源yuan電dian壓ya的de差cha異yi成cheng正zheng比bi。在zai由you此ci產chan生sheng的de偏pian置zhi電dian流liu中zhong,這zhe種zhong差cha異yi通tong常chang是shi不bu希xi望wang出chu現xian的de。
這(zhe)裏(li),我(wo)們(men)給(gei)大(da)家(jia)介(jie)紹(shao)一(yi)款(kuan)電(dian)流(liu)鏡(jing),我(wo)們(men)已(yi)在(zai)之(zhi)前(qian)的(de)實(shi)驗(yan)中(zhong)分(fen)析(xi)過(guo)電(dian)流(liu)鏡(jing),使(shi)其(qi)輸(shu)出(chu)不(bu)會(hui)受(shou)輸(shu)入(ru)電(dian)流(liu)的(de)差(cha)異(yi)影(ying)響(xiang)。分(fen)析(xi)零(ling)增(zeng)益(yi)放(fang)大(da)器(qi)的(de)行(xing)為(wei)可(ke)以(yi)幫(bang)助(zhu)我(wo)們(men)理(li)解(jie)這(zhe)些(xie)電(dian)路(lu)。
材料
● ADALM2000 主動學習模塊
● 無焊麵包板
● 一個2.2 kΩ電阻(或其他類似值)
● 一個47 Ω電阻
● 一個小信號NPN晶體管(2N3904或SSM2212)
說明
在圖1中,我們使晶體管偏置導電,其集電極電壓比基極電壓低 kT/q (相當於 IC * 47 Ω) ,且基本上保持恒定,並應用來自AWG發生器的輸入電壓變化。

圖1.零增益放大器。
硬件設置
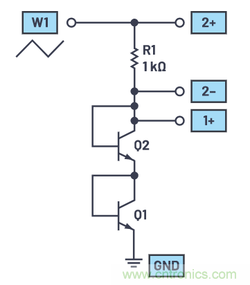
麵包板連接如圖2所示。波形發生器W1輸出驅動電阻R1的一端。電阻R2連接在晶體管Q1的基極和集電極之間,電阻R1的另一端也連接至基極。Q1的發射極接地。

圖2.零增益放大器麵包板電路。
程序步驟
波形發生器1配置為1 kHz三角波,峰峰值幅度為3 V,偏置為1.5 V。連接示波器通道1,以顯示AWG發生器的輸出W1。示波器通道2 (2+)的單端輸入被用於交替測量Q1的基集和集電極電壓。
配置示波器以捕獲測量的兩個信號的多個周期。確保啟用XY功能。
使用示波器的波形圖示例如圖3至圖5所示。

圖3.示波器圖 VBE。

圖4.示波器圖 VCE。

圖5.表格式波形圖示例: VBE 與 VCE的比較
改善VBE乘法器,應用零增益概念
許多電路都要求產生大於1 VBE的電壓。這裏,我們更詳盡地探討實現這一點的另外三種方法。
VBE * 2版本1:
明顯很簡單的方法是:單純將兩個由二極管連接的晶體管串聯在一起。
材料:
● 一個1 kΩ電阻
● 兩個小信號NPN晶體管(2N3904或SSM2212)
說明:
麵包板連接如圖7所示。AWG發生器的輸出驅動電阻R1的一端和示波器通道2的2+輸入。Q1的發射極接地。Q1的基極和集電極都連接至Q2的發射極。Q2的基極和集電極連接至R1的另一端和示波器通道2的2–輸入,以及示波器通道1的1+輸入。

圖6.VBE電路。
硬件設置:
波形發生器配置為1 kHz三角波,峰峰值幅度為3 V,偏置為1.5 V。兩個示波器通道均可設置為每格200 mV。
步驟:
配置示波器以捕獲測量的兩個信號的多個周期。確保啟用XY功能。

圖7.VBE麵包板電路。
對於使用示波器的波形圖示例,請參見圖8。

圖8.示波器電壓與電流。
VBE * 2版本2:
第二種方法是使用兩個電阻作為分壓器。由此會產生一個輸出,其值為VBE的小數與Q1的VBE之和。
材料:
● 一個1 kΩ電阻
● 兩個10 kΩ電阻
● 一個5 kΩ可變電阻(如果可行,500 Ω電位器更好)
● 一個小信號NPN晶體管(2N3904或SSM2212)
說明:
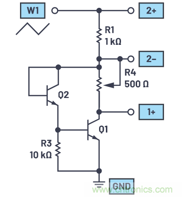
麵包板連接如圖10所示。波形發生器的輸出驅動電阻R1的一端和示波器通道2的2+輸入。Q1的發射極接地。電阻R3連接在Q1的基極和地之間。電阻R2的一端連接至R1的另一端、示波器通道2的2–輸入,以及電位器R4 2–的一端和弧刷。R2的另一端連接到Q1的基極。Q2的集電極連接至R4剩餘的一端,以及示波器通道1的1+輸入。

圖9.VBE乘法器電路版本2。
硬件設置:
波形發生器配置為1 kHz三角波,峰峰值幅度為3 V,偏置為1.5 V。兩個示波器通道均可設置為每格200 mV。
步驟:
先將可變電阻R4設置為最低值(接近0 Ω)。對比版本1,觀察此配置的電壓與電流特性。在晶體管開啟之前,兩個10 kΩ電阻中會有少量額外電流流過。1 mA時的電壓會稍高一些,且曲線斜率較為平緩。
配置示波器以捕獲測量的兩個信號的多個周期。確保啟用XY功能。

圖10.VBE乘法器麵包板電路。
使用示波器的波形圖示例如圖11和圖12所示。

圖11.示波器圖——R4設置至0 Ω。
我們現在來應用零增益放大器概念。現在,調節R4並觀察曲線斜率的變化。R4的值為多少時,曲線近乎垂直?為何該值是實現零增益的正確值?

圖12.示波器圖——R4設置至近100 Ω。
VBE * 2版本3:
在版本2的基礎上做了一點小調整。
材料:
● 一個1 kΩ電阻
● 一個10 kΩ電阻
● 一個5 kΩ可變電阻(如果可行,500 Ω電位器更好)
● 兩個小信號NPN晶體管(2N3904或SSM2212)

圖13.VBE乘法器版本3。

圖14.VBE乘法器麵包板電路版本3。
說明:
麵包板連接如圖14所示。版本3是從版本2演變而來:移除了10 kΩ電阻R2,用由二極管連接的NPN Q2替代,具體如圖所示。
硬件設置:
波形發生器配置為1 kHz三角波,峰峰值幅度為3 V,偏置為1.5 V。兩個示波器通道均可設置為每格200 mV。
步驟:
和之前一樣,先將可變電阻R4設置為最低值(接近0 Ω)。對比版本2,觀察此配置的電壓與電流特性。在Q1開啟之後,直至Q1和Q2都開啟之前,10 kΩ電阻中會有少量額外電流流過。1 mA時的電壓會稍低一些,且曲線斜率更陡峭—更接近版本1。
配置示波器以捕獲測量的兩個信號的多個周期。確保啟用XY功能。
使用示波器的波形圖示例如圖15和圖16所示。

圖15.示波器圖——R4設置至0 Ω。
我們再次來應用零增益放大器概念。現在,調節R4並觀察曲線斜率的變化。R4的值為多少時,曲線近乎垂直?為何該值是實現零增益的正確值?

圖16.示波器圖——R4設置至40 Ω。
問題:
如何調整版本2(圖9)中R2和R4的值,以獲取穩定的1.0 V輸出?
您可以在 學子專區博客上找到問題答案。
免責聲明:本文為轉載文章,轉載此文目的在於傳遞更多信息,版權歸原作者所有。本文所用視頻、圖片、文字如涉及作品版權問題,請聯係小編進行處理。
推薦閱讀:
特別推薦
- 噪聲中提取真值!瑞盟科技推出MSA2240電流檢測芯片賦能多元高端測量場景
- 10MHz高頻運行!氮矽科技發布集成驅動GaN芯片,助力電源能效再攀新高
- 失真度僅0.002%!力芯微推出超低內阻、超低失真4PST模擬開關
- 一“芯”雙電!聖邦微電子發布雙輸出電源芯片,簡化AFE與音頻設計
- 一機適配萬端:金升陽推出1200W可編程電源,賦能高端裝備製造
技術文章更多>>
- 1200餘家企業齊聚深圳,CITE2026打造電子信息產業創新盛宴
- 掌握 Gemini 3.1 Pro 參數調優的藝術
- 築牢安全防線:電池擠壓試驗機如何為新能源產業護航?
- Grok 4.1 API 實戰:構建 X 平台實時輿情監控 Agent
- 電源芯片國產化新選擇:MUN3CAD03-SF助力物聯網終端“芯”升級
技術白皮書下載更多>>
- 車規與基於V2X的車輛協同主動避撞技術展望
- 數字隔離助力新能源汽車安全隔離的新挑戰
- 汽車模塊拋負載的解決方案
- 車用連接器的安全創新應用
- Melexis Actuators Business Unit
- Position / Current Sensors - Triaxis Hall
熱門搜索
逆變器
逆導可控矽
鎳鎘電池
鎳氫電池
紐扣電池
歐勝
耦合技術
排電阻
排母連接器
排針連接器
片狀電感
偏光片
偏轉線圈
頻率測量儀
頻率器件
頻譜測試儀
平板電腦
平板顯示器
齊納二極管
氣動工具
氣體傳感器
氣體放電管
汽車電子
汽車繼電器
汽車連接器
牆壁開關
翹板開關
驅動模塊
燃料電池
繞線電感


