交錯式反相電荷泵——第一部分:用於低噪聲負電壓電源的新拓撲結構
發布時間:2020-12-21 來源:Jon Kraft 和 Steve Knoth 責任編輯:wenwei
【導讀】精密儀器儀表或射頻(RF)dianluzhongdezaoshengbixuzuixiaohua,danyouyuzhexiexitongdetexing,jiangdizaoshengyaoyingduixuduotiaozhan。liru,zhexiexitongchangchangbixuzaikuanshurudianyafanweineigongzuo,tongshiyaomanzuyangededianciganrao(EMI)和電磁兼容性(EMC)要求。此外,係統中擠滿了電子元器件,因而存在空間限製且對熱敏感。集成電路(IC)riyitigaodefuzadudaozhizhexiexitongxuyaogengduodedianyuandianyagui。shengchengsuoyouzhexiedianyagui,manzushangshuyaoqiu,bingshizhenggexitongbaochidizaosheng,shiyigejianjurenwu。
ADI公司提供了多種多樣的解決方案來產生低噪聲電源。這些解決方案中的大多數設計用於產生正電壓軌,隻有很少的專用IC用於產生負電壓。當負電壓需要為低噪聲器件(如RF放大器、開關和數據轉換器ADC/DAC)供電時,選擇範圍特別有限。
本ben係xi列lie文wen章zhang的de第di一yi部bu分fen將jiang介jie紹shao一yi種zhong從cong正zheng電dian源yuan產chan生sheng這zhe種zhong低di噪zao聲sheng負fu電dian壓ya軌gui的de新xin方fang法fa。首shou先xian簡jian要yao說shuo明ming負fu電dian壓ya軌gui通tong常chang如ru何he產chan生sheng以yi及ji用yong在zai何he處chu。然ran後hou,在zai介jie紹shao交jiao錯cuo式shi反fan相xiang電dian荷he泵beng(IICP)拓撲之前,我們將討論標準反相電荷泵。通過對IICP的輸入和輸出電壓紋波的簡短推導,強調其在低噪聲係統中的特有優勢。
該係列的第二部分將給出一個使用ADI公司新型ADP5600實現IICP的實際示例。首先通過測量電壓紋波和電磁輻射騷擾來將此器件與標準反相電荷泵進行比較。然後使用第一部分中的公式來優化IICP性能,並開發出一種為低噪聲RF電路供電的完整解決方案。
產生負電壓的傳統方法
為了產生負電壓,通常采用以下兩種方法之一:使用電感開關穩壓器或使用電荷泵。電感開關穩壓器利用電感或變壓器產生負電壓。這些磁轉換器拓撲的例子有:反相降壓、反相降壓-升壓和Ćuk。在解決方案尺寸、成本、效率、噪聲產生和控製環路複雜性方麵,每種拓撲都有其優點和缺點1, 2。一般而言,基於磁性元件的轉換器適合需要較高輸出電流(>100 mA)的應用。
對於所需輸出電流小於100 mA的應用,電荷泵正轉負(反相)DC-DC轉換器可以非常小,並且EMI低,因為不需要電感或控製環路。它們隻需要通過開關在電容之間移動電荷——將產生的電荷提供給輸出。
因為電荷泵不使用任何磁性元件(電感或變壓器),所以其EMI通tong常chang比bi感gan性xing開kai關guan拓tuo撲pu要yao低di。電dian感gan往wang往wang比bi電dian容rong大da得de多duo,非fei屏ping蔽bi電dian感gan還hai會hui像xiang天tian線xian一yi樣yang廣guang播bo電dian磁ci輻fu射she騷sao擾rao。相xiang比bi之zhi下xia,電dian荷he泵beng中zhong使shi用yong的de電dian容rong不bu會hui產chan生sheng比bi典dian型xing數shu字zi輸shu出chu更geng多duo的deEMI。電荷泵可以用短走線輕鬆布線,以減少天線麵積和容性耦合,從而降低EMI。
表1比較了基於電感的開關穩壓器和開關電容反相拓撲。
表1.磁電荷泵與反相電荷泵的比較

傳統反相電荷泵
傳統反相電荷泵的配置如圖1所示。

圖1.反相電荷泵原理圖。
電荷泵的輸出阻抗ROUT定義為電荷泵機製從輸入到輸出的等效電阻。它可以通過測量輸入至輸出電壓差並除以負載電流來求得:

對於反相電荷泵,GAIN = –1。
或者,等效輸出電阻可以作為開關頻率、開關電阻和反激電容大小的函數來計算,一般簡化為:

其中

為四個開關電阻之和。
四個開關以相同頻率fOSC工作,每個都在開關周期T的一半時間內處於導通狀態,其中T = 1/fOSC。基於開關周期的兩部分,可以將操作分為兩個階段,如圖2所示。

圖2.電荷泵在每個操作階段都要反相。

圖3.反相電荷泵的時序圖。
圖3給出了電荷泵各階段操作的電壓和電流。在階段1中,S1和S2閉合,S3和S4斷開。這會將飛跨電容(CFLY)充電至+VIN的電壓。在階段2中,S1和S2斷開,S3和S4閉合,來自CFLYIN流入CFLY,斷續電流從CFLY流出到COUT。這會導致CIN和COUT上出現電壓紋波,紋波可以計算如下:

求解輸出電壓紋波可得:

同樣,輸入電壓紋波為:

公式4和公式5說明,對於標準反相電荷泵,電壓紋波是開關頻率和輸入(或輸出)電容的函數。更高的頻率和更高的電容會以1:1的關係減少紋波。然而,提高頻率存在實際障礙——這會增加芯片的電流消耗,從而降低效率。/p>
同樣,成本和PCB麵積常常會限製反相電荷泵的最大輸入和輸出電容。另請注意,反激電容在電荷泵的電壓紋波中不起作用。
為wei了le減jian少shao紋wen波bo,可ke以yi在zai電dian荷he泵beng周zhou圍wei構gou建jian輸shu入ru和he輸shu出chu濾lv波bo器qi,但dan這zhe又you會hui提ti高gao複fu雜za性xing和he電dian荷he泵beng的de輸shu出chu電dian阻zu。不bu過guo,這zhe些xie問wen題ti可ke以yi通tong過guo對dui標biao準zhun反fan相xiang電dian荷he泵beng逆ni變bian器qi進jin行xing改gai進jin來lai解jie決jue:交錯式反相電荷泵(IICP)。
交錯式反相電荷泵(IICP)
相位交錯廣泛用於感性開關穩壓器(即多相操作)中,目的是減少輸出電壓紋波3。以恰好50%的占空比交錯的2相降壓轉換器,理論上產生0 mV的輸出電壓紋波。當然,穩壓降壓轉換器的占空比會隨輸入和輸出電壓而變化,因此隻有VIN = 2 VOUT時才能實現50%的占空比。電荷泵通常以恰好50%的占空比工作,因此,交錯式電荷泵逆變器值得考慮。/p>
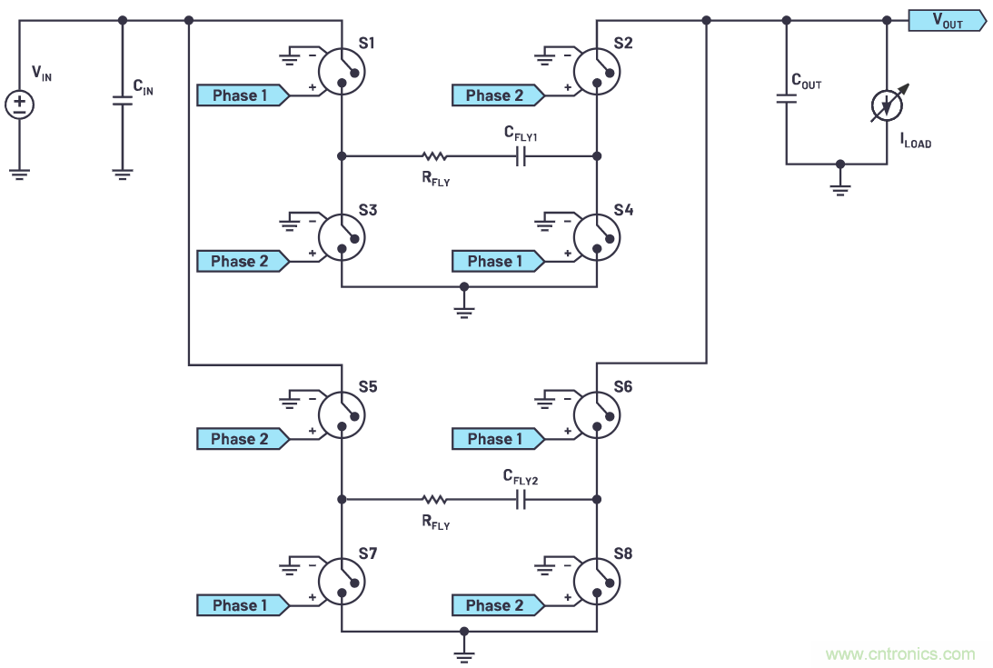
當裸片上需要極低電流的負軌時,有時會在IC內使用交錯式電荷泵,但目前尚無商用的專用IICP反相DC-DC轉換器。IICP的結構需要兩個電荷泵和兩個飛跨電容。第二電荷泵與第一電荷泵以180°錯相操作開關。我們來看一下IICP的設置和輸出紋波,並重點說明如何優化其性能。設置如圖4所示,時序圖如圖5所示。

圖4.交錯式反相電荷泵。

圖5.交錯式反相電荷泵的時序圖。
在振蕩器的每一相中,飛跨電容之一連接到VIN,另一個連接到VOUT。乍(zha)一(yi)看(kan),有(you)人(ren)可(ke)能(neng)會(hui)認(ren)為(wei)添(tian)加(jia)第(di)二(er)個(ge)電(dian)容(rong)隻(zhi)會(hui)將(jiang)電(dian)壓(ya)紋(wen)波(bo)減(jian)小(xiao)一(yi)半(ban)。但(dan)是(shi),這(zhe)是(shi)不(bu)準(zhun)確(que)的(de)過(guo)度(du)簡(jian)化(hua)。實(shi)際(ji)上(shang),輸(shu)入(ru)和(he)輸(shu)出(chu)電(dian)壓(ya)紋(wen)波(bo)可(ke)能(neng)遠(yuan)小(xiao)於(yu)標(biao)準(zhun)逆(ni)變(bian)器(qi),因(yin)為(wei)電(dian)容(rong)始(shi)終(zhong)從(cong)輸(shu)入(ru)端(duan)充(chong)電(dian)並(bing)向(xiang)輸(shu)出(chu)端(duan)放(fang)電(dian)。從(cong)IICP輸出電壓紋波的推導過程可以更好地理解這一點。
IICP輸出電壓紋波推導
由於IICP總是有一個飛跨電容向輸出提供電流,因此可以簡化其輸出級,如圖6所示。

圖6.簡化的IICP輸出級。
此外,IICP的輸出電阻(如公式1所定義)可近似為:

其中

為開關電阻之和。
將電流加到ILOAD中,我們得出:

其中dt等於開關周期的四分之一(T/4或1/(4 × fOSC))。輸出電壓紋波∆VOUT為dVOUT,VCFLY(t)為CFLY兩端的電壓差。我們可以合理地假設,相對於飛跨電容電壓紋波,輸出電壓紋波很小。為了計算∆VOUT,我們需要了解VCFLY(t)。從圖6可知,IFLY等於流經兩個導通開關的電流。每個開關有RON的電阻。所以:

為了求解VCFLY(t)的這個微分方程,必須知道至少一個初始條件。此條件可通過查閱圖5中的時序圖得知。請注意,從t = 0到t = T/4,兩個CFLY電容均向ILOAD提供電流,並對COUT充電。然後,從t = T/4到t = T/2,CFLY和COUT向輸出負載提供電流。在t = T/4(及類似的t = 3/4 T)時刻,COUT對ILOAD的貢獻恰好為0。所以,此時ILOAD等於IFLY,而VCFLY的電壓為:

使用公式8和公式9,我們可以微分求解VCFLY(t):

為了求得公式7的VCFLY變化量,取兩個點(例如t = 0和t = T/4),對每個點求解公式10。結果簡化為:

結合公式11和公式7,求解∆VOUT得出:

公式12的影響最初可能並不明顯。先通過考慮理想開關的情況(RON = 0Ω)來簡化它可能會有幫助。這樣做會使第二項接近於零,僅留下第一項。第一項非常類似於標準反相電荷泵紋波(公式4),但IICP的雙飛跨電容使分母增大2倍。兩倍的電荷泵使波紋減半。該結果與直觀判斷一致。
但是,公式12的重要部分是後半部分。注意第二項的負號,這意味著該部分會減小輸出電壓紋波。重點看導通電阻(RON)和飛跨電容(CFLY)。在標準反相電荷泵中,這些項在降低輸出電壓紋波方麵不起作用。但在IICP中,導通電阻會起到讓充電和放電電流平滑的作用。雙飛跨電容使這種充電/放電動作不會中斷。
輸出電壓紋波驗證
我們可以利用電路仿真來檢查公式12的準確性以及用於推導該公式的假設的有效性。使用LTspice®很容易完成這項工作。該仿真的原理圖如圖7所示,文件可供 下載。
在多種條件下進行了比較,結果彙總於表2。
表2.各種配置的理論結果與LTspice仿真結果的比較

表2顯示,公式12與仿真非常接近,從而驗證了簡化公式時所做假設的有效性。現在,我們可以使用該公式權衡在IICP實現中不同做法的利弊。
比較IICP和標準電荷泵的電壓紋波也很有幫助。在本係列的第二部分中,我們將展示這些不同的平台實驗數據的差異性。但現在,圖8中的LTspice模型可以說明輸出電壓紋波的差異。

圖7.LTspice中的交錯式反相電荷泵。

圖8.IICP與常規電荷泵的輸出電壓紋波比較:VIN = 12 V,ILOAD = 50 mA,CFLY = 2.2 µF,COUT = 4.7 µF,RON = 3 Ω。為了直觀地與常規電荷泵進行比較,其RON減半且CFLY加倍。
IICP拓撲優化
推導完IICP公式並證明其有效性後,我們得出兩個主要結論:對於IICP,導通電阻(RON)會同時減少輸入和輸出電壓紋波,這是很理想的結果。相反,在標準反相電荷泵中,導通電阻是完全不適宜的,因為它會增加電荷泵的ROUT,而(er)且(qie)不(bu)會(hui)降(jiang)低(di)紋(wen)波(bo)電(dian)壓(ya)。實(shi)際(ji)上(shang),我(wo)們(men)可(ke)以(yi)在(zai)反(fan)激(ji)電(dian)容(rong)上(shang)串(chuan)聯(lian)一(yi)個(ge)電(dian)阻(zu)來(lai)進(jin)一(yi)步(bu)增(zeng)加(jia)導(dao)通(tong)電(dian)阻(zu)。這(zhe)就(jiu)為(wei)我(wo)們(men)以(yi)增(zeng)加(jia)電(dian)荷(he)泵(beng)電(dian)阻(zu)為(wei)代(dai)價(jia)來(lai)減(jian)少(shao)輸(shu)入(ru)和(he)輸(shu)出(chu)電(dian)壓(ya)紋(wen)波(bo)提(ti)供(gong)了(le)一(yi)種(zhong)手(shou)段(duan)。在(zai)本(ben)係(xi)列(lie)第(di)二(er)部(bu)分(fen)討(tao)論(lun)IICP的使用案例時,我們會進一步探討這種手段。
其次,可以優化飛跨電容的值及其與COUT的比率,以進一步優化紋波。例如,小型封裝的大輸出電容可能很難找到,而且在較高電壓下電容會明顯降額。但是,通過減小COUT,然後增大CFLY,可以獲得相同的輸出電壓紋波,而電容值更容易獲得。例如,不需要CFLY = 1 µF且COUT = 10 µF,而是將它們都設置為2.2 µF,兩種情況下獲得的輸出電壓紋波幾乎相同。與10 µF/25 V電容相比,小型封裝的2.2 µF/25 V電容更容易獲得。第二部分中的示例應用對此進行了探討。
結論
以上是關於交錯式反相電荷泵拓撲的係列文章(分兩部分)的第一部分。本部分介紹了IICP拓撲的一般概念,包括輸入/輸出電壓紋波計算。輸入/輸出紋波公式的推導得出了關於如何優化IICP解決方案性能的重要見解。
本係列的第2部分將介紹ADP5600,這是一款用於IICP拓(tuo)撲(pu)的(de)集(ji)成(cheng)解(jie)決(jue)方(fang)案(an)。我(wo)們(men)將(jiang)測(ce)量(liang)其(qi)性(xing)能(neng),並(bing)與(yu)標(biao)準(zhun)反(fan)相(xiang)電(dian)荷(he)泵(beng)進(jin)行(xing)比(bi)較(jiao)。最(zui)後(hou),我(wo)們(men)將(jiang)把(ba)所(suo)有(you)相(xiang)關(guan)內(nei)容(rong)組(zu)合(he)在(zai)一(yi)起(qi)來(lai)為(wei)一(yi)個(ge)低(di)噪(zao)聲(sheng)相(xiang)控(kong)陣(zhen)波(bo)束(shu)成(cheng)型(xing)解(jie)決(jue)方(fang)案(an)供(gong)電(dian)。
參考電路
1Jaino Parasseril。 “如何使用μModule降壓穩壓器從正輸入產生負輸出電壓” 。淩力爾特。
2Kevin Scott and Jesus Rosales。“Ćuk組合式轉換器和反相電荷泵轉換器之間的區別” 。ADI公司。
3Majing Xie。 “大功率、單電感、表貼降壓-升壓µModule穩壓器處理36 VIN、10 A負載” 。淩力爾特,2008年3月。
致謝
Sherlyn Dela Cruz、Alex Ilustrisimo和Roger Peppiette
免責聲明:本文為轉載文章,轉載此文目的在於傳遞更多信息,版權歸原作者所有。本文所用視頻、圖片、文字如涉及作品版權問題,請聯係小編進行處理。
推薦閱讀:
特別推薦
- 噪聲中提取真值!瑞盟科技推出MSA2240電流檢測芯片賦能多元高端測量場景
- 10MHz高頻運行!氮矽科技發布集成驅動GaN芯片,助力電源能效再攀新高
- 失真度僅0.002%!力芯微推出超低內阻、超低失真4PST模擬開關
- 一“芯”雙電!聖邦微電子發布雙輸出電源芯片,簡化AFE與音頻設計
- 一機適配萬端:金升陽推出1200W可編程電源,賦能高端裝備製造
技術文章更多>>
- 1200餘家企業齊聚深圳,CITE2026打造電子信息產業創新盛宴
- 掌握 Gemini 3.1 Pro 參數調優的藝術
- 築牢安全防線:電池擠壓試驗機如何為新能源產業護航?
- Grok 4.1 API 實戰:構建 X 平台實時輿情監控 Agent
- 電源芯片國產化新選擇:MUN3CAD03-SF助力物聯網終端“芯”升級
技術白皮書下載更多>>
- 車規與基於V2X的車輛協同主動避撞技術展望
- 數字隔離助力新能源汽車安全隔離的新挑戰
- 汽車模塊拋負載的解決方案
- 車用連接器的安全創新應用
- Melexis Actuators Business Unit
- Position / Current Sensors - Triaxis Hall
熱門搜索






