ESD二極管用於電壓箝位
發布時間:2020-06-03 來源:Paul Blanchard 和 Brian Pelletier 責任編輯:wenwei
【導讀】當放大器發生外部過壓狀況時,ESD二極管是放大器與過電應力之間的最後防線。正確理解ESD單元在一個器件中是如何實現的,設計人員就能通過適當的電路設計大大擴展放大器的生存範圍。本文旨在向讀者介紹各種類型的ESD實現方案,討論每種方案的特點,並就如何利用這些單元來提高設計魯棒性提供指南。
引言
有許多應用的輸入不受係統控製,而是連接到外部世界,例如測試設備、儀(yi)器(qi)儀(yi)表(biao)和(he)某(mou)些(xie)檢(jian)測(ce)設(she)備(bei)。對(dui)於(yu)此(ci)類(lei)應(ying)用(yong),輸(shu)入(ru)電(dian)壓(ya)可(ke)能(neng)會(hui)超(chao)過(guo)前(qian)端(duan)放(fang)大(da)器(qi)的(de)額(e)定(ding)最(zui)大(da)電(dian)壓(ya),因(yin)而(er)必(bi)須(xu)采(cai)用(yong)保(bao)護(hu)方(fang)案(an)來(lai)維(wei)持(chi)設(she)計(ji)的(de)使(shi)用(yong)範(fan)圍(wei)和(he)魯(lu)棒(bang)性(xing)。前(qian)端(duan)放(fang)大(da)器(qi)的(de)內(nei)部(bu)ESD二極管有時會用來箝位過壓狀況,但為了確保這種箝位能夠提供充分可靠的保護,需要考慮許多因素。了解前端放大器內部的不同ESD二極管架構,以及具體保護電路的熱影響和電子遷移影響,有助於設計人員解決保護電路相關的問題,並提高其在現場的使用壽命。
ESD二極管配置
應當明白,並非所有ESD二極管都是連接到電源和地的簡單二極管箝位。有許多可能的方案可以采用,例如:多個二極管串聯、二極管和電阻、背靠背二極管等。下麵介紹一些較為常見的方案。
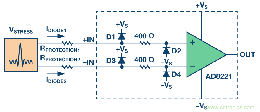
連接到電源的二極管
圖1顯xian示shi了le一yi個ge放fang大da器qi實shi例li,二er極ji管guan連lian接jie在zai輸shu入ru引yin腳jiao和he電dian源yuan之zhi間jian。在zai正zheng常chang工gong作zuo條tiao件jian下xia,二er極ji管guan反fan偏pian,但dan當dang輸shu入ru高gao於yu正zheng電dian源yuan電dian壓ya或huo低di於yu負fu電dian源yuan電dian壓ya時shi,二er極ji管guan變bian為wei正zheng偏pian。當dang二er極ji管guan變bian為wei正zheng偏pian時shi,電dian流liu經jing過guo放fang大da器qi的de輸shu入ru端duan流liu至zhi相xiang應ying的de電dian源yuan。
對於圖1所示電路,當過壓超過+Vs時,放大器本身不會限製輸入電流,需要外部增加串聯電阻來限流。當電壓低於–Vs時,400 Ω電阻會起到一定的限流作用,設計時應當納入考慮中。

圖1. AD8221的輸入ESD拓撲結構
圖2顯示了一個具有相似二極管配置的放大器,但在本例中,電流受內部2.2 kΩ串聯電阻的限製。它與圖1所示電路的區別不僅在於限流電阻R的值,還在於2.2 kΩ可保護電路不受+Vs以上電壓的影響。這個例子複雜難懂,務必充分了解以便在使用ESD二極管時優化保護。

圖2. AD8250的輸入ESD拓撲結構
限流JFET
與圖1和圖2中的方案不同,IC設計可以使用限流JFET代替二極管箝位。圖3顯示了一個例子,當輸入電壓超過器件的額定工作範圍時,JFET被用來保護器件。JFET輸入使該器件自身就能耐受相反供電軌的最高40 V電壓。由於JFET會限製流入輸入引腳的電流,因此ESD單元無法用作額外的過壓保護。
當需要最高40 V的電壓保護時,此器件的JFET保護可提供嚴格受控的、可靠的、完全明確的保護方案。這常常與使用ESD二極管的保護方案相反,後者關於二極管限流的信息常常指定典型值,甚至完全不明確。

圖3. AD8226的輸入保護方案
二極管堆疊
在允許輸入電壓超過電源電壓或地的應用中,可以使用二極管堆疊來防止輸入受ESD事件的影響。圖4suoshidefangdaqijiushicaiyongduidieerjiguanbaohufangan。gaipeizhishiyongerjiguanchuanlaifangfanfushunbian。zaikeyongshurufanweinei,erjiguanchuanyongyuxianzhiloudianliu,dandangchaoguofugongmofanweishi,tajiuhuitigongbaohu。jizhu,erjiguanchuandedengxiaochuanliandianzushiweiyidexianliucuoshi。duiyugeidingdianya,keshiyongwaibuchuanliandianzulaijiangdishurudianliu。

圖4. AD8417的低端輸入保護方案
背靠背二極管
當允許輸入電壓範圍超過電源電壓時,也可使用背靠背二極管。圖5所示的放大器采用背靠背二極管來為器件提供ESD保護,采用3.3 V電源供電時,其允許電壓最高達到70 V。D4和D5是高壓二極管,用於應對輸入引腳上可能存在的高電壓;當輸入電壓在正常工作範圍以內時,D1和D2用於防止漏電流。在這種配置中,不建議使用這些ESD單元來提供過壓保護,因為若超過高壓二極管的最大反偏電壓,很容易造成器件永久損壞。

圖5. AD8418的高端輸入保護方案
無ESD箝位
某些器件的前端沒有ESD器件。很顯然,如果沒有ESD二極管,設計人員當然無法將其用於箝位。之所以提到這種架構,是因為在研究過壓保護 (OVP) 時,需要注意這種情況。圖6所示的器件僅使用大阻值電阻保護放大器。

圖6. AD8479的輸入保護方案
ESD單元用於箝位
除了解ESD單元如何實現之外,還必須知道如何利用這些結構提供保護。典型應用使用串聯電阻來限製額定電壓範圍內的電流。
當放大器配置為圖7所示時,或者輸入受連接到電源的二極管保護時,輸入電流限值可利用以下公式計算。


圖7. ESD單元用於箝位
公式1用到一個假設,即VSTRESS > VSUPPLY。若非如此,應測得更精確的二極管電壓並將其用於計算,而不要使用0.7 V的近似值。
下麵是一個計算實例,其中放大器采用±15 V電源供電,要防範的輸入過壓高達±120 V,輸入電流限製在1 mA。根據公式1,我們可以使用這些輸入進行計算:

根據上述要求,RPROTECTION > 105 kΩ可將二極管電流限製在 1 mA以下。
了解限流
IDIODE最大值隨器件而不同,它還取決於施加過壓的特定應用情形。持續數毫秒的一次性事件,與在應用的全部20nianhuogengduonianderenwushoumingzhongchixushijiadianliu,qizuidadianliujianghuibutong。jutizhidaozhikezaifangdaqishujushoucedejueduizuidazhibufenhuoyingyongbijizhongzhaodao,tongchangzai1 mA至10 mA範圍內。
故障模式
具體保護方案的最大電流額定值最終要受兩個因素的限製: 二極管功耗的熱影響和電流路徑的最大電流額定值。功耗應保持在閾值以下,使工作溫度始終處於有效範圍;所選電流應在額定最大值範圍內,以免電子遷移引起可靠性問題。
熱影響
當電流流入ESD二極管時,二極管的功耗會引起溫度升高。多數放大器數據手冊指定了熱阻(通常指定ӨJA),它顯示了結溫升幅與功耗的關係。考慮最差情況下的應用溫度,以及功耗引起的最壞溫度升幅,可以判斷保護電路是否有效。
電子遷移
jishidianliubuyinqirewenti,erjiguandianliuyekenengzaochengkekaoxingwenti。youyudianziqianyi,renhedianqixinhaolujingdouyouyigezuidashoumingdianliuedingzhi。erjiguandianliulujingdedianziqianyidianliuxianzhitongchangshouyuerjiguanchuanliandeneibuzouxiandehouduxianzhi。fangdaqizhizaoshangbuyidinghuifabucixinxi,danruoerjiguanchangshijiangongzuo(而不是工作很短時間),就需要予以考慮。
舉個例子,當放大器監控(因而連接到)一yi個ge獨du立li於yu其qi自zi身shen供gong電dian軌gui的de電dian壓ya軌gui時shi,電dian子zi遷qian移yi便bian可ke能neng是shi一yi個ge問wen題ti。當dang存cun在zai多duo個ge電dian源yuan域yu時shi,可ke能neng會hui發fa生sheng因yin電dian源yuan時shi序xu問wen題ti而er引yin起qi電dian壓ya暫zan時shi超chao過guo絕jue對dui最zui大da條tiao件jian的de情qing況kuang。考kao慮lv最zui差cha情qing況kuang下xia的de電dian流liu路lu徑jing和he在zai整zheng個ge使shi用yong壽shou命ming中zhong以yi此ci電dian流liu工gong作zuo的de持chi續xu時shi間jian,並bing了le解jie電dian子zi遷qian移yi的de最zui大da允yun許xu電dian流liu,便bian可ke避bi免mian電dian子zi遷qian移yi引yin起qi可ke靠kao性xing問wen題ti。
結論
了解放大器內部ESD二(er)極(ji)管(guan)如(ru)何(he)在(zai)過(guo)電(dian)應(ying)力(li)期(qi)間(jian)激(ji)活(huo),有(you)助(zhu)於(yu)輕(qing)鬆(song)提(ti)高(gao)設(she)計(ji)的(de)魯(lu)棒(bang)性(xing)。研(yan)究(jiu)保(bao)護(hu)電(dian)路(lu)的(de)熱(re)影(ying)響(xiang)和(he)電(dian)子(zi)遷(qian)移(yi)影(ying)響(xiang),可(ke)以(yi)凸(tu)顯(xian)潛(qian)在(zai)的(de)問(wen)題(ti)並(bing)顯(xian)示(shi)是(shi)否(fou)需(xu)要(yao)額(e)外(wai)的(de)保(bao)護(hu)。考(kao)慮(lv)本(ben)文(wen)提(ti)出(chu)的(de)條(tiao)件(jian)可(ke)以(yi)讓(rang)設(she)計(ji)人(ren)員(yuan)作(zuo)出(chu)明(ming)智(zhi)選(xuan)擇(ze),避(bi)免(mian)在(zai)現(xian)場(chang)發(fa)生(sheng)魯(lu)棒(bang)性(xing)問(wen)題(ti)。
推薦閱讀:
特別推薦
- 噪聲中提取真值!瑞盟科技推出MSA2240電流檢測芯片賦能多元高端測量場景
- 10MHz高頻運行!氮矽科技發布集成驅動GaN芯片,助力電源能效再攀新高
- 失真度僅0.002%!力芯微推出超低內阻、超低失真4PST模擬開關
- 一“芯”雙電!聖邦微電子發布雙輸出電源芯片,簡化AFE與音頻設計
- 一機適配萬端:金升陽推出1200W可編程電源,賦能高端裝備製造
技術文章更多>>
- 具身智能成最大亮點!CITE 2026開幕峰會釋放產業強信號
- 助力醫療器械產業高質量發展 派克漢尼汾閃耀2026 ICMD
- 比異步時鍾更隱蔽的“芯片殺手”——跨複位域(RDC)問題
- 數據之外:液冷技術背後的連接器創新
- “眼在手上”的嵌入式實踐:基於ROS2與RK3576的機械臂跟隨抓取方案
技術白皮書下載更多>>
- 車規與基於V2X的車輛協同主動避撞技術展望
- 數字隔離助力新能源汽車安全隔離的新挑戰
- 汽車模塊拋負載的解決方案
- 車用連接器的安全創新應用
- Melexis Actuators Business Unit
- Position / Current Sensors - Triaxis Hall
熱門搜索
ESD
ESD保護
ESD保護器件
ESD器件
Eurotect
Exar
Fairhild
FFC連接器
Flash
FPC連接器
FPGA
Fujitsu
Future
GFIVE
GPS
GPU
Harting
HDMI
HDMI連接器
HD監控
HID燈
I/O處理器
IC
IC插座
IDT
IGBT
in-cell
Intersil
IP監控
iWatt




