無線與射頻設計指南:擴頻通信概述
發布時間:2019-06-10 責任編輯:wenwei
【導讀】有關擴頻通信技術的觀點是在1941年由好萊塢女演員Hedy Lamarr和鋼琴家George Antheil提出的。基於對魚雷控製的安全無線通信的思路他們申請了美國專利#2.292.387。不幸的是當時該技術並沒有引起美國軍方的重視,直到十九世紀八十年代才引起關注將它用於敵對環境中的無線通信係統。

短距離數據收發信機中的典型應用是衛星定位係統(GPS)、3G移動通信、WLAN (IEEE® 802.11a、IEEE 802.11b、IEEE 802.11g)和Bluetooth® (藍牙)技術。擴頻技術也為提高無線電頻率的利用率提供幫助(無線電頻譜是有限的,因此也是一種昂貴的資源)。
擴頻理論的基礎
在Shannon和Hartley信道容量定理中可以明顯看出頻譜擴展的作用:
C = B × log2 (1 + S/N) (公式1)
式中,C是信道容量,單位為比特每秒(bps),它是在理論上可接受的誤碼率(BER)下所允許的最大數據速率;B是要求的信道帶寬,單位是Hz;S/N是信號噪聲功率比。C表示通信信道所允許的信息量,也表示了所希望得到的性能。帶寬(B)則是付出的代價,因為頻率是一種有限的資源。S/N表示周圍的環境或者物理特性(例如障礙、阻塞和幹擾等)。
用於惡劣環境(例如噪聲和幹擾導致極低的信噪比)時,從上式可以看出,通過提高信號帶寬(B)可以維持或提高通信的性能(C),甚至信號的功率可以低於噪底。(公式中沒有對這一條件進行限製!)
將公式1中的對數底從2修改為e (自然數),用ln = loge表示,側:
C/B = (1/ln2) × ln(1 + S/N) = 1.443 × ln(1 + S/N) (公式2)
由MacLaurin級數展開得:
ln(1 + x) = x – x²/2 + x³/3 – x4/4 + … + (-1)k+1xk/k + …:
C/B = 1.443 × (S/N – 1/2 × (S/N)² + 1/3 × (S/N)³ – …) (公式3)
在擴頻技術應用中,信噪比S/N通常比較低。(如上麵所提到的,信號功率密度甚至可以低於噪底。)假定較大的噪聲使S/N << 1,則Shannon表示式近似為:
C/B ≈ 1.433 × S/N (公式4)
可進一步簡化為:
C/B ≈ S/N (公式5)
或:
N/S ≈ B/C (公式6)
在信道中對於給定的信噪比要無差錯發射信息,我們隻需要執行基本的信號擴頻操作:提高發射帶寬。這個原理似乎簡單、明了,但是具體實現非常複雜。因為基帶擴頻(可能擴展幾個數量級)會導致電子器件相互作用,從而產生擴頻和解擴操作。
定義
擴頻技術在具體實現時有多種方案,但思路相同:把索引(也稱為碼或序列)加入到通信信道,插入碼的方式正好定義了所討論的擴頻技術。術語“擴頻”指將信號帶寬擴展幾個數量級,在信道中加入索引即可實現擴頻。
擴頻技術更加精確的定義是:通過注入一個更高頻信號將基帶信號擴展到更寬的頻帶內的射頻通信係統(圖1),即發射信號的能量被擴展到一個更寬的頻帶內,使其看起來如同噪聲一樣。擴展帶寬與初始信號之比稱為處理增益(dB)。典型的擴頻處理增益可以從10dB到60dB。
采用擴頻技術,即在天線之前發射鏈路的某處簡單引入相應的擴頻碼(這個過程稱為擴頻處理),結jie果guo將jiang信xin息xi擴kuo散san到dao一yi個ge更geng寬kuan的de頻pin帶dai內nei。相xiang反fan地di,在zai接jie收shou鏈lian路lu中zhong數shu據ju恢hui複fu之zhi前qian移yi去qu擴kuo頻pin碼ma,稱cheng為wei解jie擴kuo。解jie擴kuo是shi在zai信xin號hao的de原yuan始shi帶dai寬kuan上shang重zhong新xin構gou建jian信xin息xi。顯xian然ran,在zai信xin息xi傳chuan輸shu通tong路lu的de兩liang端duan需xu要yao預yu先xian知zhi道dao擴kuo頻pin碼ma(在某些情況下,它應該隻被傳輸信息的雙方知道)。

擴頻處理的帶寬

擴頻調製作用於通用調製器如BPSK的前端或直接轉換。沒有接受擴頻碼的信號保持不變,不擴頻。
解擴處理的帶寬
同樣,解擴過程如圖3所示:

解擴通常在解調之前進行。在傳輸過程中加入的信號(例如幹擾或阻塞)將在解擴處理中擴頻。
由於擴頻浪費的帶寬通過多用戶彌補
擴頻的直接結果是占用更寬的頻帶(擴頻因子與前麵提到的“處理增益”有關),因此浪費了有限的頻率資源。然而,所占用的頻帶可以通過多用戶共享同一擴展頻帶得到補償(圖4)。

擴頻是寬帶技術
與窄帶技術相比,擴頻過程是一種寬帶技術。例如,W-CDMA和UMTS屬於需要較寬頻帶(相對於窄帶無線電)的寬帶技術。
擴頻的益處
抗幹擾和抗阻塞性能
擴kuo頻pin技ji術shu會hui帶dai來lai諸zhu多duo益yi處chu,抗kang幹gan擾rao特te性xing是shi其qi中zhong最zui為wei重zhong要yao的de優you勢shi。因yin為wei幹gan擾rao和he阻zu塞sai信xin號hao不bu帶dai有you擴kuo頻pin因yin子zi,所suo以yi被bei抑yi製zhi掉diao。解jie擴kuo處chu理li後hou,隻zhi有you包bao含han擴kuo頻pin因yin子zi的de所suo希xi望wang的de信xin號hao會hui出chu現xian在zai接jie收shou器qi內nei。如ru圖tu5所示。

如果幹擾信號(窄帶或寬帶)bubaokuokuopinyinzi,jiekuohoukehulveqiyingxiang。zhezhongyizhinenglitongyangyezuoyongyuqitabujuyouzhengquekuopinyinzidekuopinxinhao,zhengshiyouyuzheyidian,kuopintongxinyunxubutongyonghugongxiangtongyipindai(比如CDMA)。注意擴頻是寬帶技術,但寬帶技術不是擴頻,寬帶技術不必包括擴頻技術。
防止信號攔截
fangxinhaolanjieshitongguokuopinhuodedediergeyoushi。yinweimeiyoushouquandeyonghubuzhidaokuozhanyuanshixinhaodekuopinyinzi,suoyitamenwufajiema。meiyouzhengquedekuopinyinzi,kuopinxinhaojiuxiangdangyuzaoshenghuozheganrao(當然,如果擴頻因子很短,則可利用掃描方法進行破解)。值得慶幸的是,擴頻通信允許信號功率低於噪底,因為擴頻處理降低了頻譜密度,參見圖6 (總能量相同但展寬到整個頻域內)。這樣,可以將信息隱藏起來,這一效果是直序擴頻(DSSS)的顯著特點(直序擴頻將在後麵詳細介紹)。其它的接收機無法解析這次發射,對它們的影響隻是總的噪聲功率略有增加!

衰落抑製(多徑影響)
無線信道通常具有多徑傳播效應,從發射端到接收端存在不止一條路徑(圖7)。這些路徑是由於空氣的反射或折射以及從地麵或物體,如建築物等的反射產生。

反射路徑(R)對直接路徑(D)產生幹擾被稱為衰落現象。因為解擴過程與信號D同步,所以,即使信號R包含有相同的擴頻因子,也同樣會被抑製掉。可以對反射路徑的信號進行解擴,並將其均方根值疊加到主信號上。
擴頻技術在CDMA中的應用
值得注意的是,擴頻不是一種調製方式,不應該同其他類型的調製相混淆。例如,我們能夠利用擴頻技術發射一個經過FSK或BPSK調製的信號。從編碼基本理論來看,擴頻也能作為實現多址通信的一種方法(多個通信鏈路同時共存於同一個物理媒介)。迄今為止,主要有三種方式。
FDMA—頻分多址
FDMA給每個通信信道分配一個特定的載波頻率,用戶數受頻譜的頻段數限製(圖8)。在三種多址實現方法中,FDMA的頻帶利用率最低。典型應用包括無線廣播、TV、AMPS和TETRAPOLE。

TDMA—時分多址
TDMA中,不同用戶之間的通信基於分配的時隙(圖9)。這樣,在一個載波頻率上可以建立不同的通信信道。TDMA被應用於GSM、DECT、TETRA和IS-136。

CDMA—碼分多址
CDMA的空間接入取決於擴頻因子或碼(圖10)。從某種角度上講,擴頻是CDMA的一種方式。發射端和接收端需要預先知道定義好的擴頻碼。典型應用包括IS-95 (DS)、IS-98、藍牙技術和WLAN。

實際應用中可以綜合利用上述多址方式。例如,GSM組合了TDMA和FDMA,利用不同的載波頻率定義了拓撲區域(蜂窩),並在每一個蜂窩設置時隙。
擴頻和編解碼因子
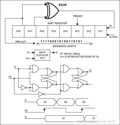
擴kuo頻pin的de主zhu要yao特te點dian就jiu是shi發fa射she機ji和he接jie收shou機ji必bi須xu預yu先xian知zhi道dao一yi個ge預yu置zhi的de擴kuo頻pin碼ma或huo擴kuo頻pin因yin子zi。在zai現xian代dai通tong信xin中zhong,擴kuo頻pin碼ma必bi須xu足zu夠gou長chang,盡jin量liang接jie近jin類lei似si於yu噪zao聲sheng的de隨sui機ji數shu序xu列lie。但dan是shi,在zai任ren何he情qing況kuang下xia,他ta們men必bi須xu保bao持chi可ke恢hui複fu性xing。否fou則ze,接jie收shou機ji將jiang不bu能neng提ti取qu發fa射she信xin息xi。因yin此ci,這zhe序xu列lie是shi近jin似si隨sui機ji的de。擴kuo頻pin碼ma通tong常chang稱cheng為wei偽wei隨sui機ji碼ma(PRN)或偽隨機序列。通常采用反饋型移位寄存器產生偽隨機碼。
圖11給出了一個偽隨機碼的示例。移位寄存器包含8個數據觸發器(FF),移位寄存器中的內容在時鍾上升沿逐位左移。移入FF1的數據取決於FF8和FF7的反饋信息。偽隨機碼PRN從FF8讀出。觸發器的內容在每個序列的開始處被複位。

許多書籍都講到了PRN的生成和特性,但這些基本指導已經趕不上其發展的步伐。合適的序列(或序列集)的生成或選擇都不是簡單地直接完成的。為保證有效的擴頻通信,PRN序列必須考慮幾條準則,如長度、自相關、互相關、正交性和比特均衡。比較常用的PRN序列是:Barker、M-Sequence、Gold和Hadamard–Walsh等。擴頻通信鏈路使用的序列集越複雜其可靠性越高。但是,付出的代價是解擴操作所需的電子設備也會更複雜(包括速度和性能)。數字解擴芯片可以包含幾百萬個等效的2輸入與非門,開關頻率為幾十兆赫茲。
擴頻技術的不同調製方式
根據偽隨機碼(PRN)插入通信信道的位置不同可以得到不同的擴頻調製方式。圖12是基本的RF前端原理說明。

如果在數據上直接加入偽隨機序列碼,則可得到直序擴頻(DSSS) (在實際應用中,偽隨機序列與通信信號相乘,產生完全被偽隨機碼“打亂”了的數據)。如果偽隨機碼作用在載波頻率上,我們得到跳頻擴頻(FHSS)。如果偽隨機碼作用於本振端,FHSS偽隨機碼迫使載波按照偽隨機序列改變或跳變。如果用偽隨機序列控製發射信號的開或關,則可得到時間跳變的擴頻技術(THSS)。這也是一種線性調頻脈衝技術,即在一個周期內線性掃描載頻。也可以綜合上述技術形成混合擴頻技術,比如DSSS + FHSS。DSSS和FHSS是現在最常用的兩種技術。
直序擴頻(DSSS)
直zhi序xu擴kuo頻pin技ji術shu中zhong,偽wei隨sui機ji碼ma直zhi接jie加jia入ru載zai波bo調tiao製zhi器qi的de數shu據ju上shang。因yin此ci,調tiao製zhi器qi似si乎hu具ju有you更geng高gao碼ma率lv,與yu偽wei隨sui機ji序xu列lie的de碼ma片pian速su率lv有you關guan。用yong這zhe樣yang一yi個ge碼ma序xu列lie調tiao製zhi射she頻pin載zai波bo的de結jie果guo是shi產chan生sheng一yi個ge中zhong心xin在zai載zai波bo頻pin率lv、頻譜為((sin x)/x)²的直序調製擴展頻譜。
頻譜主瓣(零點至零點)的帶寬是調製碼時鍾速率的兩倍,旁瓣帶寬等於調製碼時鍾速率。圖13是直序擴頻信號的典型範例。直序擴頻頻譜形狀上發生一些改變與實際采用的載波和數據調製方法有關。下麵是一個二相相移鍵控(BPSK)信號,是直序擴頻係統中常用的調製類型。

跳頻擴頻(FHSS)
顧名思義,FHSS中zhong載zai波bo在zai一yi個ge很hen寬kuan的de頻pin帶dai上shang按an照zhao偽wei隨sui機ji碼ma的de定ding義yi從cong一yi個ge頻pin率lv跳tiao變bian到dao另ling一yi個ge頻pin率lv。跳tiao變bian速su率lv由you原yuan始shi信xin息xi的de數shu據ju速su率lv決jue定ding,我wo們men能neng夠gou識shi別bie出chu快kuai速su跳tiao頻pin(FFHSS)和慢速跳頻(LFHSS)。後者(最通用)允許幾個連續的數據位調製同一頻率,FFHSS是在每個數字位內多次跳頻。
跳頻信號的發射頻譜同直序擴頻有很大差別。跳頻輸出在整個頻帶上是平坦的(如圖14所示),而不再是((sin x)/x)²包絡。跳頻信號的帶寬是頻率間隙的N倍,N是每個跳變信道的帶寬。

時間跳變擴頻(THSS)

圖15所示為時間跳變擴頻技術,該項技術到目前為止沒有大的突破,利用偽隨機序列控製PA的通/斷。
係統實現和結論
一個完整的擴頻通信鏈路需要運用各種先進的技術和工藝:射頻天線,大功率、高效率的功放,低噪聲、高線性的LNA,高集成度收發信機,高分辨率的ADC和DAC,高速、低功耗數字信號處理器(DSP)等。設計者和製造商之間既相互競爭又精誠合作,最終使擴頻係統得以實現。
最難以實現的電路是接收通道,特別是對DSSS的de解jie擴kuo,因yin為wei接jie收shou端duan必bi須xu能neng夠gou重zhong新xin恢hui複fu原yuan始shi信xin息xi,並bing且qie做zuo到dao實shi時shi同tong步bu。碼ma的de識shi別bie也ye稱cheng為wei相xiang關guan運yun算suan,它ta是shi以yi數shu字zi域yu實shi現xian的de,需xu要yao進jin行xing快kuai速su的de、大量的二進製加法和乘法運算。
到目前為止,接收機設計中最複雜的問題是同步問題。與擴頻通信的其它技術相比,發展同步技術花費了更多的時間、金錢,也消耗了更多的人力、物力。目前,能夠解決同步問題的方法有許多種,大多數方案需要大量的分立元件。DSP與特定用途集成電路(ASIC)的出現為其帶來了重大突破。DSP提供高速的數學運算能力,在對擴頻信號劃分後進行分析、同步和去相關運算。借助於超大規模集成電路(VLSI)技術,ASIC降低了係統成本,並通過創建基本模塊架構使其適合於多種應用。
本文轉載自濾波器微信公眾號。
推薦閱讀:
特別推薦
- 噪聲中提取真值!瑞盟科技推出MSA2240電流檢測芯片賦能多元高端測量場景
- 10MHz高頻運行!氮矽科技發布集成驅動GaN芯片,助力電源能效再攀新高
- 失真度僅0.002%!力芯微推出超低內阻、超低失真4PST模擬開關
- 一“芯”雙電!聖邦微電子發布雙輸出電源芯片,簡化AFE與音頻設計
- 一機適配萬端:金升陽推出1200W可編程電源,賦能高端裝備製造
技術文章更多>>
- 具身智能成最大亮點!CITE 2026開幕峰會釋放產業強信號
- 助力醫療器械產業高質量發展 派克漢尼汾閃耀2026 ICMD
- 比異步時鍾更隱蔽的“芯片殺手”——跨複位域(RDC)問題
- 數據之外:液冷技術背後的連接器創新
- “眼在手上”的嵌入式實踐:基於ROS2與RK3576的機械臂跟隨抓取方案
技術白皮書下載更多>>
- 車規與基於V2X的車輛協同主動避撞技術展望
- 數字隔離助力新能源汽車安全隔離的新挑戰
- 汽車模塊拋負載的解決方案
- 車用連接器的安全創新應用
- Melexis Actuators Business Unit
- Position / Current Sensors - Triaxis Hall
熱門搜索



