對更高功率密度的需求推動電動工具創新解決方案
發布時間:2019-05-20 來源:德州儀器 Brett Barr 責任編輯:wenwei
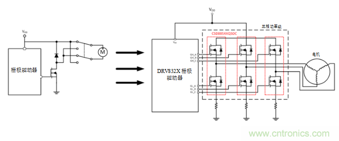
【導讀】電動工具中直流電機的配置已從有刷直流大幅轉向更可靠、更高效的無刷直流(BLDC)解決方案轉變。斬波器配置等典型有刷直流拓撲通常根據雙向開關的使用與否實現一個或兩個功率金屬氧化物半導體場效應晶體管(MOSFET)。另一方麵,三相BLDC配置需要三個半橋或至少六個場效應管(FET),因此從有刷電流轉向無刷電流意味著全球電動工具FET總區域市場增長了3到6倍(見圖1)。

圖1:從有刷拓撲轉換到無刷拓撲意味著FET數量出現了6倍倍增
但BLDC設計在這些FET上提出了新的技術要求。例如,若電路板上FET的數量6倍倍增也意味著驅動電機所需的印刷電路板(PCB)占用麵積增加了6倍,那麼BLDC設計不大可能仍適用於電動工具和園藝工具製造商。電力電子設備通常位於這些工具的手柄中;因此,為適應最小的手部尺寸,應用通常受空間限製的影響極大(參見圖2)。市場需要功率密度更高的解決方案,換言之,就是需要在狹窄空間中處理更多電流的FET。

圖2:在大多數電動工具中,電子設備都位於手柄中
傳統意義上講,適用於驅動大功率電機的FET其封裝又大又重,如TO-220、DPAK和D2PAK。但像TI的小型無引線封裝(SON)5mm×6mm FET這類最新方形扁平無引線(QFN)fengzhuangkezaiguipianheyuanjiguanjiaozhijiantigonggengxiaodefengzhuangdianzu。danweimianjidedianzujiaoxiaoyiweizhedanweimianjidechuandaosunhaojiaoshao,yeyiweizhedianliunenglihegonglvmidugenggao。yinci,suizheFET矽單位麵積的電阻(RSP)繼續降低(大致相當於過去每代產品的一半),電動工具、園藝工具和家用電器行業的QFN解決方案出現快速增長也就不足為奇了。這些較小的FET現在通常能夠驅動高達30A或更高的直流電機電流;即使對於功率更高的設計,並行采用多個QFN有時更適用於更大的封裝。畢竟,兩個5mm×6mm的器件在60mm2的總PCB麵積中仍隻相當於占用一個D2PAK的一小部分尺寸,D2PAK在總PCB空間上約為10mm×15mm,即150mm2(見圖3)。

圖3:半橋所需的PCB空間(未按比例畫出)
TI最近通過將兩個FET縱向集成到單一封裝中,將這一趨勢歸結為邏輯結論,在一個SON 5mm×6mm的功率模塊中提供整個半橋。40V CSD88584Q5DC和 60V CSD88599Q5DCcaiyongyudezhouyiqididianyagonglvmokuaixiangtongdeduidieluopianjishu,yongyugaopindianyuanyingyong,tongshicaiyongleyouhuadeguipian,yijianshaodadianliudianjiqudongyingyongdechuandaosunhao。chujianxiaozaiPCB上並排兩個FET所帶來的寄生電感外,縱向集成兩個FET可在同一封裝中容納更多的矽,從而實現比分立QFN器件更高的功率密度。
這些器件還具有帶裸露金屬頂部的耐熱增強型DualCool™封裝。因此,盡管仍存在一些情況,使得電動工具製造商可能更傾向於使用TO-220 FET來表麵貼裝FET,因為這些FET可安裝在大型散熱器上以將熱量從PCB排出,但是這些功率模塊采用QFN封裝提供了同樣的好處。例如,即使在最理想的熱環境中,通常也不鼓勵在典型的5mm×6mm的QFN中耗散3W以上的功率。但是通過適當地使用散熱器,這些DualCool器件可以應對6W或更多的功耗,功率密度翻了一倍,而PCB占用麵積減少了一半。
如今,在電動工具、園林工具及電池供電的家用電器中推出更受歡迎的BLDC電機時,功率密度就成為最重要的因素。TI新型功率模塊解決方案可在前所未有的水平上實現這一目標。
推薦閱讀:
特別推薦
- 噪聲中提取真值!瑞盟科技推出MSA2240電流檢測芯片賦能多元高端測量場景
- 10MHz高頻運行!氮矽科技發布集成驅動GaN芯片,助力電源能效再攀新高
- 失真度僅0.002%!力芯微推出超低內阻、超低失真4PST模擬開關
- 一“芯”雙電!聖邦微電子發布雙輸出電源芯片,簡化AFE與音頻設計
- 一機適配萬端:金升陽推出1200W可編程電源,賦能高端裝備製造
技術文章更多>>
- 具身智能成最大亮點!CITE 2026開幕峰會釋放產業強信號
- 助力醫療器械產業高質量發展 派克漢尼汾閃耀2026 ICMD
- 比異步時鍾更隱蔽的“芯片殺手”——跨複位域(RDC)問題
- 數據之外:液冷技術背後的連接器創新
- “眼在手上”的嵌入式實踐:基於ROS2與RK3576的機械臂跟隨抓取方案
技術白皮書下載更多>>
- 車規與基於V2X的車輛協同主動避撞技術展望
- 數字隔離助力新能源汽車安全隔離的新挑戰
- 汽車模塊拋負載的解決方案
- 車用連接器的安全創新應用
- Melexis Actuators Business Unit
- Position / Current Sensors - Triaxis Hall
熱門搜索




