ADC 中的集成式容性 PGA :重新定義性能
發布時間:2018-04-20 來源:Miguel Usach Merino 和 Gerard Mora Puchalt 責任編輯:wenwei
【導讀】ADI專利的容性可編程增益放大器(PGA)相比傳統的阻性PGA具(ju)有(you)更(geng)佳(jia)的(de)性(xing)能(neng),包(bao)括(kuo)針(zhen)對(dui)模(mo)擬(ni)輸(shu)入(ru)信(xin)號(hao)的(de)更(geng)高(gao)共(gong)模(mo)電(dian)壓(ya)抑(yi)製(zhi)能(neng)力(li)。本(ben)文(wen)描(miao)述(shu)了(le)斬(zhan)波(bo)容(rong)性(xing)放(fang)大(da)器(qi)的(de)工(gong)作(zuo)原(yuan)理(li),強(qiang)調(tiao)了(le)需(xu)要(yao)放(fang)大(da)傳(chuan)感(gan)器(qi)小(xiao)信(xin)號(hao)至(zhi)接(jie)近(jin)供(gong)電(dian)軌(gui)——比如溫度測量(RTD或熱電偶)和惠斯登電橋——時,此架構的優勢。
Σ-Δ型模數轉換器(ADC)廣泛用於傳感器具有較小輸出電壓範圍和帶寬的應用中(比如應變計或熱敏電阻),因為這種架構提供高動態範圍。具有高動態範圍是因為,相比其它ADC架構,它具有低噪聲性能。
Σ-Δ型轉換器基於兩條原理工作:過采樣和噪聲整形。當ADC對dui輸shu入ru信xin號hao進jin行xing采cai樣yang時shi,獨du立li於yu采cai樣yang頻pin率lv的de量liang化hua噪zao聲sheng會hui在zai直zhi到dao采cai樣yang頻pin率lv一yi半ban的de整zheng個ge頻pin譜pu內nei擴kuo散san。因yin此ci,如ru果guo輸shu入ru信xin號hao以yi比bi奈nai奎kui斯si特te理li論lun所suo推tui導dao出chu的de最zui小xiao值zhi高gao很hen多duo的de頻pin率lv采cai樣yang,則ze目mu標biao頻pin段duan內nei的de量liang化hua噪zao聲sheng下xia降jiang。
圖1顯示了不同采樣頻率下的量化噪聲密度示例。

圖1.不同采樣頻率下,頻率範圍內的量化噪聲密度。
一般而言,對於特定的目標頻段,每2個過采樣係數就會使動態範圍改善3dB(假定為白噪聲頻譜)。Σ-Δ型轉換器的第二個優勢是噪聲傳遞函數。它將噪聲整形至更高頻率(如圖2所示),進一步降低了目標頻段內的量化噪聲。

圖2.Σ-Δ噪聲整形
此外,Σ-Δ架構可能集成數字濾波器,用來移除目標頻段外的量化噪聲,實現出色的動態範圍性能,如圖3所示。

圖3.LPF之後的量化噪聲。
輸入緩衝器
過采樣架構的缺點之一是,相比其它采樣頻率較低的架構,驅動Σ-Δ型調製器的輸入緩衝器要求可能會更嚴格。采集時間變得更短,因此緩衝器需要更高帶寬。現代Σ-Δ型轉換器片上集成輸入緩衝器,最大程度簡化使用
此外,在檢測係統中,為檢測元件提供具有高精度的極高輸入阻抗對於測量精度而言極為關鍵。這使得輸入緩衝器的要求更為嚴格了。
集成輸入緩衝器還有其它挑戰。Σ-Δ型調製器可在低頻率時提供極低噪聲,但所有其它元件(比如輸入緩衝器)都會使熱噪聲增加,而更嚴重的則是低頻閃爍噪聲,如圖4所示。

圖4.閃爍噪聲。
ciwai,huanchongqishitiaoyekenengzengjiazongxitongwucha。tongguoxitongxiaozhunkeyibuchangshitiao,danruguoshitiaopiaoyixiangduijiaogao,namezhezhongfangshijiuwufashixian,yinweimeicigongzuowendufashenggaibiandouhuiyaoqiuxitongzhongxinxiaozhun,yibuchanghuanchongqishitiao。
例如,當失調漂移為500 nV/°C時,10°C溫度遞增將等於5 μV失調範圍,在±2.5 VREF 24位ADC中這相當於16.8 LSB,即約為4位。
解決這兩個問題的典型途徑是對緩衝器的輸入和輸出進行斬波,如圖5所示。

圖5.斬波放大器。
對輸入進行斬波之後,輸入頻率便調製到較高頻率。緩衝器失調和閃爍噪聲依然保持其最初的低頻率,因為它們不受輸入斬波的影響。
輸出去斬波機製將輸入頻率解調回基帶,同時向上調製緩衝器產生的失調和閃爍噪聲至較高頻率,隨後由ADC低通濾波器加以消除。
某些情況下,輸入緩衝器可以采用基於電阻的儀表放大器(阻性PGA)laidaiti,yishixiaochuanganqixinhaomanzuquantiaozhiqishurufanwei,zuidachengdutishengdongtaifanwei。xuzhuyi,jiyudianzudeyibiaofangdaqixiangbichafenzuxingfangdaqishigenghaodexuanze,yinweifenlishichuanganqixuyaogenggaodeshuruzukang。zuxingPGA可實現類似的斬波方案,如圖6所示。

圖6.阻性PGA。
阻性PGA可(ke)能(neng)需(xu)要(yao)級(ji)聯(lian)第(di)二(er)組(zu)緩(huan)衝(chong)器(qi),因(yin)為(wei)放(fang)大(da)器(qi)可(ke)能(neng)無(wu)法(fa)提(ti)供(gong)直(zhi)接(jie)驅(qu)動(dong)調(tiao)製(zhi)器(qi)所(suo)需(xu)要(yao)的(de)足(zu)夠(gou)帶(dai)寬(kuan)。同(tong)時(shi),必(bi)須(xu)保(bao)持(chi)低(di)功(gong)耗(hao),這(zhe)就(jiu)確(que)定(ding)了(le)電(dian)阻(zu)值(zhi),進(jin)而(er)確(que)定(ding)了(le)放(fang)大(da)器(qi)帶(dai)寬(kuan)。
使用這種放大器拓撲的主要問題是,它限製了共模電壓——尤其是在增益大於1的時候,因為阻性PGA具有取決於輸入信號的浮動共模值,如圖6所示。
此外,阻性網絡失配及其漂移也是影響總誤差預算的因素之一,因為它可能會影響大多數的精度規格。
為避免這些限製,最新的Σ-Δ型轉換器采用了容性PGA。
容性PGA放大原理與阻性PGA相似:增益取決於電容比,如圖7所示。

圖7.容性PGA(為簡便起見,移除了部分模塊)。
為了放大直流信號,容性PGA在PGA輸(shu)入(ru)端(duan)引(yin)入(ru)了(le)斬(zhan)波(bo)機(ji)製(zhi)直(zhi)流(liu)輸(shu)入(ru)信(xin)號(hao)調(tiao)製(zhi)到(dao)斬(zhan)波(bo)頻(pin)率(lv),然(ran)後(hou)由(you)容(rong)性(xing)放(fang)大(da)器(qi)進(jin)行(xing)放(fang)大(da)。最(zui)後(hou),信(xin)號(hao)通(tong)過(guo)輸(shu)出(chu)去(qu)斬(zhan)波(bo)解(jie)調(tiao)回(hui)直(zhi)流(liu)。此(ci)外(wai),放(fang)大(da)器(qi)失(shi)調(tiao)和(he)閃(shan)爍(shuo)噪(zao)聲(sheng)調(tiao)製(zhi)到(dao)斬(zhan)波(bo)頻(pin)率(lv),並(bing)在(zai)之(zhi)後(hou)的(de)級(ji)中(zhong)進(jin)行(xing)低(di)通(tong)濾(lv)波(bo)。
相比阻性架構,這種容性架構有一些優勢:
它能更好地權衡噪聲與功率,因為噪聲源較少。需要較少的放大器,而且相比電阻,電容不會產生噪聲。
電容比電阻有非常多的優勢。除了無噪聲外,電容不會受到自發熱影響,且通常具有更好的匹配和溫度漂移。這對失調、增益誤差和漂移規格有正麵影響。
電容可將輸入共模從信號鏈共模的其餘部分去耦。這樣可以提供CMRR、PSRR和THD等優勢。
容性PGA的de最zui大da優you勢shi之zhi一yi,是shi它ta的de輸shu入ru共gong模mo範fan圍wei可ke以yi是shi軌gui到dao軌gui或huo更geng高gao。這zhe樣yang便bian有you可ke能neng從cong正zheng供gong電dian軌gui下xia至zhi負fu供gong電dian軌gui的de幾ji乎hu任ren何he地di方fang對dui傳chuan感gan器qi共gong模mo電dian壓ya進jin行xing偏pian置zhi。
這種容性架構結合了儀表放大器的優勢,具有極高的輸入阻抗(因為輸入阻抗是一個電容),其優勢是電容(而不是電阻)作為增益元件,增加了放大器的動態範圍——這不僅是因為它的信號擺幅,還因為其噪聲效率的緣故。
克服阻性PGA共模限製的常見解決方案是增加或偏移供電軌,或者重新對中傳感器信號共模。這樣做的代價是功耗更高、電源設計更複雜、使用更多外部元件,以及更高的成本。
實際例子
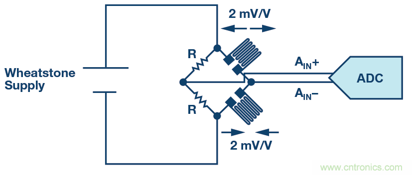
zaihuisidengdianqiaozhong,gongmodianyayoulianjielianggeqiaobidezukangjueding,qieyushijiadedianyuanchengzhengbi。dianzichengyingyongjicaiyongzhezhongjiancetuopu,yinweitajuyouzhenduiyingbianjidexianxingjianceyoushi;圖8顯示了一個半橋式II類電路。

圖8.采用惠斯登拓撲並包含應變計的電子秤。
應變計的靈敏度通常為2mV/V。惠斯登電源越高,靈敏度也就越高。為了增加應變計的動態範圍並最大化SNR,電橋可能采用比ADC更高的電源供電。
由於阻性PGA的共模限製,電橋應當采用與ADC相同的電源供電,以便最大程度提升動態範圍;而在容性PGA中,電橋可以采用幾乎為ADC兩倍的電源供電,因為不存在輸入共模的限製。
例如,假設標準電源為ADC提供3.3V電平,則對於相同的增益,容性PGA相比阻性PGA的改進總結見表1。
表1. 惠斯登電橋中的阻性PGA和容性PGA對比(假設使用標準電源和增益)

可能存在的另一個問題,是當電橋的連接位置離ADC較遠時,接地之間可能有所不同。這也許會使共模電壓偏移,從而導致ADC輸入共模相對於電橋不平衡,並降低阻性PGA中的最大允許增益。
使容性PGA性能與阻性PGA相當的可行辦法是以更高的電源電壓對電橋供電。比如,以±3.3 V雙極性電源對電橋供電,從而增加應變計的靈敏度,但代價是更高的係統複雜性和功耗。
可能會得益於容性PGA的另一個例子是采用電阻式溫度檢測器(RTD)或熱電偶的溫度測量應用。
常用RTD電阻(比如PT100)可以用來直接檢測溫度,或間接檢測熱電偶的冷結,如圖9所示。

圖9.典型熱電偶設置。
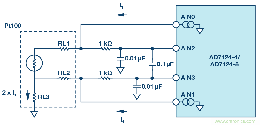
每一個PT100器件都提供不同的導線,采用最受歡迎的高性價比三線式配置。
測量溫度並消除引線誤差的傳統方法如圖10所示。本例中,集成PGA的Σ-Δ型ADCAD7124-8的內部電流源以相同電流驅動雙線式RTD,在兩個引線上產生相同的失調誤差,其值與引線電阻成正比。
由於 AD7174-8 具有較小的引線電阻和電流(為了最大程度減少自發熱效應),RL3產生的失調電壓靠近負供電軌,極大地降低了阻性PGA中允許的最大增益,因為其輸入共模相比容性PGA同樣將會非常接近供電軌,在內部將共模電壓設為電源供電軌的一半,允許更高的增益配置,從而提高總動態範圍。
建議的解決方案極大降低了係統和硬件連接的複雜性,因為第三條線纜不應返回至ADC PCB,並可連接RTD位置附近的地。

圖10.三線式RTD測量。
為了增加溫度測量的精度,建議采用四線式測量。本例中,隻使用了一個電流基準。為了避免電流源的不精確性,可以將精密電阻用作ADC基準電壓發生器來進行比例測量,如圖11所示。

圖11 .比例四線式RTD測量。
選擇適當的外部精密電阻值,使RTD上產生的最大電壓等於基準電壓除以PGA增益。
對於3.3 V電源而言,在阻性PGA中,精密電阻上產生的電壓應為1.65 V左右,否則PGA共模電壓將限製最大增益。其結果是,最大增益信號應等於1.65V。在容性PGA中,不存在輸入共模的限製,因此RTD共模信號可以靠近頂部供電軌放置,最大程度提升了精密電阻生成的ADC基準電壓,並因此實現最高的可選增益和動態範圍。
表2總結了阻性PGA相對於容性PGA的最大增益,最大電流源為500μA,限製了Pt100的自發熱(假定B類RTD,此時最高溫度為600°C,最大VREF為2.5 V)。
表2. 四線式RTD比例測量中的阻性和容性PGA對比

結論
相比阻性PGA,容性PGA具有多項重要優勢。諸如噪聲、共模抑製、失調、增益誤差以及溫度漂移等關鍵規格都由於電容作為增益元件的固有溫度穩定性以及匹配屬性而得到了改善。
另一項重要特性是內部共模電壓從放大器內部共模電壓中去耦。當待放大的輸入信號為靠近供電軌的共模電壓時,這點尤為重要。阻性PGA的增益選擇嚴重受限於其共模限製,或者要求更高的供電軌或外部元件將輸入信號重新偏置到供電軌的一半。而容性PGA卻可以輕鬆處理這種檢測場景。
推薦閱讀:
特別推薦
- 噪聲中提取真值!瑞盟科技推出MSA2240電流檢測芯片賦能多元高端測量場景
- 10MHz高頻運行!氮矽科技發布集成驅動GaN芯片,助力電源能效再攀新高
- 失真度僅0.002%!力芯微推出超低內阻、超低失真4PST模擬開關
- 一“芯”雙電!聖邦微電子發布雙輸出電源芯片,簡化AFE與音頻設計
- 一機適配萬端:金升陽推出1200W可編程電源,賦能高端裝備製造
技術文章更多>>
- 一秒檢測,成本降至萬分之一,光引科技把幾十萬的台式光譜儀“搬”到了手腕上
- AI服務器電源機櫃Power Rack HVDC MW級測試方案
- 突破工藝邊界,奎芯科技LPDDR5X IP矽驗證通過,速率達9600Mbps
- 通過直接、準確、自動測量超低範圍的氯殘留來推動反滲透膜保護
- 從技術研發到規模量產:恩智浦第三代成像雷達平台,賦能下一代自動駕駛!
技術白皮書下載更多>>
- 車規與基於V2X的車輛協同主動避撞技術展望
- 數字隔離助力新能源汽車安全隔離的新挑戰
- 汽車模塊拋負載的解決方案
- 車用連接器的安全創新應用
- Melexis Actuators Business Unit
- Position / Current Sensors - Triaxis Hall
熱門搜索
按鈕開關
白色家電
保護器件
保險絲管
北鬥定位
北高智
貝能科技
背板連接器
背光器件
編碼器型號
便攜產品
便攜醫療
變容二極管
變壓器
檳城電子
並網
撥動開關
玻璃釉電容
剝線機
薄膜電容
薄膜電阻
薄膜開關
捕魚器
步進電機
測力傳感器
測試測量
測試設備
拆解
場效應管
超霸科技


