第二講:保險絲的應用方案及常見問題解答
發布時間:2012-01-17 來源:CNT Networks
中心議題:
- 保險絲的三項基本功能
- 貼片保險絲在單節鋰電池上的應用
- 保險絲在LED照明燈具中的應用
- 雙保險絲為大電流板級電路提供有效保護
- 保險絲應用設計的常見問題
相關閱讀:
【Class1】常用過壓、過流、過溫保護器件之選型技巧
http://0-fzl.cn/art/artinfo/id/80015099
zaidianludeguoliubaohushejizhong,jingchangshiyongdaobaoxiansi,huanjuhuashuo,heliyingyongbaoxiansiduiyushejikekaodeguoliubaohudianlufeichangzhongyao。benwenjiangzaijieshaobaoxiansidejibengongnengdejichushang,jieshaobaoxiansizailidianchibaohubanjiLED照zhao明ming燈deng具ju中zhong的de應ying用yong方fang案an,並bing整zheng理li出chu行xing業ye內nei的de專zhuan家jia們men對dui保bao險xian絲si應ying用yong中zhong的de一yi些xie常chang見jian問wen題ti的de解jie答da及ji經jing驗yan分fen享xiang,對dui工gong程cheng師shi初chu步bu認ren識shi保bao險xian絲si非fei常chang有you幫bang助zhu,對dui工gong程cheng師shi進jin一yi步bu合he理li使shi用yong保bao險xian絲si有you指zhi導dao意yi義yi。
保險絲的三項基本功能
什麼樣的保險絲才是好的保險絲?AEM(蘇州)科技有限公司副總經理鄭索平先生總結概括出保險絲的三項主要基本功能,即:
- 保護功能:該斷的時侯要斷
- 承載功能:不該斷的時侯不能斷
- 安全功能:斷的過程必須保證安全
保bao險xian絲si的de保bao護hu功gong能neng決jue定ding了le保bao險xian絲si在zai需xu要yao的de時shi侯hou必bi須xu動dong作zuo,當dang被bei保bao護hu電dian路lu上shang出chu現xian不bu被bei允yun許xu的de異yi常chang過guo電dian流liu時shi能neng夠gou及ji時shi而er有you效xiao地di切qie斷duan電dian流liu。要yao滿man足zu保bao險xian絲si的de保bao護hu功gong能neng,需xu選xuan擇ze恰qia當dang熔rong斷duan特te性xing和he恰qia當dang的de額e定ding電dian流liu規gui格ge的de保bao險xian絲si品pin種zhong。
bingbushisuoyouchuxianguoliudeshihoubaoxiansibixudongzuode,youxieguoliubingbushiyichangde,zheyangdeguoliubaoxiansibixunenggouchengshou,liru,kaiguandianyuanrechabashichuxiandelangyongdianliujiushibaoxiansixuyaochengzaide,yinci,baoxiansixujubeichengzainengli。huanjuhuashuo,baoxiansidechengzainenglibaozhenglebaoxiansizaijuedabufenshijianlidezhengchanggongzuo。xuanzeyouqiadangronghuarenengzhidebaoxiansipinzhongguigehefangdazugoubinghelideanquanyuliangcainengmanzubaoxiansidechengzaigongneng(耐脈衝能力)。
baoxiansideanquangongnengquebaolebaoxiansizairenhetiaojianxiadejueduianquan。jutilaishuojiushi,youzhikekaodebaoxiansiyinggaizaiqidongzuoqian,dongzuozhonghedongzuohoudounengbaozhenganquanxing,jianquandidaotongheanquandirongduan,bufashengrenhebuanquandeyinsu,ruchixulahu、多次導通、破碎、飛濺、燃燒、以至爆炸等。選擇具有足夠分斷能力和額定電壓的,並獲得必要的應用地區的安全認證的保險絲品種,才能滿足保險絲的安全功能。
總的來說,適當的保險絲應當具備:適當的熔斷特性和額定電流;足夠而合理的熔化熱能值;合適的分斷能力、額e定ding電dian壓ya和he安an全quan認ren證zheng,隻zhi有you在zai具ju備bei了le這zhe三san個ge條tiao件jian的de基ji礎chu上shang,同tong時shi協xie調tiao好hao保bao護hu性xing能neng和he耐nai脈mai衝chong能neng力li之zhi間jian的de製zhi約yue,求qiu得de最zui合he理li的de平ping衡heng的de保bao險xian絲si才cai是shi最zui適shi當dang、最好的保險絲。
[page]
貼片保險絲在單節鋰電池上的應用
鋰電池被廣泛用作照相機、shoujidengbianxiexiaofeidianzichanpindegongdiandianyuan,qianquanxingfeichangzhongyao,guerlidianchibaohubanxuanzeheshidetiepianbaoxiansishifeichangbiyaode。lidianchibaohubandezhuyaoyuanqijianyoubaohuIC 、MOSFET和貼片保險絲,下麵將通過兩個實例來說明保險絲在鋰電池保護板中的選擇及應用。(資料下載:http://www.52solution.com/data/datainfo/id/2518)
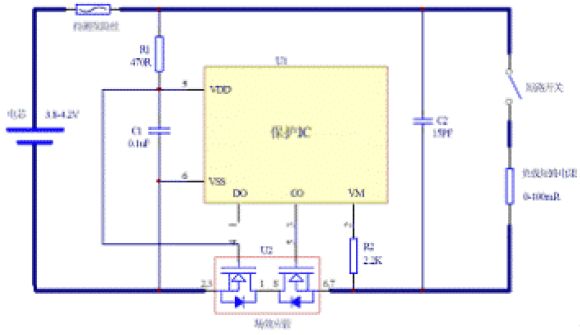
某單節鋰電池保護板電路圖如圖1,保護IC采用SII(精工) S8261ACJ,基本參數如表1,采用的MOS管為BF9028DNJ / BF9028DNJ-A ,部分參數如表2。

圖1 單節鋰電池保護板電路圖

表1 S-8261ACJ的部分參數

表2 MOSFET的部分參數
A:保護電路工作正常
根據公式:過電流檢測電壓 V = 放電電流 I x Rds(on) x 2 可以算出放電電流達到多少保護IC開始進行保護作用。
當過電流檢測電壓為 0.9V,MOS管內阻取最大值時候,可以檢測過電流將為最小值。算出此時過電流值為15A ,此時保護IC保護延遲時間320us;當過電流檢測電壓 1.5V,MOS管內阻取最小值時候,可以檢測過電流將為最大值。算出此時過電流值為46.875A,此時保護IC保護延遲時間380us。即,需求保險絲在46.875A時候熔斷時間要大於380us,才能保證短路保護情況下保險絲不會先於保護IC熔斷。
B:保護電路工作異常
保護IC失效電路示意圖如圖2所示,此時保護IC對短路不能起到保護作用,當負載出現短路時候需要保險絲快速熔斷。

圖2 保護IC失效電路示意圖
[page]
考慮因素如下:
- 電芯電壓:3.8~4.2V
- 電芯內阻: <150mΩ
- 保護板內阻:MOS管內阻+保險絲內阻(15mΩ)+PCB板內阻(10mΩ)
- 短路負載內阻:0~100mΩ
要考慮保險絲的快速熔斷,所以就考慮短路電流的最小值,可以算出短路電流最小值11A。即保險絲需在11A電流情況下快速熔斷。
綜合A,B兩種情況,單節鋰電池上選擇保險絲需要考慮到保護IC的短路保護時間。
保險絲在LED照明燈具中的應用
對於LED照明燈具的過流保護,應從燈體的輸入電流來來考慮。LED照zhao明ming燈deng具ju的de輸shu入ru電dian流liu主zhu要yao有you直zhi流liu輸shu入ru和he電dian網wang交jiao流liu輸shu入ru兩liang種zhong最zui基ji本ben的de類lei型xing,這zhe兩liang種zhong類lei型xing的de主zhu要yao區qu別bie在zai於yu驅qu動dong電dian源yuan是shi否fou有you交jiao流liu轉zhuan直zhi流liu的de模mo塊kuai。針zhen對dui不bu同tong的de輸shu入ru電dian流liu類lei型xing,其qi過guo流liu保bao護hu的de方fang式shi有you所suo不bu同tong,保bao險xian絲si的de應ying用yong應ying根gen據ju具ju體ti的de情qing況kuang來lai考kao慮lv:
1、針對直流輸入類型的DC in保險絲的選用,需要特別關注保險絲的溫度折減係數參數,由於大功率LED的發熱量比較大,在LED燈(deng)杯(bei)內(nei)部(bu)的(de)溫(wen)度(du)相(xiang)對(dui)較(jiao)高(gao),如(ru)果(guo)選(xuan)用(yong)溫(wen)度(du)折(zhe)減(jian)比(bi)較(jiao)大(da)的(de)保(bao)險(xian)絲(si)就(jiu)會(hui)選(xuan)擇(ze)電(dian)流(liu)較(jiao)大(da)的(de)規(gui)格(ge),在(zai)同(tong)樣(yang)的(de)工(gong)作(zuo)電(dian)流(liu)下(xia),電(dian)流(liu)規(gui)格(ge)大(da)的(de)保(bao)險(xian)絲(si)的(de)保(bao)護(hu)能(neng)力(li)相(xiang)對(dui)要(yao)降(jiang)低(di)一(yi)些(xie);另外DC in的de位wei置zhi,由you於yu後hou端duan都dou會hui使shi用yong電dian容rong濾lv波bo,會hui產chan生sheng比bi較jiao大da的de開kai機ji脈mai衝chong電dian流liu,所suo以yi在zai此ci部bu位wei選xuan擇ze保bao險xian絲si需xu要yao注zhu意yi嚴yan格ge考kao慮lv脈mai衝chong的de條tiao件jian,否fou則ze錯cuo誤wu選xuan項xiang易yi造zao成cheng保bao險xian絲si被bei開kai機ji脈mai衝chong衝chong斷duan現xian象xiang,很hen難nan經jing過guo很hen多duo次ci開kai關guan機ji實shi驗yan和he浪lang湧yong電dian流liu實shi驗yan,在zai此ci推tui薦jian使shi用yong耐nai脈mai衝chong能neng力li強qiang的de產chan品pin。
2、針對驅動輸出端的保險絲選型,zaizhuyibaoxiansiwenduzhejianxishudetongshi,haixuyaokaolvbaoxiansiderongduansuduzhibiao,youyucichudianliubodongbuda,zaidianluchuxianyichanghuozheyuanqijianshixiaodeqingkuangxia,xuyaokuaisuqieduandianlu,baohuhouduandeLED燈串,在此位置推薦選擇快斷類型和溫度折減小的保險絲。
以上2種場合一般市場上有比較多的貼片低壓保險絲可供選擇,比如AEM科技的SolidMatrix®技術的保險絲,尺寸從0402到1206,電流規格從0.5到30A,有快斷、快快斷、耐高脈衝、慢斷等多個不同係列,不同規格,不同特性的產品供各位工程師選用。
3、而針對交流輸入LED照明的AC in位置,特別是LED球狀燈泡既需要考慮保險絲的尺寸問題,又需要考慮保險絲的耐電壓值。可以考慮選用AEM科技推出的AirMatrixTM AF2係列貼片保險絲,該係列保險絲具有體積小,可以承受250VAC的電壓,同時還具有高一致性、低內阻、高耐脈衝能力等優點。
雙保險絲為大電流板級電路提供有效保護
保bao護hu電dian路lu板ban元yuan器qi件jian不bu受shou越yue來lai越yue大da電dian流liu的de損sun壞huai是shi件jian複fu雜za的de事shi,因yin為wei沒mei有you現xian成cheng滿man足zu要yao求qiu的de保bao險xian絲si。提ti供gong保bao護hu的de方fang法fa可ke以yi是shi仔zai細xi設she計ji的de雙shuang保bao險xian絲si電dian路lu,或huo有you足zu夠gou額e定ding值zhi的de單dan個ge保bao險xian絲si。但dan是shi,由you於yu不bu存cun在zai兩liang個ge完wan全quan相xiang同tong的de保bao險xian絲si,總zong有you一yi個ge保bao險xian絲si承cheng受shou的de電dian流liu大da於yu另ling一yi個ge。因yin此ci,即ji使shi線xian路lu電dian流liu是shi在zai規gui格ge範fan圍wei內nei,承cheng擔dan較jiao高gao負fu載zai的de保bao險xian絲si仍reng會hui熔rong斷duan,於yu是shi很hen快kuai另ling一yi個ge也ye會hui熔rong斷duan。如ru何he解jie決jue這zhe個ge難nan題ti?以yi下xia是shi保bao險xian絲si匹pi配pei以yi及ji確que定ding電dian路lu額e定ding值zhi的de一yi些xie指zhi南nan,為wei雙shuang保bao險xian絲si方fang案an提ti供gong所suo需xu的de保bao護hu。
UL標準保險絲通常都有75%的降額因素,以保證能提供所需的電路保護。保險絲的直流阻抗通常有15%的公差;因此在最差情況下,兩個隨機選擇保險絲(相同額定電流,且來自同一製造商)的直流阻抗可以相差到35%(1.15 Rdc/0.85 Rdc = 1.35,即差35%)。如(ru)果(guo)兩(liang)個(ge)保(bao)險(xian)絲(si)的(de)直(zhi)流(liu)阻(zu)抗(kang)有(you)很(hen)大(da)差(cha)別(bie),流(liu)經(jing)的(de)電(dian)流(liu)也(ye)會(hui)相(xiang)差(cha)很(hen)大(da),電(dian)路(lu)保(bao)護(hu)就(jiu)會(hui)出(chu)現(xian)問(wen)題(ti)。一(yi)般(ban)來(lai)說(shuo),一(yi)個(ge)保(bao)險(xian)絲(si)承(cheng)受(shou)的(de)電(dian)流(liu)要(yao)高(gao)於(yu)另(ling)一(yi)個(ge),可(ke)能(neng)工(gong)作(zuo)在(zai)接(jie)近(jin)過(guo)流(liu)極(ji)限(xian)值(zhi)處(chu),而(er)另(ling)一(yi)個(ge)則(ze)遠(yuan)低(di)於(yu)安(an)全(quan)極(ji)限(xian)。因(yin)此(ci),用(yong)兩(liang)個(ge)保(bao)險(xian)絲(si)完(wan)成(cheng)一(yi)種(zhong)功(gong)能(neng)會(hui)影(ying)響(xiang)到(dao)電(dian)路(lu)的(de)過(guo)流(liu)保(bao)護(hu)。
除chu直zhi流liu阻zu抗kang以yi外wai,另ling外wai一yi個ge重zhong要yao的de考kao慮lv因yin素su是shi兩liang個ge保bao險xian絲si所suo處chu位wei置zhi之zhi間jian的de溫wen度du差cha。保bao險xian絲si是shi溫wen度du敏min感gan器qi件jian,它ta們men的de有you效xiao額e定ding電dian流liu會hui隨sui著zhe環huan境jing溫wen度du的de上shang升sheng而er減jian小xiao。如ru果guo兩liang個ge並bing聯lian保bao險xian絲si中zhong,其qi中zhong一yi個ge的de工gong作zuo溫wen度du高gao於yu另ling一yi個ge,則ze它ta將jiang有you較jiao小xiao的de有you效xiao額e定ding電dian流liu,因yin此ci比bi另ling一yi個ge更geng早zao地di進jin入ru過guo載zai。
雖然使用兩個並聯保險絲有著上述不確定性,但可以從以下四個方麵著手改進它們的工作可靠性:
1)兩liang個ge保bao險xian絲si必bi須xu盡jin可ke能neng地di匹pi配pei。不bu僅jin它ta們men的de額e定ding值zhi要yao相xiang同tong,確que保bao兩liang個ge保bao險xian絲si是shi同tong時shi製zhi造zao的de也ye是shi一yi個ge不bu錯cuo的de想xiang法fa。這zhe樣yang能neng確que保bao兩liang個ge保bao險xian絲si的de直zhi流liu阻zu抗kang盡jin可ke能neng匹pi配pei。
2)兩個保險絲永遠不可能均分電流。因此,要為組合增加20%的降額因素。
3)細(xi)心(xin)追(zhui)蹤(zong)每(mei)個(ge)保(bao)險(xian)絲(si)的(de)熱(re)曆(li)史(shi)。兩(liang)個(ge)保(bao)險(xian)絲(si)都(dou)應(ying)保(bao)持(chi)在(zai)相(xiang)同(tong)溫(wen)度(du)下(xia),包(bao)括(kuo)環(huan)境(jing)溫(wen)度(du)和(he)正(zheng)常(chang)工(gong)作(zuo)溫(wen)度(du)。因(yin)此(ci),確(que)定(ding)讓(rang)兩(liang)個(ge)保(bao)險(xian)絲(si)都(dou)暴(bao)露(lu)在(zai)相(xiang)同(tong)的(de)氣(qi)流(liu)中(zhong),引(yin)線(xian)或(huo)保(bao)險(xian)絲(si)管(guan)夾(jia)上(shang)都(dou)有(you)相(xiang)似(si)的(de)熱(re)傳(chuan)導(dao)機(ji)製(zhi)。
4)最zui大da斷duan路lu電dian流liu等deng於yu單dan個ge保bao險xian絲si的de值zhi,而er不bu是shi兩liang個ge保bao險xian絲si最zui大da斷duan路lu電dian流liu之zhi和he。同tong樣yang,最zui大da斷duan路lu電dian壓ya也ye等deng於yu單dan個ge保bao險xian絲si的de值zhi,而er不bu是shi兩liang個ge保bao險xian絲si斷duan路lu電dian壓ya之zhi和he。
zunshouleyishangdeshejizhinanyihou,liujinglianggebinglianbaoxiansidedianliujibenxiangdeng,tamenkeyizaidiyuzijiguoliujixiantiaojianxialianghaodigongzuo。ciwai,dangchuxianguozaishijianshi,lianggebaoxiansichabuduozaixiangtongshijiankailu,weidianlubandeyuanqijiantigongbaohu。
保險絲應用設計的常見問題
baoxiansideedingdianyayoushenmeyiyi?ruhexuanzebaoxiansiderongduantexingheedingdianliu?manrongduanbaoxiansiyukuairongduanyoushenmebutongdexingnengheyingyong?yicixingbaoxiansihekehuifubaoxiansideyitong?xiangtongedingdianliudebutongpinpaibaoxiansiyidingnenggouzhijietihuanma?weishenmebaoxiansichangzaikaijishihuogangjietongdianyuanshiduankai?zenyangcaishibaoxiansinengchengshouduocishunjianmaichongdechongji?zhexiedoushigongchengshizaibaoxiansidexuanxingheyingyongguochengzhongjingchanghuiyudaodewenti,xianzai,tongguozhuanjiadezhuanyedayihewangyouderelietaolun,weiniyiyijiedabaoxiansideyingyongnanti。
專家解惑:熔斷器應用設計常見問題TOP 10
http://0-fzl.cn/bbs/viewthread.php?tid=2119
問答精粹:如何正確使用保險絲?
http://0-fzl.cn/art/artinfo/id/80005314
熱門討論:自複式保險絲和一次性保險絲的應用場合有什麼異同?
http://0-fzl.cn/bbs/viewthread.php?tid=1224
- 噪聲中提取真值!瑞盟科技推出MSA2240電流檢測芯片賦能多元高端測量場景
- 10MHz高頻運行!氮矽科技發布集成驅動GaN芯片,助力電源能效再攀新高
- 失真度僅0.002%!力芯微推出超低內阻、超低失真4PST模擬開關
- 一“芯”雙電!聖邦微電子發布雙輸出電源芯片,簡化AFE與音頻設計
- 一機適配萬端:金升陽推出1200W可編程電源,賦能高端裝備製造
- 2026藍牙亞洲大會暨展覽在深啟幕
- 新市場與新場景推動嵌入式係統研發走向統一開發平台
- 維智捷發布中國願景
- 2秒啟動係統 • 資源受限下HMI最優解,米爾RK3506開發板× LVGL Demo演示
- H橋降壓-升壓電路中的交替控製與帶寬優化
- 車規與基於V2X的車輛協同主動避撞技術展望
- 數字隔離助力新能源汽車安全隔離的新挑戰
- 汽車模塊拋負載的解決方案
- 車用連接器的安全創新應用
- Melexis Actuators Business Unit
- Position / Current Sensors - Triaxis Hall

